法拉电容也是超级电容。超级电容器是介于传统电容器和充电电池之间的一种新型储能装置,其容量可达几百至上千法拉,与传统电容器相比:它具有较大的容量、较高的能量、较宽的工作温度范围和极长的使用寿命;而与蓄电池相比:它又具有较高的比功率,且对环境无污染,因此可以说,超级电容器是一种高效、实用、环保的能量存储装置。法拉电容器的容量比通常的电容器大得多。由于其容量很大,对外表现和电池相同,因此也有称作“电容电池”。法拉电容器属于双电层电容器,它是世界上已投入量产的双电层电容器中容量最大的一种,其基本原理和其它种类的双电层电容器一样,都是利用活性炭多孔电极和电解质组成的双电层结构获得超大的容量。
当电源正常时,5 V电源VCC通过快速整流二极管D1给RAM(U2:UT6264)供电,并通过R1给法拉电容(C1:FM0H104Z)充电。掉电时,D1截止,法拉电容C1作为备份电源,通过R1为U2供电,保证RAM中数据不消失。
在掉电过程中或电源出现波动时,为了增强RAM数据的安全性,采用了专用电源监控芯片(U3:IMP706),提供系统的监控功能。上电、掉电和电网电压过低时会输出复位信号,同时还能跟踪1.6 s的定时信号,为软件运行提供看门狗定时器(watchdog timer)防护。当电源电压掉至约4.74 V时,U3向CPU(U1:AT89S52)输出掉电信号(PW_DN),CPU进行掉电应急处理和保护现场,不向RAM芯片进行任何读写操作。当电源电压进一步掉至4.4 V时,U3产生复位信号,CPU被复位,同时RAM芯片U2的片选引脚CE2也被置为低电平,确保U2不被读写操作。

图1 电路原理图
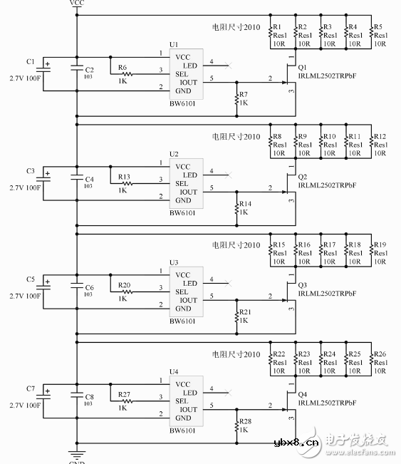
由于2.7V 100F电容容量大,同时需要大电流进行充放电,这时需要更大功率的泄放电路才能更好地保证电容单体不过压,进而保护超级电容模组的工作安全。本示例核心采用BW6101+外部扩流MOS+大功率电阻,由于BW6101内部MOS管可靠地泄放电流为200毫安,所以更大的泄放电流必须由外部来完成,本电路可以允许几安培的泄放电路,如果需要几十安培以上的泄放电流,那么需要更换大功率MOS管及更大功率的电阻。

隔离开关基本介绍:控制回路及五防装置
时间:2026-03-05
空气开关的工作原理 空气开关与漏电保护器的...
时间:2026-03-05
电力系统谐波的是怎么产生的?
时间:2026-03-05
关于配电箱安装的注意事项
时间:2026-03-05
一文解析电压互感器的原理与变压器的原理
时间:2026-03-05
地铁电能质量0.4KV低压设备的无功及谐波等问...
时间:2026-03-05
阐述各类型接地变的操作注意事项
时间:2026-03-05
汇集整理维修、安全用电36条常识基础知识
时间:2026-03-05
微网控制系统的设计与实现
时间:2026-03-05
10kV配电线路单项接地故障及处理方法
时间:2026-03-05
玻璃釉电容器的结构与特点
时间:2026-03-05
关于STM32WL LSE 添加反馈电阻后无法起振的...
时间:2026-03-05
电阻的标称阻值和允许偏差
时间:2026-03-05
聚四氟乙烯电容器的结构与特点
时间:2026-03-05
漆膜电容器的结构与特点
时间:2026-03-05
复合介质电容器的结构与特点
时间:2026-03-05
瓷介电容器的结构与特点
时间:2026-03-05
电解电容器的结构与特点
时间:2026-03-05
电解电容的型号
时间:2026-03-05
铝电解电容特性型号参数表
时间:2026-03-05