在电子仪器中,从某一装置输出的交变电流经常有高频成分与低频成分(比如音频的高音信号与低音信号)。这时,高频旁路电容器就能起到滤过高频(让高频通过高频旁路电容器所在支路)保留低频(低频输出)的作用了。起这种作用的电容器,就叫高频旁路电容器。
高频旁路电容器的作用是滤掉高频电流,也就是让高频电流容易通过!如果电容很大,不但由于容量大的电容由于有分布电感,阻碍高频电流通过,还会滤掉低频电流,所以高频电容器一般都较小,对低频而言,高频电容器的容抗很大。
我们知道电容的阻抗Xc=1/(2π*f*C) 其中,C为电容,f为电流的频率显然对于高频电流来说,当然电容C越小,阻抗越小

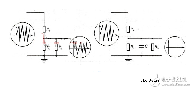
理解电感或电容首先需要看它的计算公式中的单位,是欧姆。也就是说对于它们所能起作用的电路而言,其作用可以看成电阻。如图,以前级输出输出各种电成分(包含低频与高频)为开始,以后级输入为结束(仅含低频)。我们知道,电容的容抗与频率有关,频率越高,容抗越低,相当于小电阻。所以对于高频电流而言,图中的电容器的容抗十分小,也就是相当于一条电阻十分小的支路,于是高频电流就在此处被短路了,而不能到达后级输入。相反,对于低频电流,图中的电容容抗大,故不会被短路,同时能到达后级输出。
容抗公式Cx=2πfc。容抗是电容对交流电的综合阻力。式中:2π是常数,约等于6.28。f是交流电的频率,c是电容的容量。从式中可以看出:一个电容对交流电的阻力和交流电的频率、电容的容量有关,即交流电的频率越高、电容的容量越大,对交流电的阻力越小。反之,对交流电的阻力越大。
从这个公式里我们也可以形成一个概念:即:电容的基本性质是通交流、隔直流。在电容容量一定的情况下,交流电的频率越高,越容易通过此电容。这就是调频旁路电容的工作原理。
电容器与输出线路并联,互不影响,为什么可以“滤出”调频电压?根据上面所叙述的电容的性质,可以这样回答:这是因为高频电压能够很容易地通过这个电容,而频率低的电压则被这个电容阻止,而从另一个线路中传出去了。

电容器因其容抗随频率增高而下降,在电源电路和信号电路中起到了高频旁路作用。
Xc=1/ωC
式中Xc为电容的容抗值、ω为信号的角频率、C为电容量。从容抗表达式中看出,随着频率的升高,容抗的数值在下降。
在电源电路或交流放大电路中,一些直流、低频信号中混杂了一些不需要的高频信号,对电路形成了一些不良干扰,这是可以在这些易干扰之处至地间接一个电容,该电容对高频信号由于容抗很小而相当于出在短路状态,从而大大削弱了高频信号的干扰。
在一些大电解电容滤波电路中,由于大电解电容在高频是品质因数的下降,因此对高频信号的旁路作用下降,为此需要在其边上再并联一个相对容量较小的高频旁路电容。
双机容错的容错方式/支持平台
时间:2026-03-05
浅谈变电站继电保护定义及线路保护原理
时间:2026-03-05
什么是集群
时间:2026-03-05
双机的工作模式/监控方式/支持数据库
时间:2026-03-05
网络摄像机的安全性
时间:2026-03-05
网络摄像机的软件升级
时间:2026-03-05
网络摄像机的照明度
时间:2026-03-05
网络摄像机的信噪比
时间:2026-03-05
网络摄像机的性能
时间:2026-03-05
网络摄像机的显示尺寸
时间:2026-03-05
玻璃釉电容器的结构与特点
时间:2026-03-05
关于STM32WL LSE 添加反馈电阻后无法起振的...
时间:2026-03-05
电阻的标称阻值和允许偏差
时间:2026-03-05
聚四氟乙烯电容器的结构与特点
时间:2026-03-05
漆膜电容器的结构与特点
时间:2026-03-05
复合介质电容器的结构与特点
时间:2026-03-05
瓷介电容器的结构与特点
时间:2026-03-05
电解电容器的结构与特点
时间:2026-03-05
电解电容的型号
时间:2026-03-05
铝电解电容特性型号参数表
时间:2026-03-05