图1是电容降压电源中的基本形式。C1是降压电容,R1是关断电源后C1的储存电荷释放电阻,D2是半波整流二极管,D1在市电的负半周时给C1提供放电回路,D3是稳压二极管,C2是滤波电容。

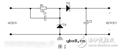
图2是另一种电容降压电源的基本形式。它实际上是用图1中的稳压二极管直接取代了二极管D1,这样在市电负半周时稳压二极管正向导通给C1提供放电回路;在市电正半周时稳压二极管反向工作将输出电压稳定在允许范围内。

图3是采用全波整流的电容降压电源,它将市电的正负半周都利用起来,效率更高,可以提供比半波整流更大的电流

太阳能电池板的发电原理、材料和发展前景
时间:2026-03-05
电力变压器基本概述
时间:2026-03-05
电力变压器的实际意义
时间:2026-03-05
电力变压器的功能及作用
时间:2026-03-05
电力变压器的分类
时间:2026-03-05
太阳能电池板清洗设备、方法和好处
时间:2026-03-05
电力变压器的特点有哪些
时间:2026-03-05
电力变压器的工作原理
时间:2026-03-05
太阳能电池板的倾斜角度测量和安装考虑因素
时间:2026-03-05
电力变压器运行与保养
时间:2026-03-05
玻璃釉电容器的结构与特点
时间:2026-03-05
关于STM32WL LSE 添加反馈电阻后无法起振的...
时间:2026-03-05
电阻的标称阻值和允许偏差
时间:2026-03-05
并联电容器的补偿方式_安装并联电容器的目的
时间:2026-03-05
电容发热的原因是什么
时间:2026-03-05
多类型的电容是否可以统一为某一种类型的电...
时间:2026-03-05
电容补偿柜的基本原理是什么?滤波,退偶,...
时间:2026-03-05
关于一场电容器的技术盛宴 最新技术规范及出...
时间:2026-03-05
薄膜电容器使用常见故障和解决方案
时间:2026-03-05
薄膜电容真空计原理 薄膜电容怎么读参数
时间:2026-03-05