
































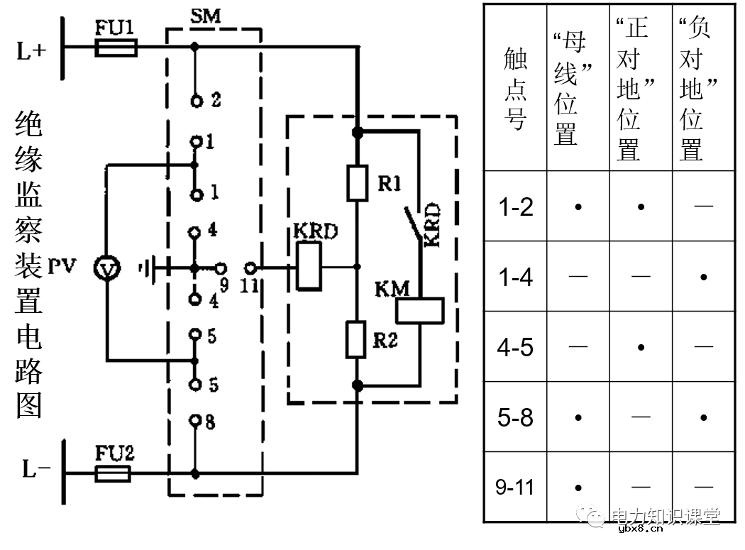
直流系统正常运行时,SM置于“母线”位置,R+=R- ,又R1=R2,所以电桥平衡,在KRD线圈中只有很小的不平衡电流,因此继电器KRD不会动作。当某一极母线的绝缘电阻下降至低于允许值时,电桥失去平衡,当KRD线圈中流过的电流足够大时,KRD动作,其常开触点闭合,启动KM,发预告信号。






编辑:黄飞
相关热词:#智能电网
矩阵切换器的控制方式
时间:2026-03-05
降压转换器使用陶瓷输出电容器
时间:2026-03-05
金属膜电容和其他电容的简单分类
时间:2026-03-05
矩阵切换器的输入/输出阻抗
时间:2026-03-05
矩阵切换器的输入/输出电平
时间:2026-03-05
分配器的支持分辨率/传输距离
时间:2026-03-05
车载显示屏的屏幕比例
时间:2026-03-05
分配器的输入接口/输出接口
时间:2026-03-05
车载显示屏的屏幕尺寸
时间:2026-03-05
KVM切换器的切换方式
时间:2026-03-05
什么是单母线接线?主接线的普遍规律
时间:2026-03-05
智能电网包括什么?它的先进性和优势是?
时间:2026-03-05
区块链共识机制的演进应用以及未来趋势预测
时间:2026-03-05
浅显易懂地揭开.Net生态系统的神秘面纱!
时间:2026-03-05
电力变压器的分类
时间:2026-03-05
电力变压器的特点有哪些
时间:2026-03-05
电力系统三道防线的基本原理 电力系统运行的...
时间:2026-03-05
太阳能电池板二极管的型号、参数和使用注意...
时间:2026-03-05
微电网是什么意思 微电网与大电网的区别 微...
时间:2026-03-05
光伏电站的作用
时间:2026-03-05