01
光储充电站前景
随着新能源汽车越来越受到消费者的青睐,大家对充电桩的需求越来越高,未来会出现充电站配电容量不足、充电需求满足不了的情况,针对这些情况,各个省份也出台了一系列建设规划。

为此,我们提供了光储充一体化电站解决方案,希望通过引入储能单元,实现光伏车棚的自发自用,配合储能的能量搬移和负荷调度,去解决充电时负荷用电高峰、解决充电难的问题。
02
光伏车棚解决方案
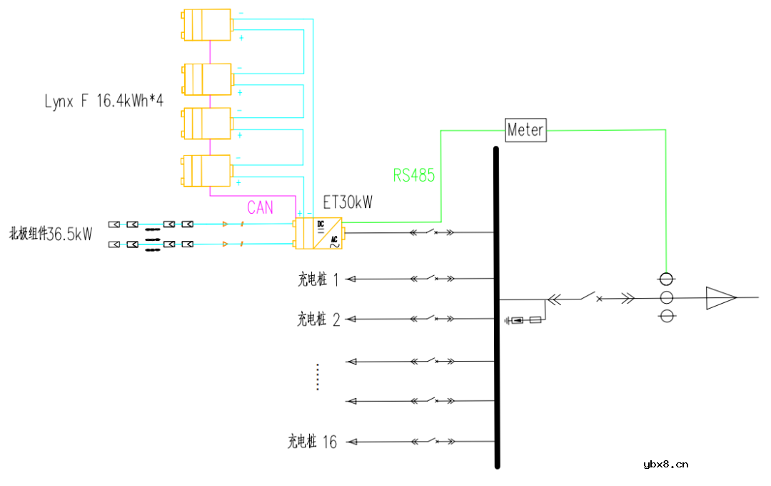
江苏某单位建设了一个30kW/60kWh的光伏车棚,采用一体化整体设计。整个光伏车棚是36.5kWp,配置了60kWh的储能电池,此车棚包含16个车位,其中10个车棚为交流慢充车位,预留了6个交流快充车位,系统图如下所示:

光伏车棚结构高度为4米,悬挑长度约为5.05米,采用实腹式工字钢结构支架Y型单立柱结构,形式上比T型、V型结构上较为美观,且适合布置充电插座,并搭配固德威北极瓦产品,该产品的平整设计可以起到自清洁的作用,也更加突出了车棚的美观。
常规汽车车位的尺寸为6*2.5米,本光伏车棚项目长度42米,采用100块365Wp北极瓦,北极瓦的排布采用2*50竖向排列方式,总装机容量为36.5kW;该场景采用1台GW30K-ET 三相储能逆变器,逆变器每串组串接20块。
以上是该车棚整体结构,接下来小固具体介绍此项目中涉及的设备部件。
2.1 光电建材
固德威北极系列适配光伏花园、车棚、平改坡等多种应用场景,具备安全、适用、耐久、经济和环保等综合性能优势,具体参数如下:

2.2 储能逆变器
原先,储能逆变器的容量大小仅为10kW,一个30kW的储能系统需要3台这样的储能逆变器,系统会相对比较复杂;固德威推出15-30kW储能逆变器后,大大简化了系统的配置和成本。本项目选用固德威储能逆变器GW30K-ET,具体参数如下:

该储能产品可应用于光储充车棚,有系统配置简单、配置电池数量多、支持三相不平衡输出等多个优点。

2.3 储能电池
固德威Lynx F Plus高压锂电池,采用可扩展的电池模块化设计(2~8个模块灵活组合),智能化设计简化了安装和运维。

本系统配置60kWh电池,采用4套LX F16.4-H电池,电池之间并接如下图所示:

2.4 充电桩
固德威HCA交流充电桩包含7/11/22kW三个功率段,支持蓝牙、WiFi等多种通讯方式,更加智能的人机交互方式,兼容市面上所有的电动汽车品牌,支持预约充电等先进的充电方式。
2.5 系统控制策略
以浙江省工商业电价为例,设置逆变器充放电模式:11: 00-13: 00、22: 00~次日8: 00,设置为充电时间,8: 00~11: 00、13: 00-22: 00,设置为放电时间。每天两充两放,最具经济性。

总结
各地利好政策不断(点击这里查看最新政策),加之电动车对于电网的冲击,会加大电网对于储能的需求。国内各省峰谷价差不断加大,增加了储能的盈利机会。尤其是以山东、河北为首,新能源发电过多,出现了深谷价格,可预见未来峰谷价差还会加大。储能的经济性进一步提升,未来光储充电站将迅猛发展。
编辑:黄飞
相关热词:#智能电网
矩阵切换器的控制方式
时间:2026-03-05
降压转换器使用陶瓷输出电容器
时间:2026-03-05
金属膜电容和其他电容的简单分类
时间:2026-03-05
矩阵切换器的输入/输出阻抗
时间:2026-03-05
矩阵切换器的输入/输出电平
时间:2026-03-05
分配器的支持分辨率/传输距离
时间:2026-03-05
车载显示屏的屏幕比例
时间:2026-03-05
分配器的输入接口/输出接口
时间:2026-03-05
车载显示屏的屏幕尺寸
时间:2026-03-05
KVM切换器的切换方式
时间:2026-03-05
中线安防保护器对电网中三次谐波的治理
时间:2026-03-05
什么是单母线接线?主接线的普遍规律
时间:2026-03-05
智能电网包括什么?它的先进性和优势是?
时间:2026-03-05
区块链共识机制的演进应用以及未来趋势预测
时间:2026-03-05
浅显易懂地揭开.Net生态系统的神秘面纱!
时间:2026-03-05
对技术的执着和美的追求变成了程序员的“诗...
时间:2026-03-05
什么是区块链技术_区块链技术解析
时间:2026-03-05
电力变压器的分类
时间:2026-03-05
电力变压器的特点有哪些
时间:2026-03-05
电力系统三道防线的基本原理 电力系统运行的...
时间:2026-03-05