UPS不间断电源作为商场、超市、银行、基站等大型公司的后备储能电源有着重中之重的超然地位,除了有保护设备防断电的的功能外,还肩负稳压的作用。所以有了UPS不间断电源才使我们的工作和日常生活井井有序。可是往往被忽视的也是重要的,人们认为UPS不间断电源是免维护的,而不加以重视,从而减少了UPS不间断电源的使用寿命。今天小编为大家介绍一下UPS不间断电源优点。
UPS不间断电源都配有一组电池组,在平时不停电的时候,内部的充电器对电池组进行充电,充满后就进入浮充状态,对电池进行保养。当电力意外终点的时候,UPS不间断电源在毫秒时间内立刻转入逆变状态,把电池组中的电力转换为220V交流电,持续供电,同时UPS不间断电源发出警报声,提示电力中断,在此期间,用户除了可以听到报警声外几乎没有其他影响,原有的设备仍然正常使用,丝毫不受影响。
不过需要注意的是,UPS不间断电源供电时间不是无限的,这个时间受制于蓄电池自身储存能量的大小 。如果发生交流停电,那么在UPS的蓄电池供电的宝贵时间内,您需要做的就是赶紧恢复交流电,比如启用备用交流电回路、启用油机发电,实在不行,就只能紧急存盘,保存劳动成果,等待交流电恢复正常后再继续。
不间断电源的主要优点,在于它的不间断供电能力。在市电交流输入正常时,UPS把交流电整流成直流电,然后再把直流电逆变成稳定无杂质的交流电,给后级负载使用。一旦市电交流输入异常,比如欠压了或者停电了又或者频率异常了,那么UPS会启用备用能源-蓄电池,UPS的整流电路会关断,相应的,会把蓄电池的直流电逆变成稳定无杂质的交流电,继续给后级负载使用。这就是UPS不间断供电能力的由来。
当然,UPS的不间断供电时间不是无限的,这个时间受制于蓄电池自身储存能量的大小。如果发生交流停电,那么在UPS的蓄电池供电的宝贵时间内,您需要做的就是赶紧恢复交流电,比如启用备用交流电回路、启用油机发电,实在不行,就只能紧急存盘,保存劳动成果,等待交流电恢复正常后再继续。
将UPS电源的机身带的三孔插头插到市电电源的插排上,打开UPS电源开关,让UPS电源正常工作后,再将电脑主机和显示器等的电源线插头插到UPS电源机身后面的插孔内 ,逐一开机即可 。
即不间断电源,是将蓄电池(多为铅酸免维护蓄电池)与主机相连接,通过主机逆变器等模块电路将直流电转换成市电的系统设备。主要用于给单台计算机、计算机网络系统或其它电力电子设备如电磁阀、压力变送器等提供稳定、不间断的电力供应。当市电输入正常时,UPS 将市电稳压后供应给负载使用,此时的UPS就是一台交流市电稳压器,同时它还向机内电池充电;当市电中断(事故停电)时, UPS 立即将电池的直流电能,通过逆变零切换转换的方法向负载继续供应220V交流电,使负载维持正常工作并保护负载软、硬件不受损坏。UPS 设备通常对电压过高或电压过低都能提供保护。
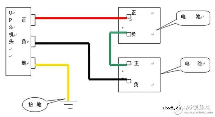
ups蓄电池接线:电池的红色极注是正极,黑色的是负极,蓄电池在电池盒里是串联的,就是说一个电池的正极连另一个电池的负极,照这样连法,最后会剩下一正一负两条引出线,接电池放电端口,注意要一一对应起来,一般左正右负,连接是注意电池短路,短时间内电池进水是不会影响电池性能的,水是弱电解质,导电性能很弱,不过一定要立刻擦干,否则会氧化极注,使电池极注脱落,造成电池损坏。






不断电系统的供电原理是当市电正常时,机器会将市电的交流电转换为直流电,而后对电池充电,以备电力中断时使用;这里跟各位强调的是不断电系统并不是停电时才会动作,像是遇到电压过低或过高、瞬间突波等,足以影响设备正常运转的电力品质时,不断电系统均会动作,提供设备稳定且干净的电力。当市电正常供电时,市电经滤波回路后,分为两个回路同时动作,其一是经由充电回路对电池组充电,另一个则是经整流回路,作为逆变器的输入,再经过逆变器的转换提供电力给负载使用;由此可知,在线式不断电系统的输出完全由逆变器来供应,因此不论市电电力品质如何,其输出均是稳定而不受任何影响。
一旦市电发生异常时,将储存于电池中的直流电转换为交流电,此时逆变器的输入改由电池组来供应,逆变器持续提供电力,供给负载继续使用,达到不断电的功能。UPS不间断电源系统的电力来源是电池,而电池的容量是有限的,因此不断电系统不会像市电一般无限制的供应,所以不论多大容量的不断电系统,在其满载的的状态下,其所供电的时间必定有限,若要延长放电时间,须购买长时间型不断电系统。
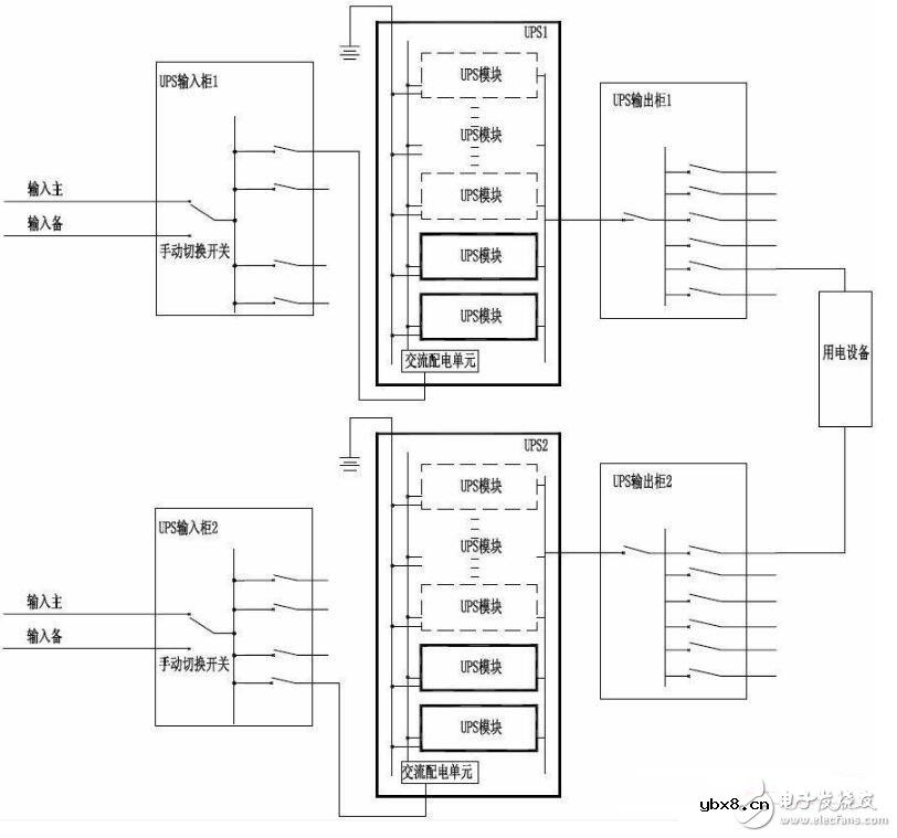
当在线式UPS超载、旁路命令(手动或自动)、逆变器过热或机器故障,UPS一般将逆变输出转为旁路输出,即由市电直接供电。由于旁路时,UPS输出频率相位需与市电频率相位相同,因而采用锁相同步技术确保UPS输出与市电同步。旁路开关双向可控硅并联工作方式,解决了旁路切换时间问题,真正做到了不间断切换,控制电路复杂,一般应用在中大功率UPS上。如果在过载时,必须人为减少负载,否则旁路短路器会自动切断输出。
当UPS进行检修时,通过手动旁路保证负载设备的正常供电,当维修操作完成后,重新启动UPS, UPS 转为正常运行。极低的维护率,MTTR为15万小时,极大地提高UPS不间断电源可用性。
从应用的角度看,UPS功能的变化经历了三个阶段。第一阶段是硬件保护,保护负载设备的硬件系统不会因为电力异常或供电突然中断而损坏;第二阶段是数据保护,当市电中断时,保护负载设备的数据资料不会因为突然停电而损毁或丢失;第三阶段是系统可用性保护,在市电正常、异常,甚至中断情况下,都要保证后面的关键负载有高品质的电力供应。这三个阶段的变化都是随着社会发展和技术进步,人们对生产系统的需求不断提升而促进的。第一阶段凸显在UPS诞生不久的上世纪七、八十年代,第二阶段盛行于上世纪九十年代中期,第三阶段从上世纪九十年代后期开始变得越来越重要,直至今天系统可用性仍然是数据中心、工厂、医院、轨道交通等用电场所对UPS供电系统要求的最重要指标之一。
相关热词:#电子电路图
全文详解电网故障理论 故障录波软件使用技巧
时间:2026-03-05
互感器基础知识大全 电流互感器和电压互感器...
时间:2026-03-05
精密运放如何在功率较低的情况下实现快速多...
时间:2026-03-05
绝缘电阻试验原理及目的分析
时间:2026-03-05
佳能EOS 7D样片赏析与实测(下)
时间:2026-03-05
继电保护及安全自动装置设计要求
时间:2026-03-05
精密运放如何在功率较低的情况下实现快速多...
时间:2026-03-05
电力系统有哪些故障?电力系统不对称故障如...
时间:2026-03-05
全面揭晓电力系统短路故障问题
时间:2026-03-05
锂离子储能电站系统构成、安全预警与保护技...
时间:2026-03-05
瞬间抑制二极管(TVS)/瞬间抑制二极管(TVS)是...
时间:2026-03-04
什么是霍尔传感器
时间:2026-03-05
半导体材料的主要种类有哪些?
时间:2026-03-04
高级封装,高级封装是什么意思
时间:2026-03-04
数字比较器,数字比较器是什么意思
时间:2026-03-04
常用整流二极管型号大全
时间:2026-03-04
S/HS固态继电器原理简介
时间:2026-03-04
稳压二极管的选用和代换
时间:2026-03-04
TVS器件的电特性有哪些
时间:2026-03-04
TVS二极管的分类/应用,TVS二极管的特点/选用...
时间:2026-03-04