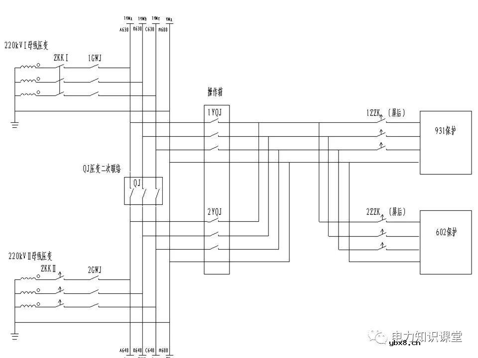
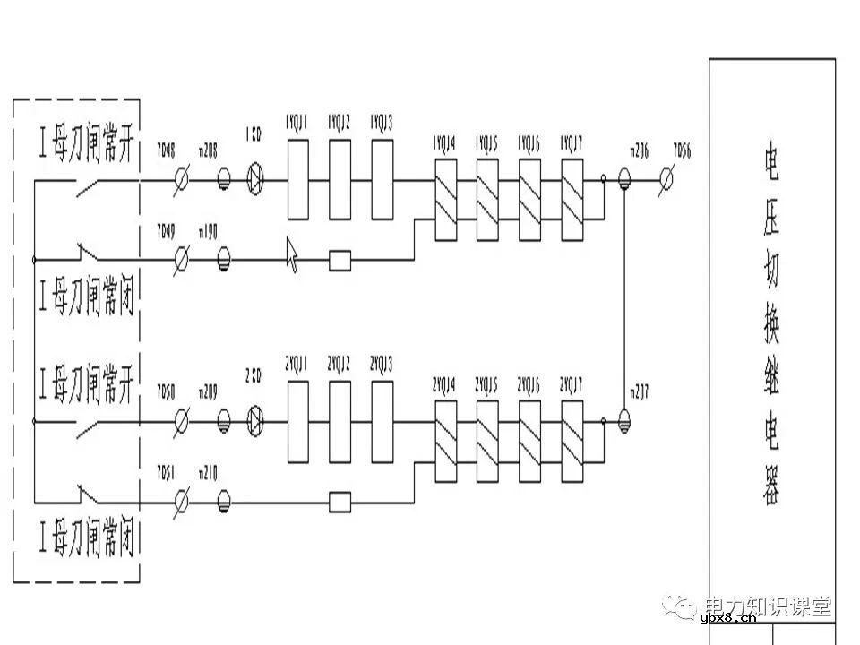
在各级继电保护运行管理规程以及变电站现场运行规程中,都明确规定了系统一次设备倒闸操作时,应特别注意防止电压互感器二次回路向一次设备反充电。所谓反充电就是在倒闸操作过程中,由于操作不认真或操作票有误,造成双母线带电的电压互感器二次回路,与不带电的电压互感器二次回路相并联。
其后果是使带电的电压互感器二次回路空气开关跳开,继而造成所有运行线路的交流二次回路电压消失。这是因为电压互感器相当于一个内阻极小的电压源,在正常情况下电压互感器二次负载是计量表计的电压线圈和继电保护及自动装置的电压线圈,其阻抗很天,工作电流很小,相当于变压器空载运行,故电压互感器二次空气开关容量很小,一般为3A。




















审核编辑:黄飞
相关热词:#智能电网
全文详解电网故障理论 故障录波软件使用技巧
时间:2026-03-05
互感器基础知识大全 电流互感器和电压互感器...
时间:2026-03-05
精密运放如何在功率较低的情况下实现快速多...
时间:2026-03-05
绝缘电阻试验原理及目的分析
时间:2026-03-05
佳能EOS 7D样片赏析与实测(下)
时间:2026-03-05
继电保护及安全自动装置设计要求
时间:2026-03-05
精密运放如何在功率较低的情况下实现快速多...
时间:2026-03-05
电力系统有哪些故障?电力系统不对称故障如...
时间:2026-03-05
全面揭晓电力系统短路故障问题
时间:2026-03-05
锂离子储能电站系统构成、安全预警与保护技...
时间:2026-03-05
配电变压器的工作原理和作用
时间:2026-03-05
低压配电柜进出线方式和接线步骤
时间:2026-03-05
无人机光伏电站智能巡检系统的优势和功能分...
时间:2026-03-05
低压配电柜的防护措施和防护等级
时间:2026-03-05
配电箱的接地规范要求和注意事项
时间:2026-03-05
配电箱的接线方法和接线规范要求
时间:2026-03-05
以太网工业总线控制典型微电网系统方案
时间:2026-03-05
中线安防保护器对电网中三次谐波的治理
时间:2026-03-05
什么是单母线接线?主接线的普遍规律
时间:2026-03-05
智能家居终端在智能电网中如何更安全、舒适...
时间:2026-03-05