STM32中的ADC是逐次逼近型ADC(Successive Approximation ADC),是逐个产生比较电压Vref,并逐次与输入电压分别比较,以逐渐逼近的方式进行A/D转换的。而其中的用来产生Vref的电路就是DAC电路。因此一般DAC电路比较容易设计,而DAC在采样速度和精度的权衡上会比较复杂。

SAR ADC的转换原理是把输入的模拟信号按规定的时间间隔采样(采样),并与一系列标准的数字信号相比较,数字信号逐次收敛,直至两种信号相等为止(量化完成),最后输出代表此信号的二进制数(编码)。
SAR ADC结构
结构上主要包括采样保持电路(S/H),比较器(COMPARATOR,COMP),SAR逻辑控制电路、时钟(CLOCK)和时序(TIMING)控制电路及DAC电路。

S/H电路
为了达到快速的采样,被采样的脉冲宽度一般是很短的,在下一个采样脉冲到来之前,要暂时保持所采得的样值脉冲幅度,以便进行后续转换。所以,在采样电路之后和比较电路之间要加保持电路。它的原理是通过一个开关连接一个电容,通过给电容进行充电来保持模拟信号的幅值信息。

DAC电路
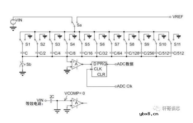
大多SAR ADC的DAC都使用电容式DAC来提供内在的跟踪/保持功能。电容式DAC是采用电荷再分配原理来产生模拟输出电压的。电容式DAC由N个具有二进制权重值的电容器阵列再加上一个“虚拟LSB”电容器组成。
首先通过Sa开关连接VIN,并将所有S1-S11的开关连接到VIN,给所有并联的电容进行充电,这样就将所有电容充满,并且充电电压为VIN。
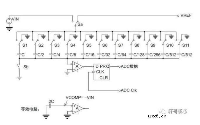
然后通过将Sa开关连接到Vref,并且通过数字信号对应到S1-S11的开关上,也就是关闭一些电容的开关连接到GND上,断开电容,对地放电。
此时对于Vref上的电压就会根据断开电容的容量使得输出电压降低,从而将数字信号转换成一个模拟信号。
电容器阵列容量总量要等于2C。

转换步骤
转换步骤数等于 ADC的分辨率,比如12bits ADC就有12个转换步骤,每个 ADC 时钟产生一个数据位。

采样状态
该状态下,电容充电至电压VIN。Sa切换至VIN,采样期间Sb开关闭合。
保持状态
该状态下,输入断开,电容保持输入电压。Sb开关打开,然后S1-S11切换至接地,且Sa切换至VREF。

转换(量化和编码)状态
该状态下,每个 ADCCLK 执行一个步骤,每一步完成后 ADC 输出一位数。采用二分法进行逐次逼近到 ADC 的精度(位数)。整个转换过程如下图所示。

新型配电网保护控制技术探索
时间:2026-03-05
电气二次回路图及原理
时间:2026-03-05
高压开关柜结构及原理总结
时间:2026-03-05
变电站一次设备接线图综合梳理
时间:2026-03-05
构网型变流器电力电子装备控制典型应用
时间:2026-03-05
含构/跟网型逆变器的电力系统稳定性
时间:2026-03-05
变电一次接线图:变电站主接线和站用电接线...
时间:2026-03-05
全面详解保护接地、接零、漏保
时间:2026-03-05
10kV配电室核心设备功能、作用与重要性
时间:2026-03-05
一文详解变压器结构、试验
时间:2026-03-05
玻璃釉电容器的结构与特点
时间:2026-03-05
表贴电容的分类
时间:2026-03-05
关于STM32WL LSE 添加反馈电阻后无法起振的...
时间:2026-03-05
RI-80F型高压高阻玻璃釉膜电阻分压器
时间:2026-03-05
电阻的标称阻值和允许偏差
时间:2026-03-05
高压电容怎么测好坏_如何提高高压电容寿命
时间:2026-03-05
电容屏也有区别?自电容屏和互电容屏有什么...
时间:2026-03-05
一文读懂,电容器的工作旅程
时间:2026-03-05
如何绕制电感与选择磁芯减小寄生电容
时间:2026-03-05
浅谈高压贴片电容分类与性能参数
时间:2026-03-05