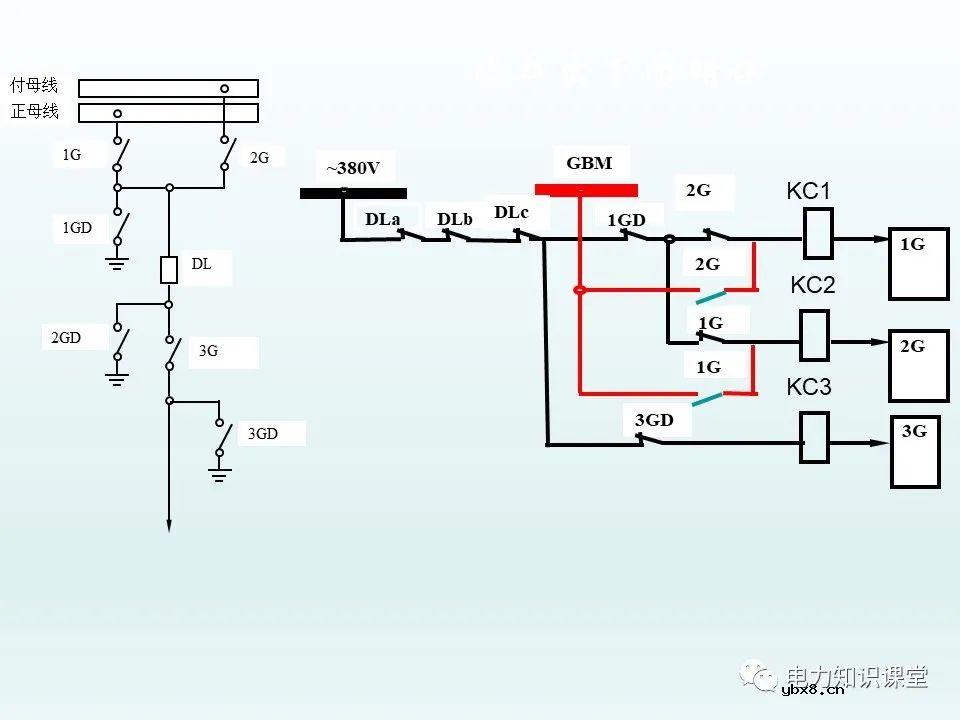
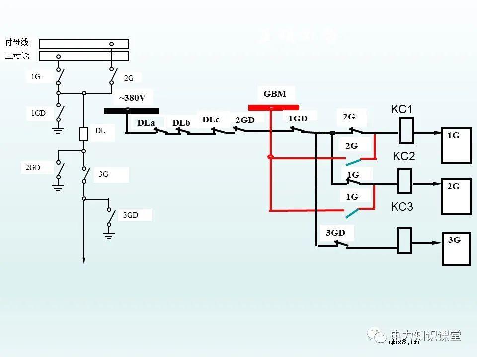
1.隔离开关与断路器串联时,分合回路时的操作顺序是什么?(停电、送电)
2.隔离开关的主刀与接地刀在倒闸操作中的顺序是什么? (检修、送电)
3.当发生误拉、合隔离开关,发现触头间有电弧时应怎样做?








































































编辑:黄飞
相关热词:#智能电网
IoT布局有“道”,看IC厂商如何化繁为“简”...
时间:2026-03-05
基于RFID技术的医疗废弃物管理系统
时间:2026-03-05
三大智能家居技术及其优势解析
时间:2026-03-05
物联网(IoT)所面临的6大挑战
时间:2026-03-05
物联网进化技术:无线连接+智能传感器
时间:2026-03-05
陶瓷电容MLCC失效分析案例
时间:2026-03-05
加快物联网应用的蓝牙® 连接的设计
时间:2026-03-05
人脸识别技术原理解析
时间:2026-03-05
地理围栏是否会是规范无人机飞行的最佳解决...
时间:2026-03-05
什么是物联网?从大数据谈起
时间:2026-03-05
太阳能电池板涂层类型及工艺有哪些
时间:2026-03-05
太阳能电池板的填充因子影响因素和处理方法
时间:2026-03-05
分布式供电的主要优点
时间:2026-03-05
光伏发电的利与弊
时间:2026-03-05
变电站接地系统的结构、用途及应用
时间:2026-03-05
变压器组别接线详细图
时间:2026-03-05
智能电网和微电网介绍
时间:2026-03-05
变电站母线的作用和设计考虑因素
时间:2026-03-05
变电站母线最大工作电流计算和安装
时间:2026-03-05
变电站自动化系统的应用
时间:2026-03-05