1、MOS管简介
功率MOSFET是电压型驱动器件,输入阻抗高,因而开关速度可以很高。功率MOS管的栅极有等效的输入电容CISS。由于CISS的存在,静态时栅极驱动电流几乎为零,但在开通和关断动态过程中,仍需要一定的驱动电流,MOS管的开关速度与驱动源内阻抗有关,开关速度不同影响其实际损耗。
比较常用的MOS管是N型FET管, MOS的特性是Vgs大于一定的值就会导通,栅极电压一般为4V左右,可用查看功率管的规格书。
MOS管的三个管脚之间有寄生电容存在,这不是我们需要的,而是由于制造工艺限制产生的。MOS管导通后都有导通电阻存在,这样电流就会在这个电阻上消耗能量,这部分消耗的能量叫做导通损耗。MOS在导通和截止的时候,一定不是在瞬间完成的。MOS两端的电压有一个下降的过程,流过的电流有一个上升的过程,在这段时间内,MOS管的损失是电压和电流的乘积,叫做开关损失。通常开关损失比导通损失大得多,而且开关频率越快,损失也越大。导通瞬间电压和电流的乘积很大,造成的损失也就很大。缩短开关时间,可以减小每次导通时的损失;降低开关频率,可以减少单位时间内的开关次数。这两种办法都可以减小开关损失。其中缩短开关时间和驱动电路关系密切。
MOS管在GS,GD之间存在寄生电容,而MOS管的驱动,实际上就是对电容的充放电。对电容的充电需要一个电流,因为对电容充电瞬间可以把电容看成短路,所以瞬间电流会比较大。
在不同的MOS管应用场合,需要驱动电路特性也不一样。不同的场合需求与之相应的驱动特性。而驱动电路的拓扑形式往往决定着驱动电路的驱动特性。一般可以把驱动电路的拓扑区分为直接耦合驱动和隔离驱动两种形式。
2、直接耦合驱动
直接耦合驱动是控制电路或驱动信号直接和MOS管进行电气连接,具有电气共共点。控制电路中往往使用集成芯片控制MOS管。输出驱动能力较强的集成芯片输出级一般是图腾柱输出电路,驱动开关速度比较快。可以在20K-80KHZ,一般选择在40K左右运行。有些集成芯片例如UC3844还能够实现一定的环路控制,对于例如CD4001等输出驱动能力有限的集成芯片,其输出会增加一个图腾柱电路以增强对后级电路的驱动能力。
集成芯片直接耦合驱动主要应用于低压、非桥式变换电路中,驱动的MOS管往往是单片独立工作。它的工作特点是简单、可靠、成本低,所以这种集成芯片直接耦合驱动电路大量用于辅助电源和充电器等小功率电路中。

图1

图2

图3
在直接耦合驱动中以图1的形式更具代表性,集成芯片UC3844输出级就是图腾柱电路,所以用它来直接驱动MOS管是有环路控制功能电路的首选。也正因为这种驱动拓扑应用广泛,业界已经把环路控制集成芯片和MOS管集成到一起并形成一种叫TOP SWITCH的通用电路形式。
图2 相对于图1增加了VD1和VD2,VD1是加速关断二极管,其作用是MOS管关断时加速栅极电荷的泻放,目的是减少MOS管关断时间从而减少开关损耗。 VD1比较常用的型号是1N4148、1N5819。VD2是栅源间的电压嵌位稳压管,由于MOS管的栅源之间电压超过20V就有使功率管损坏的风险,所以一般使用例如1N4746的稳压管进行嵌压保护,有时还会增加一个反并联的稳压管来保护反方向的电压冲击。但是在驱动电源比较稳定时,栅源电压波动不会超过20V的情况下,此稳压管也可不加。R2电阻一定是要加的,他的作用是当MOS管和驱动电路断开后,栅源极能够保持有效低电平。防止漏源极增加电压后使栅源级感应出电压并导通后致使功率管损坏。
MOS管的输入电容Ciss可取值5000pF,电阻在3K到50K的电阻值都可以选择,其时间常数为若干uS。
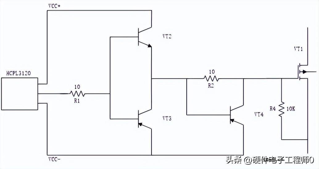
图3相比图1和图2,增加了VT2和VT3组成的图腾柱电路,图腾柱电路就是推挽输出电路。图腾柱就是上下各一个三极管,上管为NPN,c极(集电极)接正电源,下管为PNP,c极(集电极)接地。两个b极(基极)接一起,接输入,上管和下管的e极(发射极)接到一起,接输出,像一个“图腾柱”。用同一信号驱动两个b极。驱动信号为高时,NPN导通;信号为低时,PNP导通。利用两个晶体管构成推挽输出以增强驱动能力。
3、隔离驱动
在电路电气的隔离设计中通常使用的电气隔离手段是磁隔离和光隔离。磁隔离需要设计合适的变压器,光隔离需要选择合适的光耦器件。MOS管的隔离驱动是应用在大功率的多管桥式变换电路中,当功率电路要求和控制电路必须隔离时也必须采用隔离驱动的设计。

图4
图4是一个采用正激隔离变压器实现电气隔离的驱动电路。控制芯片采用了UC3844,其输出为高电平时,输出电流经过R4、C1给变压器初级线圈励磁。次级线圈为高电平输出,通过驱动电阻R1来驱动MOS管导通。
当UC3844为低电平输出时,变压器磁场不能马上突变,即通过VD2、R4、C1回路来进行磁复位,此时次级绕组为反向电压输出,对栅极电荷进行迅速抽离,随着变压器磁复位结束栅源电压变为0V,3844的输出占空比最大为50%也能保证足够磁复位时间。C2的作用是,使交流成份不流入线圈;吸收电感两端的尖峰电压。增加R3是为了防止次级线圈和C2产生自激振荡,这和驱动电阻R1的作用是类似的。在驱动电平处理比较好的驱动电路中,R3、C2是可以去掉的,这时需要调节R1使驱动波形不至于产生共振干扰,同时还要满足一定的驱动效果,比如合适功率管应力指标以及合适的功率管发热。
采用隔离变压器驱动电路主要应用于单管需要隔离的小功率电路,也会应用到双功率管电路中,一般场景是驱动时序要求一样并且功率管之间需要隔离。 为了保证磁复位占空比不能超过50%。采用隔离变压器需要避免次级绕组电感和输出端寄生电容形成谐振,驱动波形需要适当的滤波和限幅保护。当驱动脉宽较窄时,由于是储存的能量减少,在关断续流时输出感应负电压较低,导致MOS管栅极的关断速度变慢。
在大功率电路桥式多管使用场景里,采用上面隔离驱动变压器的驱动方案显然不大合适。但桥式多管电压变换中驱动也是需要隔离的。除了直接使用MOS管驱动变压器实现隔离之外,还可以使用隔离驱动电源加隔离驱动信号来实现。这种隔离驱动除了要求有独立的驱动电源,还要求驱动脉冲的隔离。
如下图5是隔离电源电路而图6利用光耦进行驱动脉冲的隔离。图5的隔离电源是通过脉冲发生芯片CD4093产生固定占空比的驱动脉冲,输出给图腾柱电路后直接给正激变压器,正激变压器输出在整流后通过电容的滤波以及稳压管的稳压形成稳定的驱动电压。隔离电源可以设计成双电源也可以设计成单电源。双电源就是可以实现正、负两个极性的驱动输出。对于MOS管来说负电源意味着有效快速的进行功率管关断,并且可以避免驱动干扰所引起的误开通,所以对于大功率桥式电路中大多采取双电源。单电源就是关闭的时候驱动输出是0V低电平,对于非桥式、功率小以及驱动干扰不大的场合也可选择单电源工作。直接耦合驱动拓扑一般采用单电源驱动形式。

图5
图6光耦的左侧是控制电路,驱动信号来自控制芯片。右侧使用隔离的双电源,同时增加一级图腾柱电路来驱动MOS功率管。MOS管的源极是隔离电源的“地”,而栅极地驱动波形将是相对于“地”的正或负脉冲。VD2是一个电压嵌位二极管用于保护MOS管栅源之间的电压过冲。VD1是加速关断二极管。

图6
4、关断加速电路
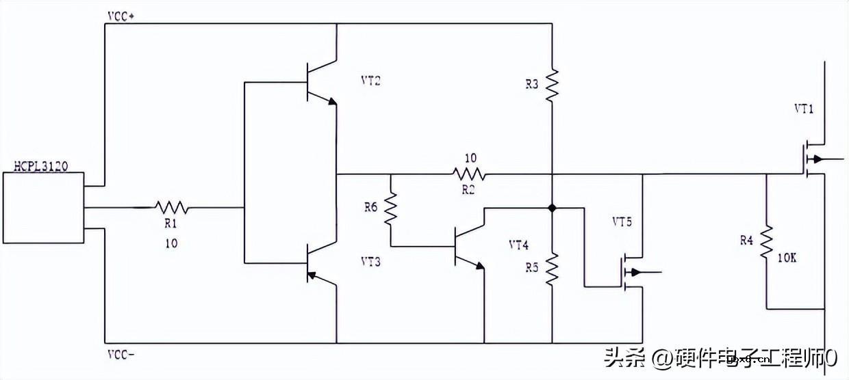
为了减少MOS管关断时间从而减少开关损耗,驱动电路会要求关断时快速抽取栅极电荷,此时驱动回路需要一个低阻抗回路。如图2中的VD1是快速关断二极管,在关断时它直接短路掉和它并联的驱动电阻,使得驱动回路的阻抗降低从而快速将栅极电荷抽走。在驱动电阻上并联一个二极管就是一种关断加速电路,有时候二极管可以串联一个合适的电阻,最终达到MOS管开通和关断不同的工作状态从而满足设计要求,如下图7中VD1、R3所示。
图7中虽然通过增加二极管减少驱动电路的阻抗,但二极管、三极管导通压降以及导通电阻还是存在的,回路阻抗减小有一定的限度。如下图8中VT4管的存在是增加了MOS管栅极到低电平的回路,VT4可以选择三极管,但三极管的导通需要基极偏置,三极管不能工作完全饱和状态,抽取电荷的能力也是有限的。可以选择小容量MOS管来代替三极管,但这个MOS管需要一个电平的转换以使和实际驱动信号的相位相反。由于MOS管是电压驱动,并能够运行在饱和导通状态,把功率MOS管的电荷迅速抽走,如下图9所示。

图8

图9
关断加速还有一个更简单有效的方法就是使用足够低的负电源关闭,所以解决措施要根据实际需要和效果来定,可以是一个方案也可以是多个方案,更可以进行适当的电路变种。总体来说就是减小回路阻抗,增大抽取电流两个方面。
5、总结
本文通过图例介绍了MOS管驱动拓扑的类别,对于不同的使用场景MOS管所需的的工作特定要求也是不同的。在实际选用时可以在这些介绍的电路基础上进行演化,以适应指定MOS管使用要求。
审核编辑:刘清
一文讲懂开关电源的阻尼振荡
时间:2026-03-05
使用过滤器电容器和诱导器来抑制受辐射的EM...
时间:2026-03-05
智能硬件遭遇销量困局 看社区O2O如何破解
时间:2026-03-05
物联网新时代,关于安全的5大错误认知
时间:2026-03-05
智能停车场一体化控制器方案简述
时间:2026-03-05
ZigBee应用于智能家居是否存在严重漏洞?
时间:2026-03-05
推动物联网发展,供电是基础设备的生命线
时间:2026-03-05
楼宇对讲走向标准化 四大发展方向明确
时间:2026-03-05
最帅“黑”科技:让普通手机可扫描3D
时间:2026-03-05
未来的智能住宅是什么样的?
时间:2026-03-05
玻璃釉电容器的结构与特点
时间:2026-03-05
表贴电容的分类
时间:2026-03-05
关于STM32WL LSE 添加反馈电阻后无法起振的...
时间:2026-03-05
RI-80F型高压高阻玻璃釉膜电阻分压器
时间:2026-03-05
电阻的标称阻值和允许偏差
时间:2026-03-05
电容在交流电路中是怎样工作的?
时间:2026-03-05
高压电容怎么测好坏_如何提高高压电容寿命
时间:2026-03-05
电容屏也有区别?自电容屏和互电容屏有什么...
时间:2026-03-05
一文读懂,电容器的工作旅程
时间:2026-03-05
如何绕制电感与选择磁芯减小寄生电容
时间:2026-03-05