
































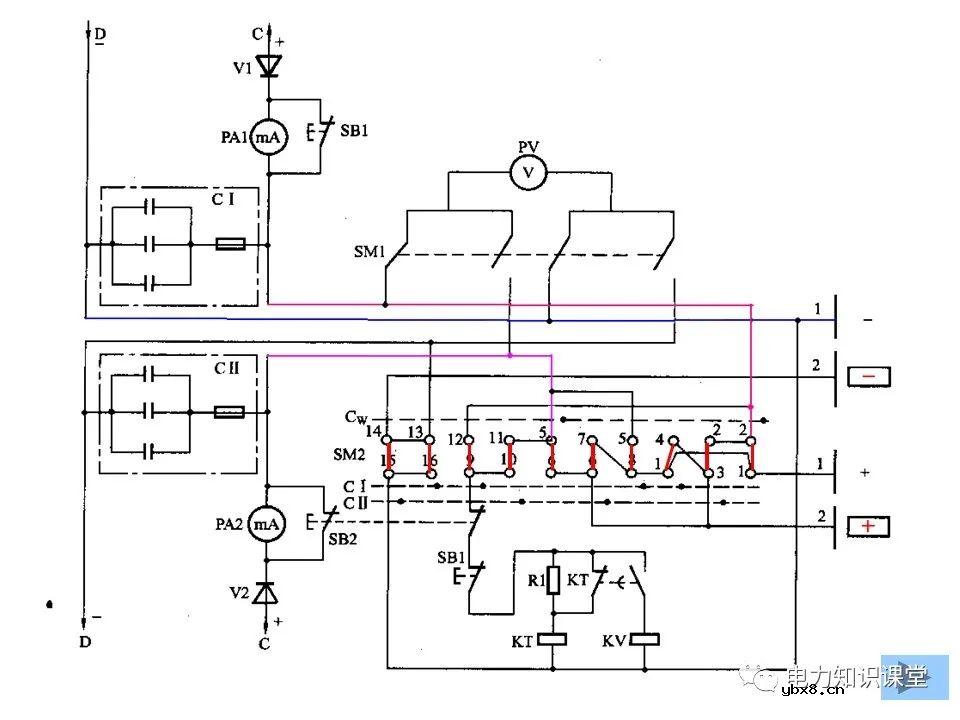
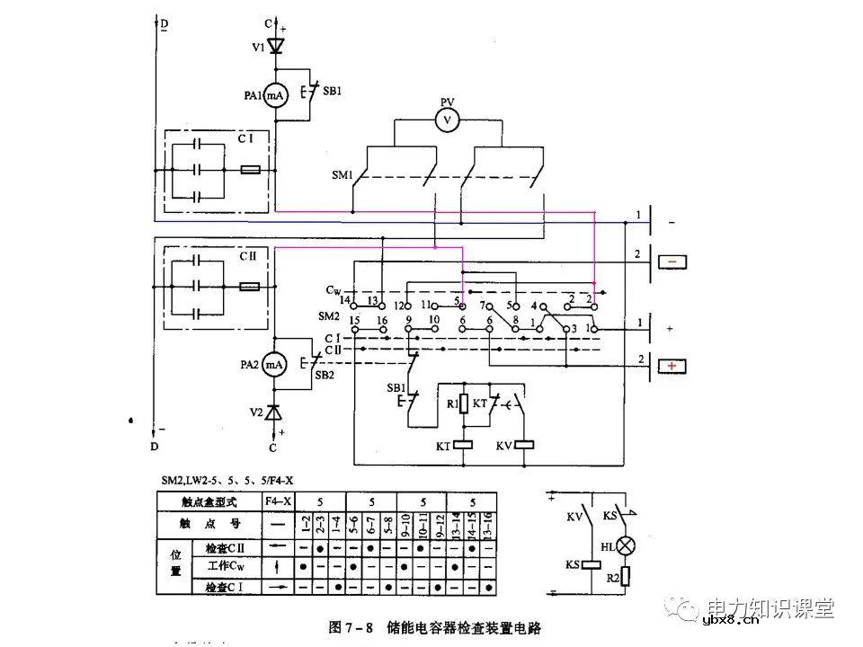
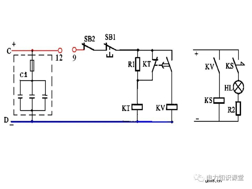
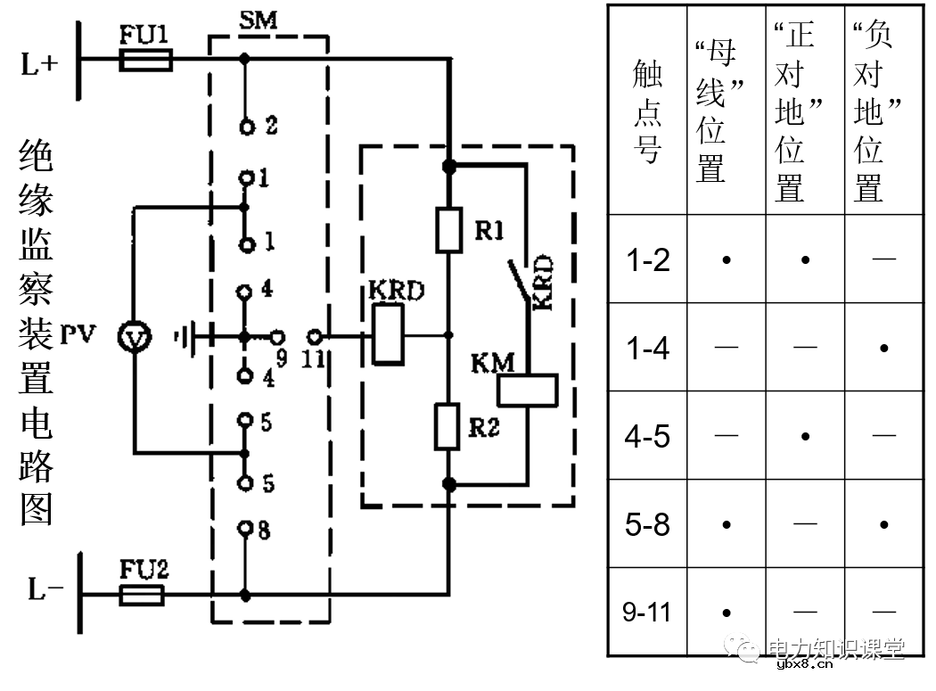
直流系统正常运行时,SM置于“母线”位置,R+=R- ,又R1=R2,所以电桥平衡,在KRD线圈中只有很小的不平衡电流,因此继电器KRD不会动作。当某一极母线的绝缘电阻下降至低于允许值时,电桥失去平衡,当KRD线圈中流过的电流足够大时,KRD动作,其常开触点闭合,启动KM,发预告信号。






编辑:黄飞
相关热词:#智能电网
太阳能电池板涂层类型及工艺有哪些
时间:2026-03-05
太阳能电池板的填充因子影响因素和处理方法
时间:2026-03-05
分布式供电的主要优点
时间:2026-03-05
光伏发电的利与弊
时间:2026-03-05
变电站接地系统的结构、用途及应用
时间:2026-03-05
变压器组别接线详细图
时间:2026-03-05
智能电网和微电网介绍
时间:2026-03-05
变电站母线的作用和设计考虑因素
时间:2026-03-05
变电站母线最大工作电流计算和安装
时间:2026-03-05
变电站自动化系统的应用
时间:2026-03-05