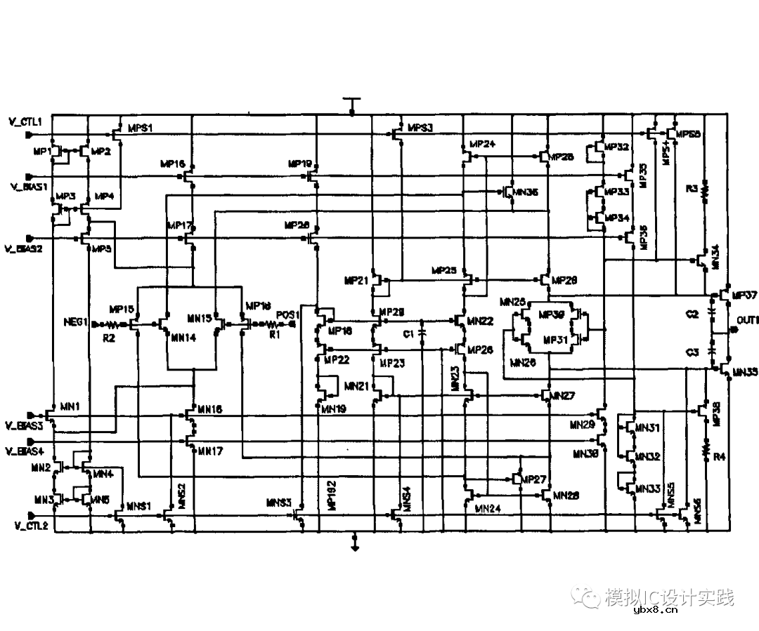
介绍一个3:1电流镜的两级Miller补偿轨到轨运算放大器及其设计要点。图1和图2分别为偏置启动电路和运放的主体结构。
基本原理:
3:1为nmos和pmos的迁移率之比,切换电流镜设置成这个比例以补偿共模电压变化情况下的gm变化,保持总的Gm=gmp+gmn=2gm。

图1 偏置启动电路

图2 轨对轨放大器主体电路
设计要点:
1.要注意图1中启动电路的BJT位vertical管,这是一个工艺上的使用限制
2.图2运放主体中的电流切换结构及其偏置方法是保持跨导恒定的关键
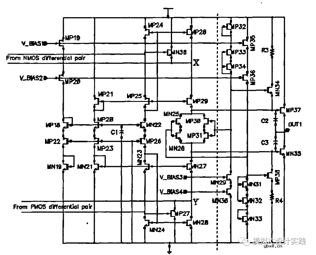
3.图3晶体管MP27和MN36是钳位电路,防止X/Y两点的电位在出现Slew的情况下偏离原始值太大,即fast recovery电路

图3 浮动电流源偏置及输出级Class AB控制
4.注意MP26的栅极不一定接地,可以根据需要调整;C1大约为1pF滤波,防止偏置电路的纹波耦合进入MP24;
5.频率补偿电容不一定完全使用图中的简单Miller(SMC),而是Cascode补偿与调零补偿混用,提升PSRR同时保证运放的稳定性足够;设计Cascode补偿必须保证Cascode管足够的gm;
6.浮动电流源偏置的输出级需要额外的钳位电路R3、MN34来弱化浮动电流源有限的输出阻抗导致的PSRR问题
玻璃釉电容器的结构与特点
时间:2026-03-05
表贴电容的分类
时间:2026-03-05
关于STM32WL LSE 添加反馈电阻后无法起振的...
时间:2026-03-05
RI-80F型高压高阻玻璃釉膜电阻分压器
时间:2026-03-05
电阻的标称阻值和允许偏差
时间:2026-03-05
电容在交流电路中是怎样工作的?
时间:2026-03-05
高压电容怎么测好坏_如何提高高压电容寿命
时间:2026-03-05
电容屏也有区别?自电容屏和互电容屏有什么...
时间:2026-03-05
一文读懂,电容器的工作旅程
时间:2026-03-05
如何绕制电感与选择磁芯减小寄生电容
时间:2026-03-05