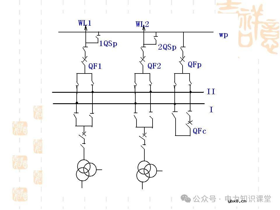
变电站主接线和站用电接线运行
在发电厂和变电站中,由各种一次电气设备及其连接线所组成的输送和分配电能的电路,称为电气一次回路。
·电气一次回路中电气设备根据它们的作用,按照连接顺序,用规定的文字和符号绘成的图形称之为电气主接线图。



























































审核编辑:黄飞
相关热词:#智能电网
一文讲懂开关电源的阻尼振荡
时间:2026-03-05
使用过滤器电容器和诱导器来抑制受辐射的EM...
时间:2026-03-05
智能硬件遭遇销量困局 看社区O2O如何破解
时间:2026-03-05
物联网新时代,关于安全的5大错误认知
时间:2026-03-05
智能停车场一体化控制器方案简述
时间:2026-03-05
ZigBee应用于智能家居是否存在严重漏洞?
时间:2026-03-05
推动物联网发展,供电是基础设备的生命线
时间:2026-03-05
楼宇对讲走向标准化 四大发展方向明确
时间:2026-03-05
最帅“黑”科技:让普通手机可扫描3D
时间:2026-03-05
未来的智能住宅是什么样的?
时间:2026-03-05
太阳能电池板涂层类型及工艺有哪些
时间:2026-03-05
太阳能电池板的填充因子影响因素和处理方法
时间:2026-03-05
分布式供电的主要优点
时间:2026-03-05
光伏发电的利与弊
时间:2026-03-05
变电站接地系统的结构、用途及应用
时间:2026-03-05
变压器组别接线详细图
时间:2026-03-05
智能电网和微电网介绍
时间:2026-03-05
变电站母线的作用和设计考虑因素
时间:2026-03-05
变电站母线最大工作电流计算和安装
时间:2026-03-05
变电站自动化系统的应用
时间:2026-03-05