电路拓扑式建模与数学建模
Q
在讨论逆变器模型之前,我们需要先明确一个问题,什么是电路拓扑式建模(简称拓扑建模)和数学建模?
电力电子系统的拓扑建模,从大类上都可以归入物理式建模(Physics-Based Modeling),物理式建模的最大特点就是用户一般通过拟物化的方式,例如电路拓扑图、机械结构图等建立对象的模型,而数学建模一般是通过数学方程。
最典型的物理式建模工具就是Simulink环境下的Simscape工具箱,可以建立机、电、液、热、磁等的物理模型,其下面的Simscape Electrical工具箱就是专门为电力电子系统的建模而设计的。在Simscape Electrical工具箱下面有一个Specialized Power System工具(原名称SimPowerSystem),两者的差异如下图所示:

Simscape vs. Specialized
通过下图来说明电路拓扑式建模和数学建模的差别。

拓扑建模和数学建模的过程
拓扑建模根据电路图,直接使用Simscape Electrical或者Specialized Power System搭建电力电子系统的电路模型即可,然后利用仿真软件自动得到数学模型,再在Simulink中进行仿真,得到仿真结果。
数学建模根据电路图,先通过人工的方式得到其数学方程(例如微分方程、差分方程、状态机),然后利用Simulink的基本模块(例如乘、加、判断、选择、积分)搭建数学模型,再在Simulink中进行仿真,得到仿真结果。
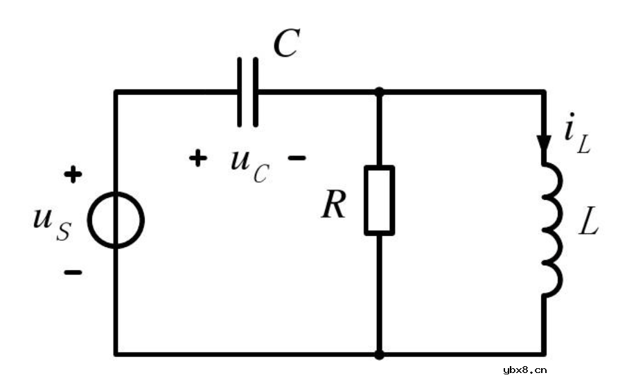
以下面二阶电路为例:

拓扑建模
在Specialized Power System中直接搭建模型:

运行仿真,得到仿真结果,电感电流和电容电压。

拓扑模型仿真结果
数学建模
得到电路的数学方程:

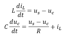
搭建数学模型:

运行仿真,得到仿真结果,电感电流和电容电压。

数学模型仿真结果
我为什么选择数学建模
Q
Simulink中的SimscapeElectrical和Specialized Power System模型库,包含了很多电力电子和电机的模块,直接就能使用,我们为什么还要选择费时费力的数学建模,使用最基本的Simulink模块来搭建这些模型呢?
原因如下:
SimscapeElectrical和Specialized Power System模型库都是黑盒的,只能使用,不能进行二次修改。
自己开发的模型,都是白盒的,可以很方便的增加新特性,例如电机的饱和特性、谐波特性,齿槽转矩,温度变化,损耗等,让你的仿真系统越来越符合实际系统。
自己在研究物理对象的数学方程过程中,进一步加深了对物理对象的理解,此外这些数学方程对于设计控制算法非常有帮助。
Specialized Power System模块库中的模型不能下载至FPGA中运行,而使用最基本的Simulink模块开发的模型不仅可以下载至CPU中运行,而且可以下载FPGA中运行。
随着SiC等器件的出现,电力电子系统的开关频率越来越高,自己开发的模型可以一般占用的资源更小和运行的速度更快,满足大规模数量、兆赫兹开关频率等仿真的需求。
自己开发的模型不受平台的限制,通过Simulink Coder工具生成C代码,可以运行在几乎所有的处理器中,通过HDL Coder工具生成HDL代码,可以运行在几乎所有的FPGA中。
总之电力电子系统总是在不断发展的,还有很多部件在Specialized Power System中都是没有的,例如,多相感应电机,双三相永磁电机,直线感应电机,直线同步电机。但是只要你掌握了最重要的原理和方法,就能满足电力电子系统仿真千变万化的需求。当然这也对个人能力提出了更高的要求。
三相两电平逆变器
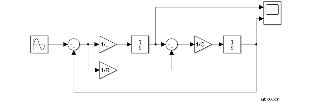
三相两电平逆变器是应用最广泛的电力电子拓扑之一:电机驱动器,光伏逆变器,风电变流器,静止无功补偿器,有源滤波器等,应用到各个行业。拓扑结构如下图所示,由6个全控开关器件和6个反向并联的续流二极管组成,每2个全控开关器件和2个反向并联的续流二极管组成1个H半桥,一共3个H半桥。目前最常用的全控器件为IGBT和MOSFET。

三相二电平逆变器拓扑(以IGBT示意)
电力电子器件的特性
以Infineon的HybridPACK Drive Module中的FS820R08A6P2B的Datasheet为例,理解IGBT(MOSFET类似)的哪些特性是可以实时仿真的,哪些是很难实时模拟的。
客户经常会问,我希望仿真器件开通和关断过程的波形。
但是这个很难实时模拟,因为这个过程与器件本身的特性(结电容,结温等)、驱动电路(驱动电阻等)、外围电路(低感母排的结构),模块内部的结构(键合线等),输入的电流、反向电压等有关。

IGBT开通和关断过程波形
此外,从FS820R08A6P2B的Datasheet中关于时间的描述,可以看出基本上这个过程都是几十个纳秒,就算使用FPGA,仿真步长也需要上百纳秒。


客户经常会问,我希望仿真器件的损耗。
我们知道电力电子器件损耗包括:通态损耗、断态损耗、开通损耗、关断损耗,这个同样很难实时模拟,原因和上面那个问题是一样的。但是这里有一个折中的办法,就是客户已经测试并得到了此型号器件在不同电流、电压、温度下的损耗数据,那么在实时仿真时,可以直接同Look up table查表得到。
可以实时仿真的电力电子器件的特性如下:
1.开通延时,通过delay模块实现

2.关断延时,通过delay模块实现

3.稳态下的导通饱和压降,可以同Look up table或者线性函数实现


IGBT和快速恢复二极管的饱和压降
确定了仿真模型的需要模拟的特性,下面开始建模。
两电平H半桥的数学模型
H半桥是组成三相两电平逆变器的基本拓扑结构,因此首先建立两电平H半桥的数学模型。以x相(x为a,b或c)为例,分析开关控制信号、电流的流向与输出电压之间的关系,得到下图:

图中:

将上图的关系整理放入下表:
表1 两电平H半桥输入输出关系表

注:
(1) v_open为 T_hs_x和T_ls_x为0状态,并且i_x无电流时的输入电压;
(2) Vce为IGBT的导通饱和压降;
(3) Vfd为反并联二极管(FRD)的导通饱和压降;
两电平H半桥的Simulink实现
定义两电平H半桥的输入输出和参数
表1 In ports

表2 Out ports

表3 Parameters for Two Levels H Half Bridge

Simulink模型的搭建比较简单,使用Multiport Switch模块,实现“表1 两电平H半桥输入输出关系表”的功能即可,在此不再累述。
突破人形机器人控制器性能瓶颈:高效稳定的...
时间:2026-03-05
一文讲懂开关电源的阻尼振荡
时间:2026-03-05
使用过滤器电容器和诱导器来抑制受辐射的EM...
时间:2026-03-05
智能硬件遭遇销量困局 看社区O2O如何破解
时间:2026-03-05
物联网新时代,关于安全的5大错误认知
时间:2026-03-05
智能停车场一体化控制器方案简述
时间:2026-03-05
ZigBee应用于智能家居是否存在严重漏洞?
时间:2026-03-05
推动物联网发展,供电是基础设备的生命线
时间:2026-03-05
楼宇对讲走向标准化 四大发展方向明确
时间:2026-03-05
最帅“黑”科技:让普通手机可扫描3D
时间:2026-03-05
玻璃釉电容器的结构与特点
时间:2026-03-05
表贴电容的分类
时间:2026-03-05
关于STM32WL LSE 添加反馈电阻后无法起振的...
时间:2026-03-05
RI-80F型高压高阻玻璃釉膜电阻分压器
时间:2026-03-05
电阻的标称阻值和允许偏差
时间:2026-03-05
穿芯电容的形式_穿芯电容应用
时间:2026-03-05
电容器运行时温度过高的原因有哪些
时间:2026-03-05
固态电容的作用_固态电容的优点
时间:2026-03-05
电容在交流电路中是怎样工作的?
时间:2026-03-05
高压电容怎么测好坏_如何提高高压电容寿命
时间:2026-03-05