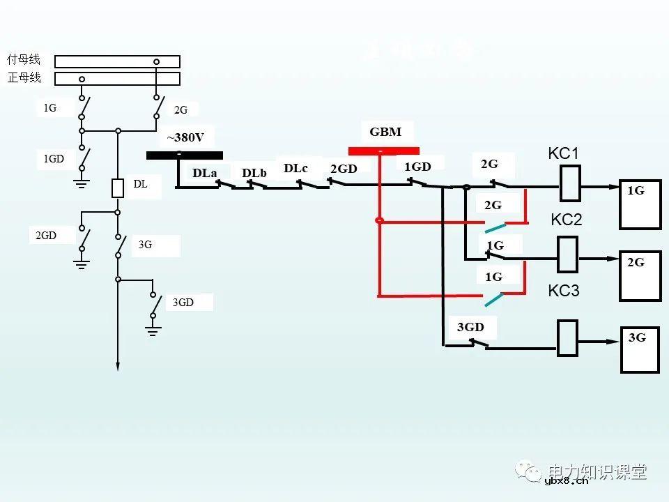
1.隔离开关与断路器串联时,分合回路时的操作顺序是什么?(停电、送电)
2.隔离开关的主刀与接地刀在倒闸操作中的顺序是什么? (检修、送电)
3.当发生误拉、合隔离开关,发现触头间有电弧时应怎样做?








































































编辑:黄飞
相关热词:#智能电网
突破人形机器人控制器性能瓶颈:高效稳定的...
时间:2026-03-05
一文讲懂开关电源的阻尼振荡
时间:2026-03-05
使用过滤器电容器和诱导器来抑制受辐射的EM...
时间:2026-03-05
智能硬件遭遇销量困局 看社区O2O如何破解
时间:2026-03-05
物联网新时代,关于安全的5大错误认知
时间:2026-03-05
智能停车场一体化控制器方案简述
时间:2026-03-05
ZigBee应用于智能家居是否存在严重漏洞?
时间:2026-03-05
推动物联网发展,供电是基础设备的生命线
时间:2026-03-05
楼宇对讲走向标准化 四大发展方向明确
时间:2026-03-05
最帅“黑”科技:让普通手机可扫描3D
时间:2026-03-05
中线安防保护器对电网中三次谐波的治理
时间:2026-03-05
什么是单母线接线?主接线的普遍规律
时间:2026-03-05
智能电网包括什么?它的先进性和优势是?
时间:2026-03-05
太阳能电池板涂层类型及工艺有哪些
时间:2026-03-05
太阳能电池板的填充因子影响因素和处理方法
时间:2026-03-05
分布式供电的主要优点
时间:2026-03-05
光伏发电的利与弊
时间:2026-03-05
变电站接地系统的结构、用途及应用
时间:2026-03-05
变压器组别接线详细图
时间:2026-03-05
智能电网和微电网介绍
时间:2026-03-05