如何校准笔记本电脑的电池
对于使用,究竟要用到百分之多少再充电应该说没有过多的讲究,因为这样话用户会变得很被动,实际电池也没那么娇贵。
至于使用AC时电池是放在机器上还是拿下来也都随你便了。笔记本电脑的电路控制比手机要好很多,充满电之后它会自动切断充电回路并且进行小电流循环以维持电池的电量状态,电路控制设计好的机器都是在电量低于95%才开始充电的,所以你不用担心诸如电池插上去会无限期充电的鬼说法;如果拿下来保存呢,建议大家在电池外面套上一层保鲜膜,这样可以隔绝灰尘,并且放在阴凉的地方,然后定期的拿出来用一下,充充电,以避免电池丧失活性。
另外还有一个问题大家问的也比较多,那就是究竟是否有必要校准电池,如何校准电池?答案是有必要的,因为电池在使用和充电中的不稳定因素会造成电池的容量下降,但这种下降并不是由于老化而造成,所以适当的进行校准是可以使这部分丢失的容量恢复的。因此定期进行电池校准工作是非常有必要的一件事情,比如1-2月一次。
像Compaq和IBM这样笔记本电脑自身就在BIOS或电源管理程序中提供了电池校准功能,所以使用这两个品牌的朋友可以照提示操作即可。对于那些没有提供这个功能品牌的用户可以遵照我下面的步骤:
1.将屏幕保护设置为“无”
2.在Windows电源管理中将电源使用方案设置为“一直开着”,并且将下面的关闭设备相关菜单全部设置为“从不”
3.在警报选项卡中将“电量不足警报”设置为10%,操作设置为“不进行任何操作”;将“电量严重短缺警报”设置为3%,操作为“待机”
4.屏幕亮度调到最高
5.确认关闭了所有的窗口,并且保存了所有之前工作的数据
6.确认电池充电在80%以上后,拔掉电源和一切外接设备,此时如果屏幕亮度自动降低,那么请将它打到最亮
OK,你可以去睡觉了,放电结束后笔记本会自动关机,之后将电源插上让笔记本充电,注意一定要等完全充满后再开机,然后将电源方案恢复到校准之前的设置。
这样做的目的是让电池持续小电流放电,而这种放电状态在我们的日常使用中是不可能达到的,因为正常状态我们难免进行各种会使电流上上下下变动的操作。
IBM,SONY这样的机器可以检测到电池前后的容量变化,其他机器可以下载一个叫batterymon的程序来查看,你会发现,容量在一点一点恢复了,不过这里提醒的是,如果你的电池已经因为过度使用而老化,那这种治标不治本的方法也是一点用都没有了。
这个方法同样建议那些刚刚新机到手的朋友使用,一般Li电池在投入使用前最好按照这个方法作2-3次,这样才能最大可能的使电池以最优性能投入岗位。
正脉冲输出的微分电路图
时间:2026-03-06
使用NE555制作的单键双稳电子开关
时间:2026-03-06
人体红外线探测报警器
时间:2026-03-06
自动洗手器电路图,(热释电红外控制技术,自感...
时间:2026-03-06
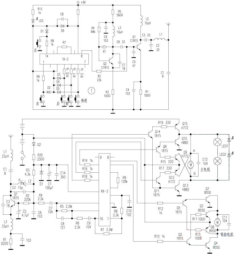
遥控玩具车电路图
时间:2026-03-06
用LM567制作红外线遥控开关电路
时间:2026-03-06
浅谈常用变压器的种类与特点
时间:2026-03-06
环形变压器原理知识介绍图解
时间:2026-03-06
浅谈高频变压器绕线方法
时间:2026-03-06
解析变压器线圈五种绕线方法
时间:2026-03-06
瞬间抑制二极管(TVS)/瞬间抑制二极管(TVS)是...
时间:2026-03-04
什么是EPIC
时间:2026-03-06
什么是追踪缓存/转接卡?
时间:2026-03-06
什么是Speculative execution/SQRT?
时间:2026-03-06
什么是联合并行处理二级缓存?
时间:2026-03-06
什么是霍尔传感器
时间:2026-03-05
技术前沿:让我们来谈一谈封装
时间:2026-03-05
半导体材料的主要种类有哪些?
时间:2026-03-04
高级封装,高级封装是什么意思
时间:2026-03-04
数字比较器,数字比较器是什么意思
时间:2026-03-04