变压器的检测方法
时间:2026-03-06
变压器嗡嗡的声音从哪里来?
时间:2026-03-06
卡罗拉双擎旋变变压器工作原理
时间:2026-03-06
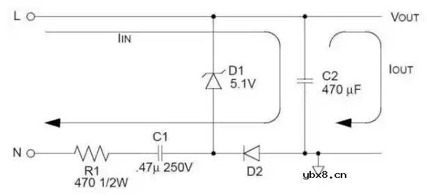
小功率无变压器电源设计
时间:2026-03-06
变压器在运行中有哪些损失?怎样减少损失?
时间:2026-03-06
DTMF信号无线遥控电路
时间:2026-03-06
超声波遥控电路图
时间:2026-03-06
单片机制作的6位数字钟
时间:2026-03-06
5G7556CMOS时基电路内部等效电路图
时间:2026-03-06
555等效功能电路图
时间:2026-03-06
瞬间抑制二极管(TVS)/瞬间抑制二极管(TVS)是...
时间:2026-03-04
什么是EPIC
时间:2026-03-06
什么是追踪缓存/转接卡?
时间:2026-03-06
什么是Speculative execution/SQRT?
时间:2026-03-06
什么是联合并行处理二级缓存?
时间:2026-03-06
什么是霍尔传感器
时间:2026-03-05
技术前沿:让我们来谈一谈封装
时间:2026-03-05
半导体材料的主要种类有哪些?
时间:2026-03-04
高级封装,高级封装是什么意思
时间:2026-03-04
数字比较器,数字比较器是什么意思
时间:2026-03-04