行输出变压器,也叫逆程变压器,包含低压,高压绕组;行回扫变压器,俗称高压包,行变。是以显像管为显示设备的电器中,最重要的元件。它提供显像管所需要的各种电压,有的还提供其他电路需要的脉冲信号。
把行频电流升压,然后经多个二极管和电容,倍压整流成20000V左右的高压直流电,结构图用来吸引显像管电子枪发射出的电子束,以保证电子束可以有效打到屏幕上成像。之所以为了产生这么高电压,是因为屏幕要有足够亮度,电子运动速度越快,亮度越高,所以屏幕越大电压越高。
实际上对黑白电视机来说,【高压包】是指【高压绕组】。统称的【高压包】引脚,有行扫描电路【回扫】主电路(作为高压包的能量来源)、反馈电路、辅助电源输出电路、高压输出电路等等所需的所有引脚,其中有公共端和公共带抽头绕组,高压输出绕组往往是单独的线圈(带整流升压元件)。具体要看不同【高压包】的引脚定义。黑白电视机的高压包输出电压可以达到7000~9000V(一般屏幕都比较小),也有大屏幕的,输出高压达10000V以上。显像管里电子枪里发射出的热电子,轰击屏幕上的荧光粉,荧光物质就会发光。电子的速度越大,亮度就越大。要提高电子运行的速度,只有建立正负相吸的电场。高压包里输出的交流电经过整流,可以建立正极在前的高压电场,电子在这个电场里得到加速,图象就有了足够的亮度。

结构图
输出高压直流电,就是高压包的作用。
这个作用在CRT电视机里,是完全一样的。
我们在代换行输出变压器之前,首先应了解行变在不同机型中的区别和差异,不同的彩电,行扫描输出级的设计、调试参数以及外围使用的元件均不相同,所以行变的参数就有差别,虽然有的彩电电路结构、行变绕组的组数、外围电路相近似,但代换结果往往难以重现正常的光栅,甚至会造成元件损坏、显像管报费。在代换中,哪些参数是主要的、哪些是次要的,都需要行输出电路来决定。行变的主要参数有以下几点:
a.行供电电压的差别
目前的大屏幕彩电和高清彩电的行变代换要困难一些。22英寸以上显像管的偏转角为110°~118°,因此行扫描电路的功耗约在60W-80W之间,对于大屏幕大功耗彩电而言,行扫描电路的供电电压自然也就提高了许多,以在此功耗下减小行电流。因为行电流越大,由半导体器件饱和压降引起的非线性失真也越大,要获得良好的扫描线也就越困难。所以,无论何种品牌的电视机(采用16英寸以上显像管)行扫描的供电差不多都在100V以上。供电电压的不同,决定了行变的初级阻抗。当采用同样的显像管及相同阻抗的偏转线圈时,只要行供电电压相近,其行变初级阻抗必然也相近。就22英寸彩电而言,其行供电多在100V~115V之间,相差最多为15%左右,因此其行变初级阻抗也相差不大。而25英寸~34英寸彩电,行供电一般为115V~145V,若对行变进行代换,应选用设计行供电电压相近似的产品。如电压相差过大,则会出现行电流过大、行幅不满等现象,会给调试带来麻烦。若行供电电压差别在10V以内时,可以直接代换。
b)不同显像管对行变参数的要求
对于同属110°左右偏转角的显像管来说,只要管颈相同,其偏转功率差异取决于超高压的高低。而管颈不同,偏转功率也相差较大,偏转线圈参数的差别也较大。一般而言,管颈越粗,其偏转灵敏度越低,需要的偏转功率也越大,因此行变设计参数也就不同。而管颈相同仅屏幕尺寸不同,其功率差别取决于超高压的电压值。实际上,25英寸和29英寸的超高压仅相差2kV~4kV,其功耗相差不到5W。如果管颈不同,即使屏幕尺寸相同,其功耗也不同。因此偏转角和管颈是重要因素。偏转功率不同,偏转线圈差异也较大,其行变设计也有较大的区别。因此,选择行变代用品,除要注意原设计使用的供电电压外,还必须注意配用显像管的偏转角和管颈直径,应尽量选用相同偏转角和管颈显像管的行变作为代换品,以减少调试中的麻烦。
一般22英寸~29英寸110°偏转角的显像管,行偏转线圈多在1.5mH~2.5mH之间、直流电阻约为1.8Ω~2.5Ω。当偏转线圈使行幅达到要求,或容易损坏行输出管,必须认真对待之。
c)行逆程供电电压及组数的差别
在这里,我们单纯从行变推荐图上判断,此不同点最直观,这也常常是一般代换者首先考虑的因素。其实,行逆程供电电路结构不同相对于CRT管颈与偏转角的区别较容易解决,因为改变行逆程供电电压值或电压的组数,远比改变行变初级供电或改变偏转线圈阻抗的匹配容易得多。所以,不同的行变因设计配用显像管不同,其超高压、聚焦电压可调节范围即不同。由于电视机整体电路设计不同,行逆程整流电压区别较大,如对前级小信号电路供电,有的输出16V,也有的输出12V。场扫描的供电,因为其电路不同,电压可能在24V~65V范围内变化。实际代换中,对此区别不必苛求,应首先按a点和b点优选代用品,此点作为选择参考条件。
次级各绕组整流电压相同当然最好不过,如果不同而有差异,或者少几组输出电压;或者某一两组电压偏低,改造和改装也并不困难,这一点相信同行们已积累有不少实际经验。
高压包一般是10个常规引脚,外加聚焦组件的2到5个引脚。将高压包引脚面向自己,U型口朝下,顺时针数分别是1到10脚。一般高压包引脚定义如下:
B+/+B——高压包初级线圈的输入端,接二次电源的输出。
+B2——高压初级线圈的输入端抽头,没有二次电源的机型就在高压包内设多个抽头,以保持不同行频下的高压稳定。一般用于较旧款的显示器,如ACER-34T。
+B3——高压初级线圈的输入端抽头,没有二次电源的机型就在高压包内设多个抽头,以保持不同行频下的高压稳定。一般用于较旧款的显示器,如ACER-34T。
VCP——高压包初级线圈的输出端,接行管。
D/C——接阻尼管和逆程电容。大家不要被这个引脚吓倒,其实只是高压包初级线圈的抽头,通常距离VCP端只有2到3匝,用来改善阻尼线性,
GND——接地。
NC——空脚。(内部空脚或外部不用此引脚)
G1——负压100到200V输出。在包内绕组约10匝。
AFC——行逆程脉冲输出。在包内绕组通常是2匝,电压峰值约35V。
FB——二次电源取样输出。在包内绕组通常是3匝,电压峰值约50V。
+5V——行中心调整电压。在包内绕组2匝,冷端接B+。
-5V——行中心调整电压。在包内绕组2匝,冷端接B+。
ABL——内接高压线圈的冷端。
300V——动聚电路的供电。电压值是200到600V。有时在包内绕组输出,有时在行管C极整流获得。
DF——动态聚焦电压输入端。
SFR——包内聚焦组件中的FV/SV调整电位器冷端,通常是接地的,但有些机型将其用作信号取样。HVR——包内HV端取样电阻的冷端。此电阻直接取样于HV端。
HVC——包内高压滤波电容的冷端。通常此脚都被接地,但有些机型将其用作信号取样。
FVR——包内聚焦极取样电阻的冷端。高档机所独有,用来检测FV电压。
时间继电器的触点图形符号
时间:2026-03-06
XJ3系列断相与相序保护继电器型号及含义
时间:2026-03-06
热过载继电器型号含义
时间:2026-03-06
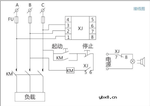
闪光继电器工作原理_闪光继电器怎么接线
时间:2026-03-06
24v继电器工作原理
时间:2026-03-06
时间继电器符号及含义
时间:2026-03-06
液位继电器的接线方法及工作原理
时间:2026-03-06
继电器的作用和原理
时间:2026-03-06
辅助继电器作用_辅助继电器的分类
时间:2026-03-06
断电延时继电器工作原理图解
时间:2026-03-06
关于STM32WL LSE 添加反馈电阻后无法起振的...
时间:2026-03-05
玻璃釉电容器的结构与特点
时间:2026-03-05
合金电阻与贴片电阻有什么区别?你知道合金...
时间:2026-03-05
3PEAK高压零漂放大器契合精密应用
时间:2026-03-05
绝缘电阻表原理_绝缘电阻表的作用
时间:2026-03-05
绝缘电阻用什么来测量_绝缘电阻测量方法
时间:2026-03-05
贴片电阻的阻值识别方法
时间:2026-03-05
零欧电阻的功能
时间:2026-03-05
PPTC热敏电阻在电池中的应用
时间:2026-03-05
水泥电阻规格及型号
时间:2026-03-05