继电器的主要测试参数与方法
时间:2026-03-06
继电器选用常用参数与选用
时间:2026-03-06
中间继电器的作用原理
时间:2026-03-06
中间继电器选型原则_中间继电器型号含义
时间:2026-03-06
中间继电器和接触器有何区别
时间:2026-03-06
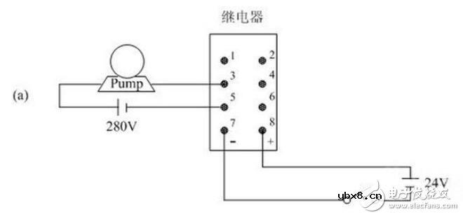
八脚中间继电器接线图图解
时间:2026-03-06
干簧继电器验证测试
时间:2026-03-06
干簧管继电器性能特点
时间:2026-03-06
延时继电器的工作原理
时间:2026-03-06
一文解读延时继电器作用
时间:2026-03-06
彩灯电路
时间:2026-03-05
三相异步电动机原理
时间:2026-03-04
转角测量电路
时间:2026-03-05
经典的正弦波发生电路
时间:2026-03-05
电度表的工作原理
时间:2026-03-04
电动机单线远程正反转控制电路图
时间:2026-03-04
三相异步电动机的拆装详讲
时间:2026-03-04
三相异步电动机的七种调速方式
时间:2026-03-04
USB转232电路图
时间:2026-03-04
袖珍节拍器电路图
时间:2026-03-05