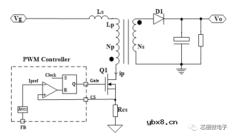
反激变压器优化设计之一
时间:2026-03-07
反激变压器优化设计之二
时间:2026-03-07
反激变压器优化设计之三
时间:2026-03-07
反激变换器时频域分析方法
时间:2026-03-07
开关变压器工作特点及电路分析
时间:2026-03-07
三端口功率变换的具体实现和控制方法
时间:2026-03-07
变压器的磁滞损耗与哪些因素有关?可以减少...
时间:2026-03-07
全桥LLC电路工作原理与设计难点解读
时间:2026-03-07
浅析阻式旋转变压器的基本工作原理
时间:2026-03-07
如何画三相桥式全控整流电路?
时间:2026-03-07
彩灯电路
时间:2026-03-05
三相异步电动机原理
时间:2026-03-04
三相异步电动机的七种调速方式
时间:2026-03-04
转角测量电路
时间:2026-03-05
经典的正弦波发生电路
时间:2026-03-05
电度表的工作原理
时间:2026-03-04
电风扇红外遥控器2
时间:2026-03-04
电动机单线远程正反转控制电路图
时间:2026-03-04
三相异步电动机的拆装详讲
时间:2026-03-04
USB转232电路图
时间:2026-03-04