SSR是固态继电器的简称,固态继电器一种无机械触点的电子开关元件,是无触点开关,由输入电路,隔离(耦合)和输出电路三部分组成。输入端用微小的控制信号驱动大电流负载。固态继电器具有接触器同样的功能,它具有控制灵活,可靠性高,寿命长,在通与断的时间不会产生电火花,无噪声,开关速度快,工作频率高,抗干扰能力强等优点,SSR的另一个特点是驱动电流(或电压)小,给输入端加一个很小的信号,就可以实现对被控制系统的控制。(下文所有固态继电器均用SSR来表示)
作为无机械触点的开关功能元件,SSR的基本使用框图如下:

SSR的类型,型号很多,所以它的输入控制方法和控制电路也相应较多。SSR之间的共同特点是驱动电流或驱动电压很小,输入一个很小的信号就可以时间对SSR输出状态通,断的控制。如果要实现有效而可靠的控制,其输入信号必须达到一个给定值。对输入回路工作电流的要求,推荐值为5-10mA时开通,小于1mA时关断,对于输入端工作电压的要求,一般情况下开通时不低于3V,关断时小于1V,当然,因产品特性不同伙厂家不同,对输入电流或电阻值的要求是会有差异的。因此在使用和设计电路的时候,可以根据SSR的类型,规格和使用场合来进行选择和设计,下面就介绍一些基本的输入端控制方法和电路。
1.SSR触点控制方式
由一组机械触点直接控制电路,如下图,图中的S可以是机械开关,也可以是继电器触点货电子开关电路。

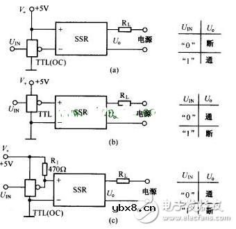
2.采用三极管控制SSR的通断
SSR可用NPN型货PNP型晶体三极管直接控制其输入端(如下图a,b所示),在图a电路中,平时VT导通,SSR出于接通状态,当有脉冲时,SSR断开,在图b所示电路中,平时电路中,平时VT截止,SSR呈断开状态,当有脉冲时,SSR接通。

对于一般的SSR,要求输入的最小工作电压为3V(接通),若低于1V,则SSR关断。
3.采用TTL数字集成电路驱动SSR
用TTL数字继承电路控制SSR通断的电路,如下图:

4.采用CMOS数字集成电路驱动SSR
CMOS器件的输入阻抗高,输出逻辑电平摆动幅大(高低电平值接近电源电压),很适合与SSR和其他电路配合,但CMOS器件的静态功耗和动态功耗(静态功耗仅约为10nW,动态功耗为几毫瓦)。为确保CMOS器件使用安全,电路中采用三极管进行缓冲,隔离(如下图)。

5.用脉冲信号触发SSR的方法(如下图)

触发电路与SSR的“-”输入端相接,在A端加幅值为Up的脉冲信号,使可控硅VS触发导通,进而使SSR导通,该状态即使脉冲过后仍会继续保持。若此时B端加上另一个正脉冲信号,则VT导通,其集电极呈低电平。VS关断,脉冲过后,SSR转呈端态。
6.用交流电源驱动

继电器几个典型常用的接线图
时间:2026-03-06
为什么直流继电器要并联二极管呢?
时间:2026-03-06
更换或使用继电器时需要注意哪些事项?
时间:2026-03-06
学习PCB设计需要知道的16个原则
时间:2026-03-06
光伏控制器简介
时间:2026-03-06
PLC现场安装和维护的注意事项介绍
时间:2026-03-06
继电器的工作原理以及驱动电路解析
时间:2026-03-06
三菱PLC功能指令介绍(二)
时间:2026-03-06
三菱PLC辅助继电器和定时器介绍
时间:2026-03-06
HTCC:半导体封装的理想方式
时间:2026-03-06
电阻的标称阻值和允许偏差
时间:2026-03-05
使用过滤器电容器和诱导器来抑制受辐射的EM...
时间:2026-03-05
漆膜电容器的结构与特点
时间:2026-03-05
玻璃釉电容器的结构与特点
时间:2026-03-05
关于STM32WL LSE 添加反馈电阻后无法起振的...
时间:2026-03-05
Vishay精密无磁薄膜片式电阻以小尺寸实现6W...
时间:2026-03-05
LED固晶机龙头直面“寒冬”
时间:2026-03-05
高频旁路电容的原理_高频旁路电容的作用
时间:2026-03-05
晶振电路电容的作用
时间:2026-03-05
详细的领略一次什么是独石电容
时间:2026-03-05