固态继电器及在应用中一些问题的探讨
固态继电器(SOLIDSTATE RELAYS),简写成“SSR”,是一种全部由固态电子元件组成的新型无触点开关器件,它利用电子元件(如开关三极管、双向可控硅等半导体器件)的开关特性,可达到无触点无火花地接通和断开电路的目的,因此又被称为“无触点开关”,它问世于70年代,由于它的无触点工作特性,使其在许多领域的电控及计算机控制方面得到日益广范的应用。1固态继电器的原理及结构
SSR按使用场合可以分成交流型和直流型两大类,它们分别在交流或直流电源上做负载的开关,不能混用。
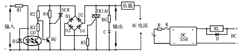
下面以交流型的SSR为例来说明它的工作原理,图1是它的工作原理框图,图1中的部件①-④构成交流SSR的主体,从整体上看,SSR只有两个输入端(A和B)及两个输出端(C和D),是一种四端器件。工作时只要在A、B上加上一定的控制信号,就可以控制C、D两端之间的“通”和“断”,实现“开关”的功能,其中耦合电路的功能是为A、B端输入的控制信号提供一个输入/输出端之间的通道,但又在电气上断开SSR中输入端和输出端之间的(电)联系, 以防止输出端对输入端的影响,耦合电路用的元件是“光耦合器”,它动作灵敏、响应速度高、输入/输出端间的绝缘(耐压)等级高;由于输入端的负载是发光二极管,这使SSR的输入端很容易做到与输入信号电平相匹配,在使用可直接与计算机输出接口相接,即受“1”与“0”的逻辑电平控制。触发电路的功能是产生合乎要求的触发信号,驱动开关电路④工作,但由于开关电路在不加特殊控制电路时,将产生射频干扰并以高次谐波或尖峰等污染电网,为此特设“过零控制电路”。所谓“过零”是指,当加入控制信号,交流电压过零时,SSR即为通态;而当断开控制信号后,SSR要等待交流电的正半周与负半周的交界点(零电位)时,SSR才为断态。这种设计能防止高次谐波的干扰和对电网的污染。吸收电路是为防止从电源中传来的尖峰、浪涌(电压)对开关器件双向可控硅管的冲击和干扰(甚至误动作)而设计的,一般是用“R-C”串联吸收电路或非线性电阻(压敏电阻器)。图2是一种典型的交流型SSR的电原理图。


直流型的SSR与交流型的SSR相比,无过零控制电路,也不必设置吸收电路,开关器件一般用大功率开关三极管,其它工作原理相同。不过,直流型SSR在使用时应注意:①负载为感性负载时,如直流电磁阀或电磁铁,应在负载两端并联一只二极管,极性如图3所示,二极管的电流应等于工作电流,电压应大于工作电压的4倍。②SSR工作时应尽量把它靠近负载,其输出引线应满足负荷电流的需要。③使用电源属经交流降压整流所得的,其滤波电解电容应足够大。图4给出了几种国内、外常见的SSR的外形。
图4
固态继电器的特点
SSR成功地实现了弱信号(Vsr)对强电(输出端负载电压)的控制。由于光耦合器的应用,使控制信号所需的功率极低(约十余毫瓦就可正常工作),而且Vsr所需的工作电平与TTL、HTL、CMOS等常用集成电路兼容,可以实现直接联接。这使SSR在数控和自控设备等方面得到广泛应用。在相当程度上可取代传统的“线圈—簧片触点式”继电器(简称“MER”)。
SSR由于是全固态电子元件组成,与MER相比,它没有任何可动的机械部件,工作中也没有任何机械动作;SSR由电路的工作状态变换实现“通”和“断”的开关功能,没有电接触点,所以它有一系列MER不具备的优点,即工作高可靠、长寿命(有资料表明SSR的开关次数可达108-109次,比一般MER的106高几百倍);无动作噪声;耐振耐机械冲击;安装位置无限制;很容易用绝缘防水材料灌封做成全密封形式,而且具有良好的防潮防霉防腐性能;在防爆和防止臭氧污染方面的性能也极佳。这些特点使SSR可在军事(如飞行器、火炮、舰船、车载武器系统)、化工、井下采煤和各种工业民用电控设备的应用中大显身手,具有超越MER的技术优势。
交流型SSR由于采用过零触发技术,因而可以使SSR安全地用在计算机输出接口上,不必为在接口上采用MER而产生的一系列对计算机的干扰而烦恼。
此外,SSR还有能承受在数值上可达额定电流十倍左右的浪涌电流的特点。
表1
|
参数名称(单位) |
参数值 | |||
|
最小 |
典型 |
最大 | ||
|
输入端 |
直流控制电压(V) |
3.2 |
14 | |
| 输入电流(mA) |
20 |
|||
| 接通电压(V) |
3.2 |
|||
| 关断电压(V) |
1.5 | |||
| 反极向保护电压(V) |
15 | |||
| 绝缘电阻(Ω) |
109 |
|||
| 介质耐压(V) |
1500 |
|||
|
输出端 |
额定输出电压(V) |
25 |
250 | |
| 额定输出电流(A) |
10 | |||
| 浪涌电流(A) |
100 | |||
| 过零电压(V) |
±15 | |||
| 输出压降(V) |
2.0 | |||
| 输出漏电流(mA) |
10 | |||
| 接通电间(mS) |
10 | |||
| 关断时间(mS) |
10 | |||
| 工作频率(Hz) |
47 |
70 | ||
| 功率损耗(W) |
1.5 |
|||
| 关断dV/dt(V/μs) |
200 |
|||
| 晶闸管结温℃ |
110 | |||
| 工作温度(℃) |
-20 |
+80 | ||
三、主要参数与选用
功率固态继电器的特性参数包括输入和输出参数,下面以北京科通继电器总厂生产的GX-10F继电器为例,列出输入、输出参数,详见表1,根据输入电压参数值大小,可确定工作电压大小。如采用TTL或CMOS等逻辑电平控制时,最好采用有足够带载能力的低电平驱动,并尽可能使“0”电平低于0.8 V。如在噪声很强的环境下工作,不能选用通、断电压值相差小的产品,必需选用通、断电压值相差大的产品,(如选接通电压为8 V或12 V的产品)这样不会因噪声干扰而造成控制失灵 。
输出参数的项目较多,现对主要几个参数说明如下:
1、额定输入电压
它是指定条件下能承受的稳态阻性负载的最大允许电压有效值。如果受控负载是非稳态或非阻性的,必需考虑所选产品是否能承受工作状态或条件变化时(冷热转换、静动转换、感应电势、瞬态峰值电压、变化周期等) 所产生的最大合成电压。例如负载为感性时,所选额定输出电压必须大于两倍电源电压值,而且所选产品的阻断(击穿)电压应高于负载电源电压峰值的两倍。如在电源电压为交流220V、一般的小功率非阻性负载的情况下,建议选用额定电压为400V—600V的SSR产品;但对于频繁启动的单相或三相电机负载,建议选用额定电压为660V—800V的SSR产品。
相序继电器工作原理的全面介绍
时间:2026-03-06
热保护器的工作原理解析
时间:2026-03-06
热敏干簧继电器是什么
时间:2026-03-06
电动机保护元件:热继电器的三种过载保护形...
时间:2026-03-06
电磁型电流继电器的动作条件
时间:2026-03-06
继电器PLC和晶体管PLC区别
时间:2026-03-06
场效应管时间继电器是怎样工作的?
时间:2026-03-06
电路板式继电器
时间:2026-03-06
继电器电路故障
时间:2026-03-06
继电器的作用及触点故障处理方法
时间:2026-03-06
关于STM32WL LSE 添加反馈电阻后无法起振的...
时间:2026-03-05
电阻的标称阻值和允许偏差
时间:2026-03-05
LED固晶机龙头直面“寒冬”
时间:2026-03-05
浅谈高压贴片电容分类与性能参数
时间:2026-03-05
漆膜电容器的结构与特点
时间:2026-03-05
复合介质电容器的结构与特点
时间:2026-03-05
玻璃釉电容器的结构与特点
时间:2026-03-05
瓷介电容器的结构与特点
时间:2026-03-05
电解电容器的结构与特点
时间:2026-03-05
表贴电容的分类
时间:2026-03-05