当前位置:首页 > 电工基础 > 正文

CMOS三态门电路结构

来源:网络  发布者:电工基础  发布时间:2026-03-06 17:56
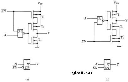
CMOS三态门电路结构 (a)用或非门控制    (b)用与非门控制

CMOS三态门电路结构

CMOS三态门电路结构

(a)用或非门控制    (b)用与非门控制

CMOS三态门电路结构

CMOS三态门电路结构

相关热词:#三态门

热门文章
彩灯电路彩灯电路

时间:2026-03-05

三相异步电动机原理三相异步电动机原理

时间:2026-03-04

转角测量电路转角测量电路

时间:2026-03-05

经典的正弦波发生电路经典的正弦波发生电路

时间:2026-03-05

电动机单线远程正反转控制电路图电动机单线远程正反转控制电路图

时间:2026-03-04

三相异步电动机的拆装详讲三相异步电动机的拆装详讲

时间:2026-03-04

三相异步电动机的七种调速方式三相异步电动机的七种调速方式

时间:2026-03-04

USB转232电路图USB转232电路图

时间:2026-03-04

石英晶体钟脉冲发生器石英晶体钟脉冲发生器

时间:2026-03-05

电度表的工作原理电度表的工作原理

时间:2026-03-04