我们都知道安全继电器是由数个继电器与电路组合而成,为的是要能互补彼此的异常缺陷,达到正确且低误动作的继电器完整功能,使其失误和失效值愈低,发生故障时做出有规则的动作确保实现急停、光栅或安全门等安全功能,比如基本型继电器的常开和常闭触点通过机械联锁互连, 从而防止常开和常闭触点同时闭合。连接到对应的电路后,继电器可靠检测到触点故障, 从而保护暴露於不同等级之危险性的机械操作人员。
安全继电器有效的提供了人与设备的安全解决方案。紧凑的设计,灵活地应用,和可调整的连接选项,让这个设备应对所有的安全功能,拥有了决定性优势。

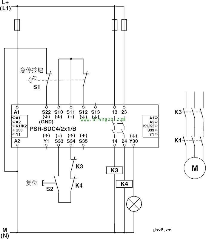
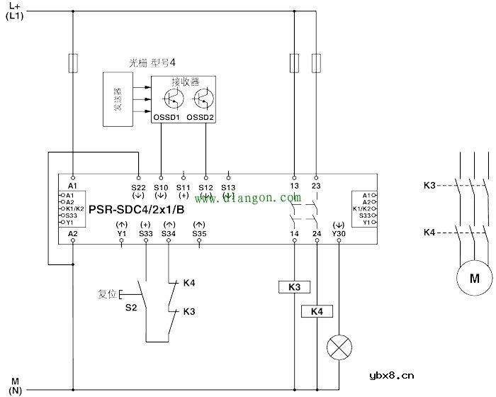
1.电源的接法。 图中A1和A2为电源端子,A1 接24V+;A2接0V。2.在控制输入电路中,正常使用时,需要在S11和S12 以及 S11和S22之间接入所需要的开关条件。一般为触点或者按钮接点。3.在复位电路中,S33和S34之间需要接入相应的复位条件。与此同时,Y1和Y2之间的条件也是复位电路的一部分,两者条件必须同时成立。



安全继电器具有强制导向接点结构,是一个安全回路中所必须的控制部分,它接受安全输入,通过内部回路的判断,确定性的输出开关信号到设备的控制回路里。简单地说,安全继电器都是双通道信号型,只有两个通道信号都正常时,安全继电器才能正常工作;在工作过程中,只要其中任一通道信号断开,安全继电器都会停止输出,直到两个通道信号都正常且复位后才能正常工作。
要求
1、在紧急停止解除时,机器不能出现突然再启动;
2、万一机器安全电路发生故障时,可以停止机器动力电源;
3、安全电路发生故障时,机器不能再启动;单靠双重化是不行的。
双重化是必要的,但是除此之外,比如如下几个条件,双重化电路的互相检查,确认所有安全电路已经断开一次,必要时由作业者操作便可以启动等条件。
还有从另一个角度来说,输入的开关接线短路或电线外皮破损而引起的接地的可能性时,必须预防因此而引起的机器突然启动。
实际上,为了方便安全电路的构成,将安全继电器和其他组件组合配套,把基本的紧急停止电路、安全电路组成电路模块的产品称为安全继电器模块。
带温度补偿的湿度测量电路
时间:2026-03-07
日历时钟和存储电路
时间:2026-03-07
键盘和显示电路
时间:2026-03-07
可控硅调光灯电路-TRIAC Light Dimmer
时间:2026-03-07
红外线远程控制电路 Infa-Red Remote Cont
时间:2026-03-07
红外遥控器干扰电路 IR Remote Control Ja
时间:2026-03-07
激光发射器/接收器电路 LASER Transmitter/
时间:2026-03-07
脉宽调制直流电动机控制电路 Pulse Width M...
时间:2026-03-07
步进电机控制器电路 Stepper Motor Contro
时间:2026-03-07
动态甲类偏置组件的原理和使用
时间:2026-03-07
玻璃釉电容器的结构与特点
时间:2026-03-05
关于STM32WL LSE 添加反馈电阻后无法起振的...
时间:2026-03-05
电阻的标称阻值和允许偏差
时间:2026-03-05
使用过滤器电容器和诱导器来抑制受辐射的EM...
时间:2026-03-05
LED固晶机龙头直面“寒冬”
时间:2026-03-05
浅谈高压贴片电容分类与性能参数
时间:2026-03-05
聚四氟乙烯电容器的结构与特点
时间:2026-03-05
漆膜电容器的结构与特点
时间:2026-03-05
复合介质电容器的结构与特点
时间:2026-03-05
瓷介电容器的结构与特点
时间:2026-03-05