当前位置:首页 > 电工基础 > 正文

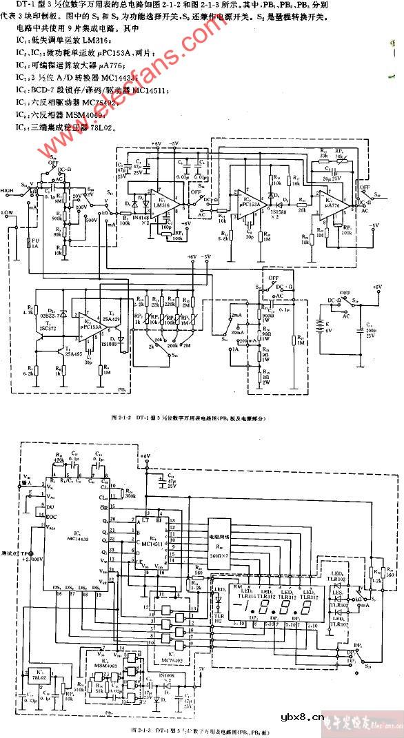
DT-1型3,1 2位数字万用表电路图(PB2、PB3板)

来源:网络  发布者:电工基础  发布时间:2026-03-06 21:57
DT-1型3,1 2位数字万用表电路图(PB2、PB3板)

DT-1型3,1 2位数字万用表电路图(PB2、PB3板)

DT-1型3,1 2位数字万用表电路图(PB2、PB3板)

相关热词:#电路图

热门文章
彩灯电路彩灯电路

时间:2026-03-05

三相异步电动机原理三相异步电动机原理

时间:2026-03-04

转角测量电路转角测量电路

时间:2026-03-05

经典的正弦波发生电路经典的正弦波发生电路

时间:2026-03-05

电度表的工作原理电度表的工作原理

时间:2026-03-04

电风扇红外遥控器2电风扇红外遥控器2

时间:2026-03-04

电动机单线远程正反转控制电路图电动机单线远程正反转控制电路图

时间:2026-03-04

三相异步电动机的拆装详讲三相异步电动机的拆装详讲

时间:2026-03-04

三相异步电动机的七种调速方式三相异步电动机的七种调速方式

时间:2026-03-04

USB转232电路图USB转232电路图

时间:2026-03-04