当前位置:首页 > 电工基础 > 正文

ML2036产生程控增益正弦波的应用电路

来源:网络  发布者:电工基础  发布时间:2026-03-07 10:22
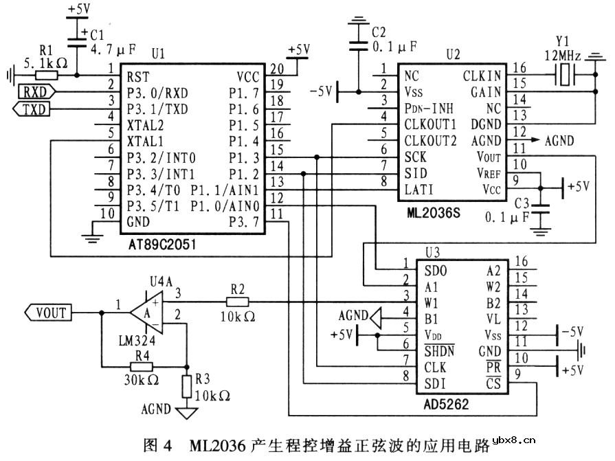
4 应用电路       ML2036简单易用,可以很方便的产生程控正弦波信号,图4所示是ML2036产生程控增益正弦波的硬件原理设计,图中的U3(AD5262)是程控数字电位器,具有256个节点,正负双电源供电,可以处理正负双向交

ML2036产生程控增益正弦波的应用电路

4 应用电路
      ML2036简单易用,可以很方便的产生程控正弦波信号,图4所示是ML2036产生程控增益正弦波的硬件原理设计,图中的U3(AD5262)是程控数字电位器,具有256个节点,正负双电源供电,可以处理正负双向交流信号,过零正弦波峰峰值(±2.5V)分辨率可以达到VREF/256=10mW,再经过运放把峰峰值放大为20V。单片机AT89C2051用普通I/0口即可模拟ML2036和数字电位器AD5262的数字接口,从而对输出正弦波进行频率和幅度的控制。再把单片机串口收发信号经232电平转换后接到PC机串口,就构成幅度和频率都可以连续程控的过零正弦波信号发生器。

相关热词:#正弦波

热门文章
彩灯电路彩灯电路

时间:2026-03-05

三相异步电动机原理三相异步电动机原理

时间:2026-03-04

三相异步电动机的七种调速方式三相异步电动机的七种调速方式

时间:2026-03-04

转角测量电路转角测量电路

时间:2026-03-05

经典的正弦波发生电路经典的正弦波发生电路

时间:2026-03-05

电动机单线远程正反转控制电路图电动机单线远程正反转控制电路图

时间:2026-03-04

USB转232电路图USB转232电路图

时间:2026-03-04

电度表的工作原理电度表的工作原理

时间:2026-03-04

电风扇红外遥控器2电风扇红外遥控器2

时间:2026-03-04

三相异步电动机的拆装详讲三相异步电动机的拆装详讲

时间:2026-03-04