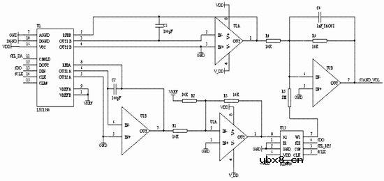
基本电压Vstand生成电路图
设计的思路是先产生一个分辨率为0.02mV、动态范围为0~2.5V的标准电压信号Vstand,然后通过放大电路将该基本电压放大5倍,就可以得到0~12.5V、分辨率为0.1mV的直流电压,从而实现高精度的电压源。而动态范围为0~20mA、分辨率为0.001mA的高精度电流源则是通过将Vstand接到场效应管的栅极来控制其漏极电流而得到。因此,该设计中最核心的部分是标准电压信号Vstand的产生。
Vstand的产生
本设计使用的是双12位DAC LTC1590。Vstand的产生如图1所示。

D/A1、D/A2分别代表LTC1590中两个独立的、精度都为12位的DAC。参考电压都采用AD780提供的2.5V电压。
D/A1用来提供粗调电压V1。D/A2输出的电压V2经过衰减200倍后得到精调电压V2’’,中间所加的精密数字电位器起调节V2’’分辨率的作用,最后精调电压与粗调电压相加,便得到标准电压Vstand。
精密数字电位器采用的是8位256档的AD8400,设K为AD8400的调节比例(0≤K≤1),可以得到:V2‘=V2×K
于是V1分辨率===0.61035(mV)≈0.61 (mV),
V2‘‘分辨率=
≈0.003K(mV)
则V1= V1分辨率 ×N, V2‘‘= V2‘‘分辨率×M (N ,M为0~4096的整数)
最终的输出电压V为V1、V2‘’之和放大5倍,于是有:
V=5Vstand=(V1+ V2‘’)×5=(V1分辨率×N+ V2‘‘分辨率×M)×5
由于V1是粗调电压,解决的是V的动态范围问题,而V的最小分辨率是由细调电压V2‘’决定的,所以:
V的分辨率=V分辨率=5×V2‘‘分辨率=0.003K×5=0.015K(mV)
由以上分析可知:使用这种方式得到的V的输出动态范围可以达到0~12.5V,而分辨率约为0.015K mV,若K=1(即不采用AD8400),0.015mV与0.1mV不构成整数倍关系,单纯的由程序控制不能达到0.1mV的分辨率要求。这就是为什么要采用精密数字电位器的原因。


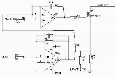
此处不是利用MOSFET的转移特性,而是采用电压反馈的方式进行电流控制。在场效应管的漏极与源极间加上24V的电压(由系统的其它模块提供,限于篇幅不作说明),与外部所接负载构成回路后,漏极电流便成为电流源的输出电流。设输出电流为I,则U8的引脚3引入的采样电压为10I,经过10倍放大后变为100I引入引脚6,由于5与6处的电压值相等,所以Vstand=100I (Vstand的最大输出为2.5V,而I要求其输出范围为0~20mA,所以100倍的关系比较合适),由于Vstand的分辨率=V2‘‘分辨率=0.002mV,理论上I的分辨率可以达到0.000002mA,完全可以满足预计的0.001mA分辨率要求(Vstand以0.1mV的步进改变即可),于是高精度电流源得以实现。
相关热词:#Vstand
电子管RC有源分频器的制作
时间:2026-03-07
IPM门极驱动隔离电路
时间:2026-03-07
CW117/CW217/CW317构成的交流峰值削波电路图
时间:2026-03-07
SST8803、UM3758-108A组成的数据传输调制/解
时间:2026-03-07
LM555组成的宽动态脉宽调制器
时间:2026-03-07
CD4051、CH3130组成的多通道解调器
时间:2026-03-07
SN75490热敏式印刷头驱动器
时间:2026-03-07
SN75480高压七段译码器/阴极驱动器
时间:2026-03-07
SN75370双MOS存储器接口
时间:2026-03-07
SN75369双MOS驱动器
时间:2026-03-07
彩灯电路
时间:2026-03-05
三相异步电动机原理
时间:2026-03-04
三相异步电动机的七种调速方式
时间:2026-03-04
转角测量电路
时间:2026-03-05
经典的正弦波发生电路
时间:2026-03-05
电动机单线远程正反转控制电路图
时间:2026-03-04
电度表的工作原理
时间:2026-03-04
电风扇红外遥控器2
时间:2026-03-04
三相异步电动机的拆装详讲
时间:2026-03-04
USB转232电路图
时间:2026-03-04