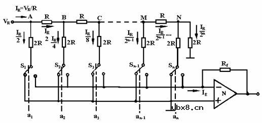
⑴电路结构

图 T形R-2R电阻网络D/A转换电路
①电阻网;
②模拟开关;
③读出电路;
④基准源 V R 。
⑵ I/O 传输关系
即求解解码网输出模拟量与输入数字量间关系。
①各位电流分析
因各位模拟开关均为恒流开关,当解码网输出双电流模拟量的右边接成负反馈状态的读出电路后,不管开关打在左边或右边,所有 2R 电阻的下端均接地(或虚地)。所以,可以根据代码画出等效电路图。
②公式推导:
方法:用叠加原理求解。
、
与数字量的关系如下:

(注:
指当
时,
;
时,
)
③读出电路(思考:为什么用此电路?):

式中:
——反馈电阻; R ——解码网电阻;
相关热词:#转换电路
短路开关工作原理
时间:2026-03-07
场效应晶体管开关电路
时间:2026-03-07
J-FET开关电路工作原理
时间:2026-03-07
MOS-FET开关电路
时间:2026-03-07
CMOS双向开关工作原理
时间:2026-03-07
振幅调制的传输方式
时间:2026-03-07
调幅信号的性质
时间:2026-03-07
调幅电路工作原理--高电平调幅电路
时间:2026-03-07
调幅电路工作原理--低电平调幅电路
时间:2026-03-07
检波的基本概念
时间:2026-03-07
彩灯电路
时间:2026-03-05
三相异步电动机原理
时间:2026-03-04
三相异步电动机的七种调速方式
时间:2026-03-04
转角测量电路
时间:2026-03-05
经典的正弦波发生电路
时间:2026-03-05
电动机单线远程正反转控制电路图
时间:2026-03-04
电度表的工作原理
时间:2026-03-04
电风扇红外遥控器2
时间:2026-03-04
三相异步电动机的拆装详讲
时间:2026-03-04
USB转232电路图
时间:2026-03-04