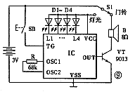
电子门铃的电路原理图
图9是这种电子门铃的电原理图。当选择开关S1打向“门铃”处,按一下门铃按钮SB,门铃奏响音乐。当S1打向“灯光”处,扬声器B被断开,按下SB,D1~D4点亮,指示牌显示出“正在休息,请勿打扰”的字样。发光二极管指示牌可与门铃按钮做成一体,使用起来一目了然,十分方便。

相关热词:#门铃
短路开关工作原理
时间:2026-03-07
场效应晶体管开关电路
时间:2026-03-07
J-FET开关电路工作原理
时间:2026-03-07
MOS-FET开关电路
时间:2026-03-07
CMOS双向开关工作原理
时间:2026-03-07
振幅调制的传输方式
时间:2026-03-07
调幅信号的性质
时间:2026-03-07
调幅电路工作原理--高电平调幅电路
时间:2026-03-07
调幅电路工作原理--低电平调幅电路
时间:2026-03-07
检波的基本概念
时间:2026-03-07
彩灯电路
时间:2026-03-05
三相异步电动机原理
时间:2026-03-04
三相异步电动机的七种调速方式
时间:2026-03-04
转角测量电路
时间:2026-03-05
经典的正弦波发生电路
时间:2026-03-05
电动机单线远程正反转控制电路图
时间:2026-03-04
电度表的工作原理
时间:2026-03-04
电风扇红外遥控器2
时间:2026-03-04
三相异步电动机的拆装详讲
时间:2026-03-04
USB转232电路图
时间:2026-03-04