备自投就是备用电源自动投入装置,是电力系统中十分重要的自动元器件,当系统主供电源不论因何原因消失时,由备用电源自投装置动作,确保用电负荷及用户不失电。
一、备用电源自动投入装置的要求
(一)应保证在工作电源或设备断开后,才投入备用电源或设备。
(二)工作电源或设备上的电压,不论因何原因消失时,自动投入装置均应动作。
(三)自动投入装置应保证只动作一次。
每个动作逻辑的控制条件可分为两类:
一类为启动条件,另一类为闭锁条件。
当启动条件都满足,闭锁条件都不满足时,备投动作出口。为防止备投重复动作,在每个动作逻辑中设置一个“充电”计数器,充满电后开放出口逻辑。
“放电”条件:
(一)任一个闭锁条件满足;
(二)备投动作出口后。
二、几种备投方式的闭锁原则
(一)内桥接线分段备自投的闭锁原则
(二)内桥接线进线备自投的闭锁原则
(三)单母分段备自投的闭锁原则
(一)内桥接线分段备自投的闭锁原则
正常运行时主变差动保护、主变高压侧后备保护动作闭锁高压侧分段备自投。
注:此运行方式下任一主变动作,均闭锁备投装置。
备投1方式:内桥接线分段备自投接线图

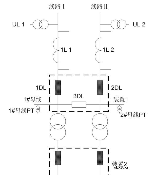
(二)内桥接线进线备自投的闭锁原则
适用于:进线备自投,进线Ⅰ、进线Ⅱ互为备用
正常运行时,主变差动保护、主变高压侧后备保护动作均不闭锁高压侧进线备自投。
注:此运行方式下任一主变动作,均不闭锁备投装置。
备投2方式:内桥接线进线备自投接线图

内桥接线进线备自投原理:
正常运行时,两线路 PT 均有压,两段母线均有压,1DL 和2DL 中的一个开关在合位,另一个在分位,3DL 在合位。
工作线路失电,在备用线路有压的情况下跳开工作线路,合上备用电源。
母联偷跳时造成所带母线失压时,在备用线路有压的情况下合备用线路开关。
为防止 PT 断线时备自投误动,取线路电流作为线路失压的闭锁判据。
设置 1#、2#变压器主保护及高压侧后备保护动作接点开入经压板至备自投闭锁开入,但不投入。主变主保护及高压侧后备保护动作不闭锁对侧进线开关备投。
例1DL、3DL 运行,2DL 备用;充电满后,若1#变差动动作,跳开1DL、3DL 开关及1#变低压侧开关,装置合2DL 开关带2#变运行。若任一台主变动作时均需闭锁备投,则将动作节点接入开入备投总闭锁。
1DL、3DL 运行,2DL 备用;充电满后,若2#变差动动作,则闭锁备投。
(三)单母分段备投方式
适用于:根据运行状态自动识别母联自投和线路开关互投的备投方式,常用于110kV 侧。
正常运行时,主变差动保护、主变高压侧后备保护动作均不闭锁高压侧备自投。
单母分段自适应备自投一次主接线图

同一系统电源对备自投的影响
针对同一系统提供的并列电源,该控制字的投退至关重要,同时也从反映的问题中,对于终端变选择同一系统,对备自投装置的影响,也是在今后一次设计中必须注重的问题。
随着电力系统自动化的发展,备用电源自动投入装置功能类型越来越多。为继电保护及自动装置采用高性能要求提供了硬件基础。但如何有效的利用它,使它为电力系统更好的服务,这也不是很容易做到的。这需要工程设计、运行、保护各专业之间的协调、沟通。总之,随着电力系统自动化的发展在今后备用电源自动投入装置中的应用会越来越广泛,还会有许多新问题有待于我们去解决。
二极管的基础知识
时间:2026-03-07
TVS等同于普通二极管吗?
时间:2026-03-07
TVS二极管能替代稳压管吗?
时间:2026-03-07
选择理想TVS二极管的考虑因素主要有哪几点
时间:2026-03-07
二极管的基础知识
时间:2026-03-07
常见的二极管应用电路
时间:2026-03-07
二极管双平衡混频器的使用方法
时间:2026-03-07
二极管为何不适合并联?串联为何还要均压?
时间:2026-03-07
信号二极管的串联方式与并联方式
时间:2026-03-07
稳压二极管的工作原理及关键参数
时间:2026-03-07
玻璃釉电容器的结构与特点
时间:2026-03-05
电容器入门教程
时间:2026-03-05
关于STM32WL LSE 添加反馈电阻后无法起振的...
时间:2026-03-05
暑期买元器件下单立减还送华为P30pro
时间:2026-03-05
电阻的标称阻值和允许偏差
时间:2026-03-05
使用过滤器电容器和诱导器来抑制受辐射的EM...
时间:2026-03-05
LED固晶机龙头直面“寒冬”
时间:2026-03-05
浅谈高压贴片电容分类与性能参数
时间:2026-03-05
聚四氟乙烯电容器的结构与特点
时间:2026-03-05
漆膜电容器的结构与特点
时间:2026-03-05