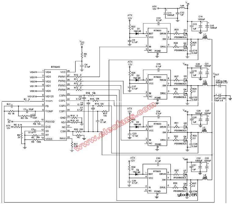
915/945主板的CPU供电电路图:是的,没错,它不是采用的***立琦公司的RT9245。

相关热词:#cpu
高位水箱蓄水自动控制电路
时间:2026-03-05
简易电极式水位自动控制电路
时间:2026-03-05
简易水塔上水控制电路
时间:2026-03-05
简易水位控制
时间:2026-03-05
节水控制电路
时间:2026-03-05
金属控头水位控制器
时间:2026-03-05
全自动电热水控制电路
时间:2026-03-05
全自动供水控制电路
时间:2026-03-05
三级水位指示电路
时间:2026-03-05
三相接触电路
时间:2026-03-05
彩灯电路
时间:2026-03-05
三相异步电动机原理
时间:2026-03-04
转角测量电路
时间:2026-03-05
电度表的工作原理
时间:2026-03-04
电动机单线远程正反转控制电路图
时间:2026-03-04
三相异步电动机的拆装详讲
时间:2026-03-04
三相异步电动机的七种调速方式
时间:2026-03-04
USB转232电路图
时间:2026-03-04
经典的正弦波发生电路
时间:2026-03-05
半球牌调温电炉电路图
时间:2026-03-04