轮胎压力检测系统,轮胎压力检测系统是什么意思
轮胎压力检测系统(TPMS-Tire Pressure Monitoring System)通过连续检测轮胎的压力、温度,为驾驶员提供必要的轮胎信息,当出现不正常情况时,发出警告信号,美国法律规定,从2003年11月开始,所有汽车必须安装轮胎压力检测系统。
国际上,早在20世纪70年代末就已开始研究轮胎压力自动检测系统。美国Lucas公司在1981年推出的轮胎压力检测系统,在驾驶室设有接收器,每个车轮均有传感器,随后C.P.K和Marketing公司也相继开发了自己的产品,基本结构由传感器、信号发生器和接收器三部分组成,传感器安装在轮辐上,直接检测轮胎的内压,德国Wabco公司和Bosch公司在1989年分别推出了采用ABS检测轮胎压力的装置,Bosch公司生产的汽车轮胎压力检测系统已批量的装在汽车上,该系统由装在轮辐上的压力传感器、带有显示器的电子部件和高频收发器三部分组成,检测系统与ABS一起工作,压力测量准确度约为0.0005Pa。其他许多公司也相继推出各自的轮胎压力检测专利产品。
目前,轮胎压力检测系统主要分为两类:一种是间接式系统,通过汽车ABS系统的轮速传感器比较轮胎之间的转速差别,以达到监测轮胎的目的,其缺点是无法对两个轮胎同时缺气的状况和速度超过100km/h的情况进行判断。另一种是直接式系统,利用安装在每一个轮胎里的以电池为电源的压力传感器直接测量轮胎的气压,并通过无线调制发射到安装在驾驶室内的监视器上;监视器随时显示各轮胎气压,驾驶员可以直观地了解各个轮胎的气压状况,当轮胎气压太低或有渗漏时,系统就会自动报警。
未来的轮胎压力监测系统是集轮胎压力检测与实时控制为一体的智能化系统,系统将向着结构小、性能高、可靠性高方向发展,并尽可能地提高其性价比。
引言
随着汽车工业的发展,人们越来越关注汽车的安全性能,ABS、安全气囊已经广泛的安装在各种档次的汽车上。近年来,轮胎的安全也引起了人们的关注。各大汽车厂商都推出了轮胎压力检测系统。
轮胎压力检测系统可以实时的检测轮胎的压力,这样就可以防止汽车在高速公路上行驶,因为轮胎压力过大或者轮胎温度过高而引起的爆胎现象。
汽车轮胎压力检测系统概述
汽车轮胎压力检测系统见图1。

在现有的汽车车胎压力检测装置中,每个轮胎安装一个从机,从机包括信号发射器、压力传感器、控制单元和电池,从机的框图见图2。在汽车驾驶室内放置一个主机,主机中包括信号接收器、控制单元、显示装置、按键等。主机的电源由汽车自身的蓄电池供给。从机每隔一段时间自动检测轮胎的压力和温度并向外发送。主机接收从机发送的数据,判断压力是否正常,如果正常则显示各个轮胎当前的压力;如果压力不在正常范围内,主机则提示轮胎压力不正常并显示当前轮胎的压力。主机框图见图3。


夜间停车的状态时,不需要检测车胎的压力,但是由于从机单向发送信号,不能判断汽车当前的状态,所以就会全天都在消耗车胎里电池的能量,这样就会导致电池的使用时间较短,需要经常更换电池。这样一方面会增加使用的复杂性,提高使用成本,给用户造成不便;另一方面会增加换胎的次数,并且由于换胎时会磨损从机,更容易损坏从机。 车轮胎压力检测系统的改进针对现有汽车车胎压力传感器从机电池使用时间过短所存在的问题,本设计提供了一种采用双向传输数据的智能汽车车胎压力检测装置。
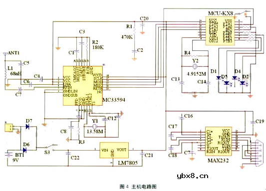
为达到上述目的,主机包括信号收发器、控制单元、按键、显示和语音提示单元,其中显示及语音提示单元包括显示和语音提示模块和相应的发声和发光装置。控制单元与驾驶室中里程表的速度输出接口相连,主机的电路图见图4。

从机包括信号收发器、压力温度传感器、控制单元和电池。主机和从机通过无线信号收发器进行信号的相互传输。从机的电路图见图5。
从机的控制单元与信号收发器相连,这样从机就可以接收主机发出的指令,只有当主机发出检测指令时,从机才开始检测车胎压力,在其他时间从机处于休眠状态。在夜间和其他不需要检测车胎压力的情况下,主机不发送检测指令,从机也就不进行压力和温度测量数据的传送,这样就可以大幅度减少安装在车胎内的电池的电量消耗,减少更换电池对设备所带来的影响。另外,压力检测装置增加了声音提示单元,可以在车胎压力不正常时用声音警告驾驶员检查车胎。
当汽车车速大于某一个设定的阈值时,主机的控制单元控制无线收发器每隔一段时间发出一个检测车胎压力的信号,从机的无线收发器接收到这个信号后,压力传感器单元开始进行温度和压力的检测。检测结束后,从机将检测到的温度和压力数据发送给主机。主机接收到从机发送的数据后,控制单元进行判断。如果压力和温度值处于正常范围内,主机通过显示单元显示每一个车胎的压力值;如果压力和温度值不正常,主机则显示不正常的轮胎编号、当前的压力值和温度值,并且用语音提示驾驶员。采用这种控制方法,从机就不需要时时刻刻都检测车胎压力,就可以大幅度的减少从机检测车胎压力的次数,可以节省车胎内电池的电量消耗。另外,由于汽车车胎爆胎主要发生在车速比较高的情况下,所以这种通过设定车速阈值的方法来减少检测次数的方法并不影响设备的正常使用。在车速小于阈值时,从机不检测压力值,不传送任何数据,处于休眠状态,从机电池的耗电量很低;如果希望在车速小于阈值的时候检测车胎压力,可以人为地通过主机发送命令给从机,进行温度和压力的检测。
结论
本设计改进了传统的汽车轮胎压力检测系统,可以延长电池的使用时间,减少更换电池的次数。本设计已在某汽车车胎压力检测装置中得到成功的应用,实践证明,该系统可靠性高,线路简单可靠。
齐纳二极管的特性_齐纳二极管参数_齐纳二极...
时间:2026-03-07
双二极管钳位电路的原理分析
时间:2026-03-07
钳位电路二极管作用解析
时间:2026-03-07
教你看二极管钳位电路图
时间:2026-03-07
齐纳二极管稳压电路_齐纳二极管为什么能够稳...
时间:2026-03-07
什么是肖特基二极管_肖特基二极管正负电极判...
时间:2026-03-07
肖特基二极管型号_肖特基二极管常见型号_肖...
时间:2026-03-07
肖特基二极管应用_肖特基二极管应用电路_肖...
时间:2026-03-07
肖特基二极管和快恢复二极管有什么区别详解
时间:2026-03-07
快恢复二极管好坏判断_快恢复二极管的好坏检...
时间:2026-03-07
什么是追踪缓存/转接卡?
时间:2026-03-06
瞬间抑制二极管(TVS)/瞬间抑制二极管(TVS)是...
时间:2026-03-04
什么是EPIC
时间:2026-03-06
什么是联合并行处理二级缓存?
时间:2026-03-06
什么是Speculative execution/SQRT?
时间:2026-03-06
什么是霍尔传感器
时间:2026-03-05
双向二极管起什么作用?
时间:2026-03-04
半导体材料的主要种类有哪些?
时间:2026-03-04
高级封装,高级封装是什么意思
时间:2026-03-04
数字比较器,数字比较器是什么意思
时间:2026-03-04