施密特触发器原理及应用
我们知道,门电路有一个阈值电压,当输入电压从低电平上升到阈值电压或从高电平下降到阈值电压时电路的状态将发生变化。施密特触发器是一种特殊的门电路,与普通的门电路不同,施密特触发器有两个阈值电压,分别称为正向阈值电压和负向阈值电压。在输入信号从低电平上升到高电平的过程中使电路状态发生变化的输入电压称为正向阈值电压(
),在输入信号从高电平下降到低电平的过程中使电路状态发生变化的输入电压称为负向阈值电压(
)。正向阈值电压与负向阈值电压之差称为回差电压(
)。普通门电路的电压传输特性曲线是单调的,施密特触发器的电压传输特性曲线则是滞回的[图6.2.2(a)(b)]。
图6.2.1 用CMOS反相器构成的施密特触发器
(a)电路 (b)图形符号

图6.2.2 图6.2.1电路的电压传输特性
(a)同相输出 (b)反相输出
用普通的门电路可以构成施密特触发器[图6.2.1]。因为CMOS门的输入电阻很高,所以
的输入端可以近似的看成开路。把叠加原理应用到
和
构成的串联电路上,我们可以推导出这个电路的正向阈值电压和负向阈值电压。当
时,
。当
从0逐渐上升到
时,
从0上升到
,电路的状态将发生变化。我们考虑电路状态即将发生变化那一时刻的情况。因为此时电路状态尚未发生变化,所以
仍然为0,
,于是,
。与此类似,当
时,
。当
从
逐渐下降到
时,
从
下降到
,电路的状态将发生变化。我们考虑电路状态即将发生变化那一时刻的情况。因为此时电路状态尚未发生变化,所以
仍然为
,
,于是,
。通过调节
或
,可以调节正向阈值电压和反向阈值电压。不过,这个电路有一个约束条件,就是
。如果
,那么,我们有
及
,这说明,即使
上升到
或下降到0,电路的状态也不会发生变化,电路处于“自锁状态”,不能正常工作。

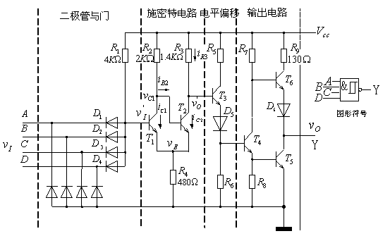
图6.2.4 带与非功能的TTL集成施密特触发器
集成施密特触发器比普通门电路稍微复杂一些。我们知道,普通门电路由输入级、中间级和输出级组成。如果在输入级和中间级之间插入一个施密特电路就可以构成施密特触发器[图6.2.4]。集成施密特触发器的正向阈值电压和反向阈值电压都是固定的。
利用施密特触发器可以将非矩形波变换成矩形波[图6.2.8]。

图6.2.8 用施密特触发器实现波形变换
利用施密特触发器可以恢复波形[图6.2.9(a)(b)(c)]。

图6.2.9 用施密特触发器对脉冲整形
利用施密特触发器可以进行脉冲鉴幅[图6.2.10]。

图6.2.10 用施密特触发器鉴别脉冲幅度
相关热词:#触发器
双向TVS的符号有什么区别吗
时间:2026-03-07
MOS管内的体二极管简析
时间:2026-03-07
什么是TVS二极管?有哪些主要参数呢
时间:2026-03-07
STP20M100S肖特基二极管封装设计介绍
时间:2026-03-07
LM336-5.0基准二极管输出电压的调节
时间:2026-03-07
双向触发二极管的基础知识
时间:2026-03-07
二极管符号大全及电路图形符号
时间:2026-03-07
二极管简易直流稳压电路及故障处理
时间:2026-03-07
二极管经典应用电路详解
时间:2026-03-07
分享19个典型二极管应用电路
时间:2026-03-07
彩灯电路
时间:2026-03-05
三相异步电动机原理
时间:2026-03-04
三相异步电动机的七种调速方式
时间:2026-03-04
转角测量电路
时间:2026-03-05
经典的正弦波发生电路
时间:2026-03-05
电动机单线远程正反转控制电路图
时间:2026-03-04
USB转232电路图
时间:2026-03-04
电度表的工作原理
时间:2026-03-04
电风扇红外遥控器2
时间:2026-03-04
三相异步电动机的拆装详讲
时间:2026-03-04