电子保鲜器实际上是一台臭氧放生器,它是在数对电极上施加近万伏的高压,使电极间产生高压火花,因而使氧气(O2)都分转变为臭气(O3),O3又分解成为初生态氧.由于



相关热词:#保鲜器
基于ARM7的智能拆焊、回流焊台控制系统电路...
时间:2026-03-07
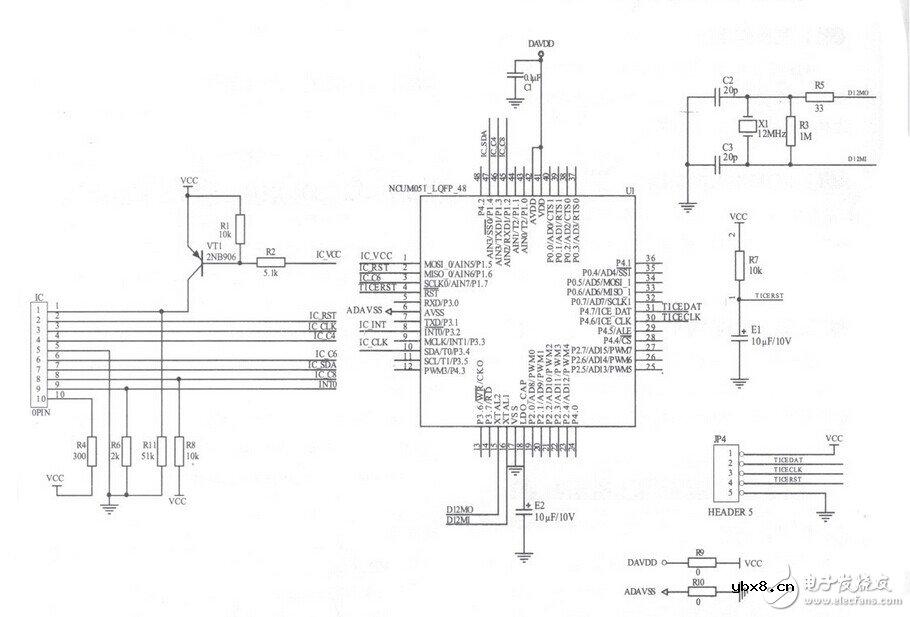
采用NuMicro M05132读写接触式IC卡接口电路
时间:2026-03-07
智能车辆宽高检测系统电路模块设计
时间:2026-03-07
单片机智能视频监控系统电路模块设计
时间:2026-03-07
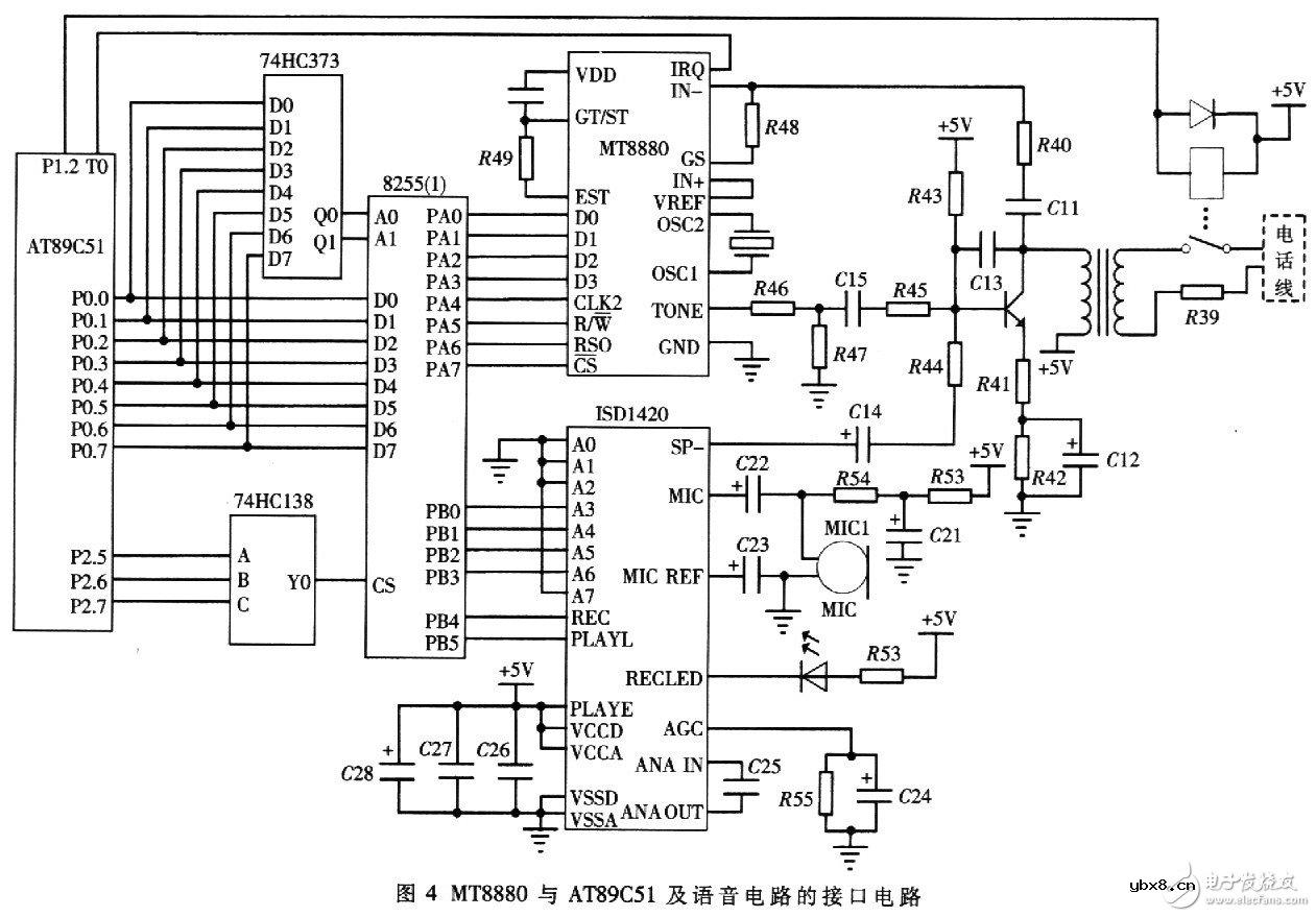
智能语音拨号报警系统电路设计
时间:2026-03-07
USB视频数据采集系统接口电路设计
时间:2026-03-07
一种节能型视频监控终端电路设计
时间:2026-03-07
基于DSP的视频监控系统硬件电路设计
时间:2026-03-07
智能视频监控信号采集电路模块设计
时间:2026-03-07
基于视频监控系统图像传感器接口电路模块设...
时间:2026-03-07
彩灯电路
时间:2026-03-05
三相异步电动机原理
时间:2026-03-04
三相异步电动机的七种调速方式
时间:2026-03-04
转角测量电路
时间:2026-03-05
经典的正弦波发生电路
时间:2026-03-05
电动机单线远程正反转控制电路图
时间:2026-03-04
USB转232电路图
时间:2026-03-04
电度表的工作原理
时间:2026-03-04
电风扇红外遥控器2
时间:2026-03-04
三相异步电动机的拆装详讲
时间:2026-03-04