SS510属于肖特基二极管,封装SMA/SMB/SMC,其比较突出的特点是,正向压降低,反向恢复时间极短。
最大重复峰值反向电压:100V
最大直流阻断电压:100V
最大正向平均整流电流:5.0A
反向恢复时间:10ns(纳秒)以下
当电流=5.0A时,正向压降:0.85V
最大反向直流电流TA=25℃:0.5mA
额定直流阻断电压TA=100℃:20.0mA
工作温度范围:-50~+150℃
存储温度:-50~+150℃
极性:色环表示阴极端

TVS防护电路的典型应用
时间:2026-03-07
LED发光二极管的电气特性
时间:2026-03-07
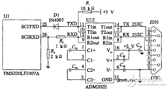
MCS251和PC机间的串口通信电路设计
时间:2026-03-07
室内智能照明控制系统电路设计 —电路图天天...
时间:2026-03-07
LED色温的特性与极限参数的意义
时间:2026-03-07
采用单片机的智能照明控制器电路模块设计
时间:2026-03-07
电子战接收机种类介绍
时间:2026-03-07
LED智能照明系统电路模块设计 —电路图天天...
时间:2026-03-07
揭秘DSP电机控制串行通信系统电路设计
时间:2026-03-07
罗姆超小短波红外器件助力物质检测及医疗健...
时间:2026-03-07
玻璃釉电容器的结构与特点
时间:2026-03-05
电容器入门教程
时间:2026-03-05
关于STM32WL LSE 添加反馈电阻后无法起振的...
时间:2026-03-05
暑期买元器件下单立减还送华为P30pro
时间:2026-03-05
电阻的标称阻值和允许偏差
时间:2026-03-05
使用过滤器电容器和诱导器来抑制受辐射的EM...
时间:2026-03-05
LED固晶机龙头直面“寒冬”
时间:2026-03-05
浅谈高压贴片电容分类与性能参数
时间:2026-03-05
聚四氟乙烯电容器的结构与特点
时间:2026-03-05
漆膜电容器的结构与特点
时间:2026-03-05