在电路中,微分后的正脉冲交替地加到阴极控制极,使SCS接通和断开。当SCS断开时,导向二极管D2和整流二极管D3反向偏置,故脉冲R加到阴极控制极,使SCS接通,当SCS接通时,D1反向偏置,而D2上的反向偏压被D3消除,因而脉冲加到阳极控制极,使SCS断开。接入二极管R4,使470Ω电阻对于阳极的正脉冲不起负载作用。接入二极管D8,使截止脉冲不咋输出端上出现。二极管D8防止微分后的负脉冲在SCS断开时通过D3出现在输出端。可控硅开关管的触发电路图如下:

相关热词:#可控硅
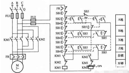
点动控制电路接线图
时间:2026-03-07
声光控灯电路原理图_声光控小灯电路图
时间:2026-03-07
选频声控电路图_选频声控开关电路
时间:2026-03-07
简单的单相汽油发电机控制电路
时间:2026-03-07
多种波形发生器电路图_低频多种波形发生器电...
时间:2026-03-07
两款12v调光器电路图解析
时间:2026-03-07
电子爆竹电路图
时间:2026-03-07
声控小夜灯电路图
时间:2026-03-07
两款高精度定时延时电路图详解
时间:2026-03-07
小家电定时控制器电路图
时间:2026-03-07
彩灯电路
时间:2026-03-05
三相异步电动机原理
时间:2026-03-04
三相异步电动机的七种调速方式
时间:2026-03-04
转角测量电路
时间:2026-03-05
经典的正弦波发生电路
时间:2026-03-05
电动机单线远程正反转控制电路图
时间:2026-03-04
三相异步电动机的拆装详讲
时间:2026-03-04
USB转232电路图
时间:2026-03-04
电度表的工作原理
时间:2026-03-04
电风扇红外遥控器2
时间:2026-03-04