手机探测电路原理可以从一个半米远的距离感激活的移动手机的存在,如果RF信号检测电路会通知你用一个声音报警(蜂鸣声 )和闪烁的指示灯。

相关热词:#电路
两款高精度定时延时电路图详解
时间:2026-03-07
小家电定时控制器电路图
时间:2026-03-07
两款循环定时控制器电路图解析
时间:2026-03-07
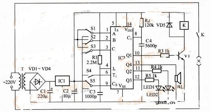
多挡定时器电路图_多档可选定时器电路图
时间:2026-03-07
开关关断长延时电路图
时间:2026-03-07
4小时顺序定时器电路图
时间:2026-03-07
简单的1小时定时器电路图
时间:2026-03-07
秒定时控制电路图_30秒定时器电路图
时间:2026-03-07
电热毯温控器电路图
时间:2026-03-07
两款无触点恒温器控制电路解析
时间:2026-03-07
彩灯电路
时间:2026-03-05
三相异步电动机原理
时间:2026-03-04
三相异步电动机的七种调速方式
时间:2026-03-04
转角测量电路
时间:2026-03-05
经典的正弦波发生电路
时间:2026-03-05
电动机单线远程正反转控制电路图
时间:2026-03-04
三相异步电动机的拆装详讲
时间:2026-03-04
USB转232电路图
时间:2026-03-04
电度表的工作原理
时间:2026-03-04
电风扇红外遥控器2
时间:2026-03-04