本文采用ARM7作为主控芯片,设计了一种智能拆焊、回流焊台控制系统,可以通过键盘操作控制,通过液晶显示屏显示其所处的状态及实时温度曲线,能对多种集成芯片进行拆和焊,适用于集成电路板的维修和加工。
硬件电路
主要由变压器、整流二极管、滤波电容、集成稳压器等构成,为电路提供5V、3.3V和1.8V的稳定电压。
信号检测电路模块
主要由热电偶、运算放大器27L2、DS18B20及ARM7内部AD等组成。将温度转换成处理器可识别的数字信号。

图2 温度采集电路
本设计的温度采集电路如图2所示,在P6口的1、3引脚接热电偶传感器的正端,2、4引脚接热电偶传感器的负端。热电偶采集到信号后经C00、 C10(高频滤波电容)将高频杂波滤除,再经27L2(低频小信号放大器)将信号放大,其中R64与R63的和与R65的比值即为U3B的放大倍数,同理,R60与R62的和与R61的比值为U3A的放大倍数。放大后再经C01和C11将高频杂波滤除,最后该信号被传到ARM7,经其内部AD转换器将模拟电压信号转换成处理器可识别的数字信号。当热电偶传感器探头部分的温度发生变化时,热电偶传感器两端的电压也按一定比例对应发生变化,然后该电压信号经 27L2放大,再经ARM内部AD将模拟量转换成数字量,ARM处理器得到数字量后便知道现在的温度。当然要想精确测温仅有热电偶测温模块是不够的。
因为热电偶传感器有一个缺陷,它测的温度是探头与冷端之间的温度差,也就是说若仅用上述电路测温,则只有在冷端温度为零点的情况下测得的温度才是最精确的,冷端的温度与零点的温差越大,测得的温度数据越不精确。而本设计中焊台加热的同时,热电偶冷端温度会变化,从而造成了测温不准确。为了解决上述问题,特别增加了DS18B20作为补偿,在工业上称为补正系数修正法。
ARM最小系统电路模块

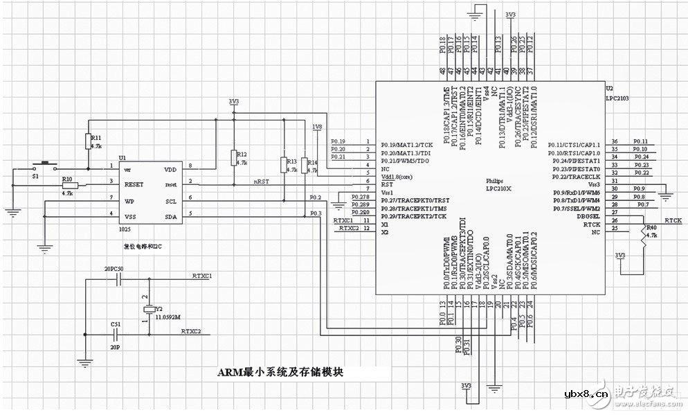
图3 ARM最小系统及外部存储电路图
本设计采用ARM7作为主控芯片,主要因其性价比高、资源丰富、工作稳定可靠。它带有32kB的片内Flash程序存储器和 8kB的片内静态RAM;128位宽度接口/加速器可实现高达70MHz工作频率;10位A/D转换器提供8路输入;2个32位定时计数器和2个16位定时计数器;多达32个通用IO口,可承受5V电压;多个串行接口,包括2个UART、2个I2C总线、SPI和具有缓冲作用和数据长度可变功能的SSP;多达13个边沿、电平触发的外部中断管脚;一个可编程的片内PLL可实现最大为70MHz的CPU操作频率等等。
在图3ARM最小系统中,11.0592M的晶振和两个20pF电容为系统提供稳定的工作频率,然后再经ARM内部锁相环倍频使其工作频率最大可达70MHz。图中的U1为CAT1052,它为系统提供稳定的复位电路,同时为系统提供了256字节的可读写的E2PROM,使系统存储掉电不丢失数据空间。
执行电路模块

图4 执行模块电路图
该设计的执行电路如图4所示。其中PL端口接控制指示灯,PS1为AC220接口,PS2为灯体接口,PS3为电热盘接口,网络标号KONG1 和KONG2接ARM的两个控制引脚。当ARM测到当前温度低于温度曲线上的对应温度(即当前需要加热到的温度)时ARM处理器便让对应的控制端口置零,此时对应的光电耦合器(US1或US2)的发射端工作,使接收端导通,这时电源电压经触发二极管(DS1或DS2)和300Ω电阻后到达双向晶闸管(QS1或QS2)的触发极使其导通,这样电热盘或灯头便开始加热工作。类似的道理,当ARM的控制端给出低电平时,对应的可控硅截止,灯头或电热盘停止加热。
相关热词:
浅析串联电路和并联电路中的电流、电压的规...
时间:2026-03-07
串并联电路的特点与识别串并联电路的四种方...
时间:2026-03-07
555定时器的电路结构与功能,由555定时器实...
时间:2026-03-07
由555定时器组成的单稳态触发器
时间:2026-03-07
555定时器解析,555定时器的工作模式及其应...
时间:2026-03-07
集成555时基电路解析,555时基集成电路与NE...
时间:2026-03-07
555内部电路结构与万用表测试555芯片的性能
时间:2026-03-07
MOS管驱动电路的基础总结
时间:2026-03-07
串扰和反射能让信号多不完整
时间:2026-03-07
二次回路电路原理图及讲解(一)——电路天...
时间:2026-03-07
彩灯电路
时间:2026-03-05
三相异步电动机原理
时间:2026-03-04
三相异步电动机的七种调速方式
时间:2026-03-04
转角测量电路
时间:2026-03-05
经典的正弦波发生电路
时间:2026-03-05
电动机单线远程正反转控制电路图
时间:2026-03-04
三相异步电动机的拆装详讲
时间:2026-03-04
USB转232电路图
时间:2026-03-04
电度表的工作原理
时间:2026-03-04
电风扇红外遥控器2
时间:2026-03-04