嵌入式指纹锁的应用领域十分广泛,有保险箱、实验室、楼道的身份确认等。本文基于指纹识别模块设计和实现了嵌入式指纹锁,给出了一套比较完整的软、硬件设计方案。指纹识别门锁系统的硬件结构主要包括:指纹识别模块、微控制器、读写模块、电源管理和电控锁机构以及门锁功能所需的红外感应电路和液晶LCD显示等,其中核心部分是指纹识别模块和微控制器。
单片机门锁控制电路
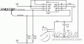
门锁控制的核心结构是微控制器P89LPC932A1,它是一款单片封装的MCU,适合于许多要求高集成度、低成本的场合,可以满足多方面的性能要求。 P89LPC932A1 集成了许多系统级的功能,这样可大大减少元件的数目、电路板面积以及系统的成本。 MCU通过串口与指纹识别模块进行通讯,完成对指纹的录入、删除、身份确认,通过验证后电机控制门锁会执行开关门的动作。以单片机P89LPC932A1 为核心的门锁控制电路原理图如图2所示。P89LPC932A1强大的I/O口多达26个,可以满足外设部分的键盘、LCD液晶显示、指示灯、按键、蜂鸣器等的需求。键盘是用来输入密码的,LCD显示用户注册的信息和ID号,双色指示灯和蜂鸣器用来提醒用户操作是否成功或是发出报警提示。另外,还有一些远程控制的按键开关,用于设备的上电或执行有关开关门的操作。具体设计可根据不同的应用场合和实际功能需求增减外围器件,在尽量满足功能的前提下降低系统功耗。电机控制部分由单片机发出逻辑命令驱动电机进行开关锁动作。图中U1是电源控制芯片R1121N,它输出3.3V给单片机;U2是I2C读写模块 E2PROM,指纹锁的开关门记录和密码等重要信息都保存在其中。R1121N是CMOS工艺电压调节器,具有很高的电压输出精度、很低的输入电流。

图2 门锁控制系统的电路原理图

图3 电机驱动控制原理图
单片机的低功耗设计,低功耗系统设计的基本要求如下: 1) 系统中所有的电路单元都具有功耗管理功能,即该电路单元在非有效操作期间都能被关断(没有功耗)。系统具有按有效时空占空比实施精细功耗管理的能力,能做到合理的系统功耗分配。 2) 对于系统无法企及的微观有效操作,要求由电路静、动特性来满足功耗分配,即电路动态过程有功耗,电路静态时没有功耗。
相关热词:#接口电路
无线遥控器电路图制作
时间:2026-03-07
无线电遥控门铃电路原理图
时间:2026-03-07
NE555过流保护检测器电路图
时间:2026-03-07
串联谐振升压原理
时间:2026-03-07
谐振回路的工作原理
时间:2026-03-07
电容降压电路原理
时间:2026-03-07
实用的电容降压电路
时间:2026-03-07
低成本的阻容降压电路原理图分析
时间:2026-03-07
阻容降压原理及电路
时间:2026-03-07
阻容降压电路的误区
时间:2026-03-07
彩灯电路
时间:2026-03-05
三相异步电动机原理
时间:2026-03-04
三相异步电动机的七种调速方式
时间:2026-03-04
转角测量电路
时间:2026-03-05
经典的正弦波发生电路
时间:2026-03-05
电动机单线远程正反转控制电路图
时间:2026-03-04
三相异步电动机的拆装详讲
时间:2026-03-04
USB转232电路图
时间:2026-03-04
电度表的工作原理
时间:2026-03-04
电风扇红外遥控器2
时间:2026-03-04