随着移动设备向多核、大屏、超薄发展的趋势,移动设备电量的消耗在不断加快,用户希望移动设备的充电速度更快,发热量小,以及可以随时随地的为移动设备充电。显然,快速充电以及无线充电技术是此问题的理想解决方案。
德州仪器(TI)宣布推出新型锂离子电池充电器集成电路(IC) ——与其它充电器解决方案相比,其可将智能手机及平板电脑充电时间缩短一半。该bq2419x系列额定4.5A输出、20V输入开关模式充电器具有I2C 接口并提供USB移动(OTG) 支持,可为移动电源及电源组, 4G LTE路由器、Wi-Fi扬声器、便携式医疗以及工业设计等各种应用实现更快、更低温度的充电。

消费者希望便携式电子产品的电池充电速度不断提升。新设计需要更高精度、更高效率的充电电路来确保系统在以更快速度充电的同时,在低温下安全工作。TI最新bq24190、bq24192、 bq24192i、bq24193、bq24195、bq24195L以及bq24196快速充电电路不但可通过电池路径阻抗补偿缩短充电时间,还可提供可编程热管理功能确保系统工作最安全可靠。机电池经数月充放电后出现持续工作时间不长的情况,令手机用户倍感困扰。

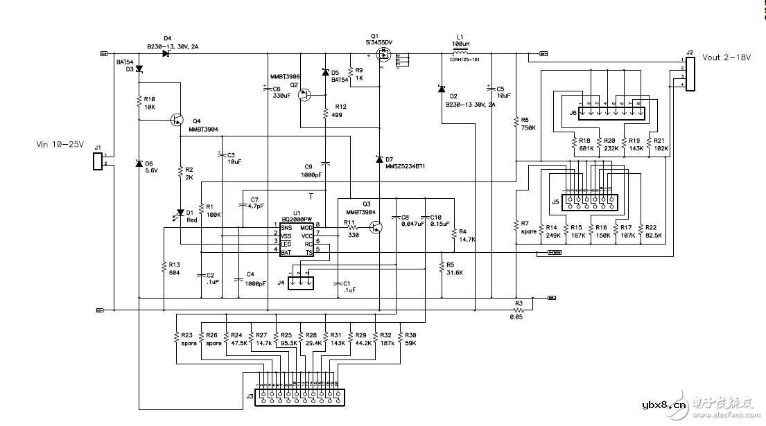
下载:可编程多化合物快速充电电路设计
电路原理:该参考设计是可编程的单片IC 解决方案,适用于单化学物或多化学物应用中对镍镉 (NiCd)、镍氢 (NiMH) 或锂离子 (Li-Ion) 电池的快速充电管理。其会选用合适的电池化学物(镍或锂),并使用最佳的充电和终止算法执行操作。该过程消除了不良充电、充电不足或过度充电的情况,并确保快速充电的精确度和安全终止。
电路特性
串联电池数:1S 至 25S
最大输入电压:25V
最大充电电流:1A
拓扑结构:开关模式
电池容量整体在增加,所以要用更大的电流充电才能达到和以前一样的充电速率,但这会缩短电池的使用寿命。德州仪器电池电源管理方案市场开发经理俞明介绍说,TI把电量计和充电IC结合起来,用电量计来控制充电IC,通过阻抗跟踪技术获取电池老化程度、内部的一些温度和各种满充状况。在这个基础上对充电IC进行一些控制,能够最优化设置充电电压和充电电流。
电子发烧友网技术编辑点评分析:
充电电流超出了电池所能承受的最优化、最安全的充电范围时,会造成一些电池内部的锂沉淀,在电极和隔离膜上,这种锂沉淀不可逆转,体现在电池内阻可以看到电池内阻急剧增加,意味着我们用同样的电流充电时电压很快达到满充电压,但放电的时候又会很快的放光,本来我需要8小时续航时间的电池,但经过大电流充电老化以后,可能用户在两三个小时电池又没电了,续航时间受到很多影响。现阶段的无线充电是二维自由度,不是在三维范围进行充电;充电标准限制的最大的功率为5瓦特;充电是一对一配对而且只支持单向通信。未来,无线充电技术功率上不局限在5瓦特,15瓦的标准出来后,手机应用可以延伸至平板甚至超级本应用;通过松耦合技术可实现一对多配对,为更多的设备同时供电;发射端与接收端还可以实现双向通信。
经典参考设计:
快速充电的特点及原理
智能手机的快速充电方案
可控硅快速充电机电路图
电动汽车蓄电池无损伤快速充电
基于AT89C51的电动自行车快速充电器设计
经典资料下载:
【TI】锂离子锂聚合物电池保护IC BQ29700
【TI】具有集成保护功能的bq27742-G1单节锂离子电池电量监测计
【TI】多节锂离子电池组管理器BQ40Z50
bq51003
bq25100
bq51013 符合 Qi 标准的 5V 无线电源接收器解决方案
大家如有问题,欢迎在评论处讨论。
——电子发烧友网整理,转载请注明出处!
相关热词:#单片机
浅析串联电路和并联电路中的电流、电压的规...
时间:2026-03-07
串并联电路的特点与识别串并联电路的四种方...
时间:2026-03-07
555定时器的电路结构与功能,由555定时器实...
时间:2026-03-07
由555定时器组成的单稳态触发器
时间:2026-03-07
555定时器解析,555定时器的工作模式及其应...
时间:2026-03-07
集成555时基电路解析,555时基集成电路与NE...
时间:2026-03-07
555内部电路结构与万用表测试555芯片的性能
时间:2026-03-07
MOS管驱动电路的基础总结
时间:2026-03-07
串扰和反射能让信号多不完整
时间:2026-03-07
二次回路电路原理图及讲解(一)——电路天...
时间:2026-03-07
彩灯电路
时间:2026-03-05
三相异步电动机原理
时间:2026-03-04
三相异步电动机的七种调速方式
时间:2026-03-04
转角测量电路
时间:2026-03-05
经典的正弦波发生电路
时间:2026-03-05
电动机单线远程正反转控制电路图
时间:2026-03-04
三相异步电动机的拆装详讲
时间:2026-03-04
USB转232电路图
时间:2026-03-04
电度表的工作原理
时间:2026-03-04
电风扇红外遥控器2
时间:2026-03-04