隔离放大器,隔离放大器是什么意思
隔离放大器 隔离放大器是一种输入电路和输出电路之间电气绝缘的放大器,一般采用变压器或光耦合传递信号,在工业控制、信号测量和医疗器械,信号放大等各个方面获得广泛应用。实用于电信,电力,石油,石化,环保,水处理,冶金,食品,暖通空调等领域。
隔离放大器作用是对模拟信号进行隔离,并按照一定的比例放大。在这个隔离、放大的过程中要保证输出的信号失真要小,线性度、精度、带宽、隔离耐压等参数都要达到使用要求。对被测对象和数据采集系统予以隔离,从而提高共模抑制比,同时保护电子仪器设备和人身安全。
隔离放大器可应用于高共模电压环境下的小信号测量,对被测对象和数据采集系统予以隔离,从而提高共模抑制比,同时保护电子仪器设备和人身安全。
隔离放大器按耦合方式的不同,可以分为变压器耦合、电容耦合和光电耦合三种。
采用变压器耦合的隔离放大器有:
BURR -BROWN公司(以下简称BB公司)的ISO 212、3656
Analog Devices公司(以下简称AD公司)的AD202、AD204、AD210、AD215
采用电容藕合的隔离放大器有:
BB公司的ISO102 , ISO103 , ISO106 , ISO107 ,ISO113、ISO120、150121、150122、ISO175
采用光电藕合的隔离放大器有:BB公司的ISO 100 , ISO 130 , 3650 , 3652
•惠普公司(以下称HP)的HCPL7800/7800A/7800 B
其中,有一些隔离放大器还提供了内置DC/DC变换器,以简化电路、节省空间、降低成本、提高性能,给使用者提供更大的灵活性。这些隔离放大器包括:
BB公司的ISO 103、IS0107 , ISO113 , IS0212、ISO213 , 3656(三端隔离)
AD公司的AD 202 ,AD 204、AD 210(三端隔离)、AD 215
表1列出了各种隔离放大器的基本参数。

下面介绍几种具有代表性的隔离放大器
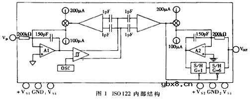
ISO 122
ISO122隔离放大器的内部结构见图1在输人侧,输人信号Vin,经调制后,以数字量的形式由差分电容祸合到输出侧。调制过程通过切换士100uA电流源来实现。
在输出侧,数字信号解调并滤除解调过程中产生的纹波,还原为模拟量信号输出。Vout经20k电阻反馈到加法器与土100uA电流源综合,从而使得Vout平均值正比于Vin。输出端的采样保持器则用于滤除解调过程中产生的固有纹波。
由于采用了数字化调制手段,隔离栅的性能不会影响到模拟信号的完整性,所以有较高的可靠性和良好的频率特性。ISO 122不需要外接其它元件就可以工作。其线性度优于0.02%,带宽SOkHz。输入侧和输出侧各需要一组士15V电源(士4.5一士18V).

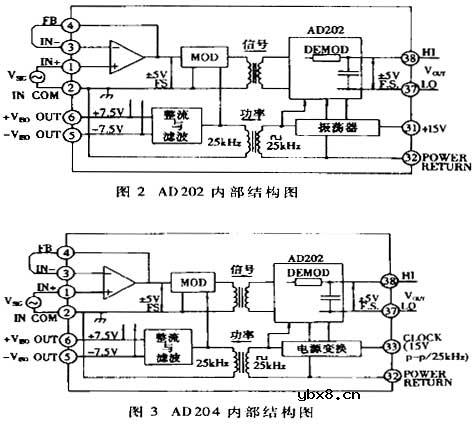
AD202/204
AD 202 /204的内部结构见图2、图3AD 202 / 204采用调幅手段,利用变压器将直流或交流信号祸合到输出侧。
AD 202 / 204的输入端内置一个独立的运算放大器,可以用作输人的缓冲、提供必要的增益,或者用作滤波器、加法器、I/V转换等等。对于有这类需要的电路来讲非常方便。
AD202/204内置一个DC/DC变换器,输出为士7.5V。可以提供电源给输入侧的运算放大器、调制器或其它电路。
AD202 , AD204的区别在于:AD202直接由士15V电源驱动而AD 204由外部时钟提供电源。这样,在多通道情况下,几个AD204可以共用一个时钟源,降低了功耗和成本,提高了带宽,同时其内置DC/DC也可以提供更大的功率输出。

3650、3652
BB公司的3650,3652为由线性光祸构成的隔离放大器。光电藕合器广泛用作数字电路中的隔离,若用于模拟电路,则有明显的缺点:一是非线性;二是稳定性受到环境温度和时间的影响。需要采取特殊措施加以解决。
3650 , 3652的工作原理可以由图4说明。
高位水箱蓄水自动控制电路
时间:2026-03-05
简易电极式水位自动控制电路
时间:2026-03-05
简易水塔上水控制电路
时间:2026-03-05
简易水位控制
时间:2026-03-05
节水控制电路
时间:2026-03-05
金属控头水位控制器
时间:2026-03-05
全自动电热水控制电路
时间:2026-03-05
全自动供水控制电路
时间:2026-03-05
三级水位指示电路
时间:2026-03-05
三相接触电路
时间:2026-03-05
瞬间抑制二极管(TVS)/瞬间抑制二极管(TVS)是...
时间:2026-03-04
什么是霍尔传感器
时间:2026-03-05
半导体材料的主要种类有哪些?
时间:2026-03-04
数字比较器,数字比较器是什么意思
时间:2026-03-04
常用整流二极管型号大全
时间:2026-03-04
S/HS固态继电器原理简介
时间:2026-03-04
稳压二极管的选用和代换
时间:2026-03-04
TVS器件的电特性有哪些
时间:2026-03-04
TVS二极管的分类/应用,TVS二极管的特点/选用...
时间:2026-03-04
快恢复二极管,快恢复二极管是什么意思
时间:2026-03-04