温度测量系统应用广泛, 涉及到各行各业的各个方面, 在各种不同的领域中都占有重要的位置。从降低开发成本、扩大适用范围、系统运行的稳定性、可靠性出发, 设计一种以PT100 铂热电阻为温度信号采集元件、EW78E58 单片机为控制核心、OCMJ4@8C 液晶显示器为显示器件的温度测量系统。
电压放大及A/ D 转换接口电路
PT100 铂热电阻一端输出的电压很小, 如果直接与A/ D 转换器相连接, 则转换数据偏差较大; 所以本设计中将PT100 铂热电阻一端输出的电压放大10 倍后与电压跟随器相连接, 再进行A/ D 转换, 这样就能得到较好的转换效果, 如图2 所示。精密放大器INA118 和电压基准芯片MC1403 组成放大电路, VIN+ 为PT100 铂热电阻一端输出的电压值;WIN- 为基准电压源MC1403 输出的电压值; VOUT 为放大后的输出电压值。

选用双积分型3( 1/ 2) 位的MC14433 芯片A/ D 转换器( 相当于11 位二进制数) , MC14433 采用动态扫描BCD 码输出方式, 即千、百、十、个位BCD 码轮流地在Q0~ Q4 端输出, 同时在DS1~ DS4 端出现同步字位选通信号 。如图3 所示。MC1403 集成精密+ 2. 5 V 电压源经电位器分压后作为A/ D 转换的基准电压。MC14433 的DU 端与EOC 端相连, 以选择连续转换方式, 每次转换结果都送至输出寄存器。EOC 是A/ D 转换结束的输出标志信号。单片机在读取A/ D 转换结果时, 可以采用中断方式或查询方式。为使单片机能忙于其他任务, 本设计系统采用中断方式。DU 端与EOC 相连后经光耦连至单片机的INT1 端。

光耦隔离电路

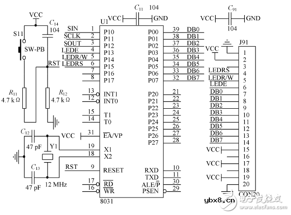
字字符的数量, 更加发挥了液晶显示技术在单片机系统中的应用 。OCMJ4 @8C 模块非常适用于显示汉字信息量较大的智能仪器仪表系统及家用电器。可采用8 位并列接口传输讯号及串行接口与串行传输资料2 种资料传输方式。本设计系统采用的是并列传输方式。单片机控制与液晶显示接口电路如图 所示( J91 和J11 用于连接液晶显示器) 。

单片机与液晶显示接口电路图
电子发烧友网技术编辑点评分析:
基于单片机和LabVIEW的SoE 系统, 实现了低成本的数据采集系统架构, 在实际开发中, LabVIEW 表现出很强的灵活性。LabVIEW 环境下的单片机数据采集系统将单片机用于数据采集的灵活性与Lab2VIEW 强大的数据分析处理能力相结合, 可广泛用于测控领域。该测量系统不但可以测量室内的温度, 还以测量液体、种子等内的温度, 在实际应用中, 该系统运行稳定、可靠, 电路设计简单实用。
大家如有问题,欢迎在评论处讨论。
——电子发烧友网整理,转载请注明出处!
--------------------
测试巨头的物联网方案与策略、根本停不下来的创意DIY,尽在《测试测量特刊》!
相关热词:#接口电路
5v太阳能路灯电路图大全(四款5v太阳能路灯...
时间:2026-03-07
双向可控硅调光电路图大全(四款模拟电路设...
时间:2026-03-07
太阳能路灯电路设计与仿真
时间:2026-03-07
30w太阳能路灯设计方案汇总(六款太阳能路灯...
时间:2026-03-07
ne555调光电路图大全(五款模拟电路设计原理...
时间:2026-03-07
60w太阳能路灯设计方案汇总(四款模拟电路设...
时间:2026-03-07
220v双向可控硅电路图大全(八款模拟电路设...
时间:2026-03-07
单向可控硅光控电路图大全(四款模拟电路设...
时间:2026-03-07
可控硅调压器电路图大全(八款模拟电路设计...
时间:2026-03-07
单向可控硅最筒单电路图大全(四款模拟电路...
时间:2026-03-07
彩灯电路
时间:2026-03-05
三相异步电动机原理
时间:2026-03-04
三相异步电动机的七种调速方式
时间:2026-03-04
转角测量电路
时间:2026-03-05
经典的正弦波发生电路
时间:2026-03-05
电动机单线远程正反转控制电路图
时间:2026-03-04
三相异步电动机的拆装详讲
时间:2026-03-04
USB转232电路图
时间:2026-03-04
电度表的工作原理
时间:2026-03-04
电风扇红外遥控器2
时间:2026-03-04