“ 向我们通常忽视的元件致敬。 ”
二极管的妙用
在今天的电子学课程中,二极管可能是最被忽视的元件。关于电阻、电容和电感的原理已有连篇累牍的著述;但二极管的内容却不多见。
二极管既没有线性电路那样的数学严谨性,也没有晶体管那样的“红毯待遇”。当人们惊叹于这个元件时,通常也是在谈论像耿氏二极管或隧道二极管这样的奇特发明,而这两者在现实生活中几乎都遇不到。
今天,让我们向“普通”二极管致以小小的敬意。
二极管的工作原理
在之前一篇关于半导体物理的文章中,我提到纯硅是一种不良的电导体。这是因为该材料缺乏能长时存在的、可移动的电荷载流子。虽然价电子短暂地跃迁到更高能态时,热激发仍可能产生一些传导,但这些电子在返回较低能级之前无法移动很远,所以这种效应或多或少可以忽略不计。
通过添加掺杂剂可以提高材料的导电性。一些掺杂剂贡献了长时存在的电子,它们占据了较高的能级,且没有较低能级的空位可供返回;这就是所谓的 n 型半导体。其他添加剂则在价带中创造了易于接触的空位(“空穴”);在这种 p 型材料中,较低能量的电子可以在原子间“滑行”,而无需被激发到更高能态。
当 n 型材料与 p 型半导体接触时,来自 n 侧的高能电子会随机扩散到 p 侧,然后迅速落入大量的低能空穴中。这会在结处产生一个内部电场,达到热力学平衡。n 侧带正电荷,p 侧带负电荷:

p-n 结的简单图示。
这个电场会将任何游荡到耗尽区的可移动电子推回 n 侧。结果是在边界处形成了一个薄的、导电性差的耗尽区。
p-n 结的电场可以被外部施加的电压所抵消;如果我们使 p 侧的电压远高于 n 侧,就会有一些电流流过。对于硅来说,当正向电压达到约 600 mV 时,结会变得明显导电,尽管在此之前就会有微安级的电流流过。
传统的二极管就是一个 p-n 结。该元件可以被认为是一个基本的电压控制器件:当电压低于某个阈值时,它表现出非常高的电阻:通常超过 100 kΩ,因此几乎没有电流可以通过。当超过该阈值时,二极管开始允许更可观的电流通过。V-I 曲线最初是指数型的,但很快,材料的固有电阻开始占主导地位。从那时起,电流与“多余的”施加电压大致呈线性关系:

1N4148 二极管正向偏置时的电压电流图。
纠结于真实二极管的精确数学模型没有太大意义,但我关于 V-I 曲线并非真正指数型的断言可能与你在别处听到的相悖。为了支持这一点,我们可以在对数尺度上观察其行为。在这个视图中,指数增长应该呈现为一条直线;然而,二极管的曲线却明显弯曲:

某个 1N4148 变体的对数刻度 V-I 曲线,来自 MCC 规格书。
到目前为止,我们讨论了称为正向偏置的情况。如果二极管被反向偏置,即 p 侧的电压低于 n 侧,该元件理论上保持不导电。嗯……在一定程度上是这样。
一种可能的反向偏置情况是,如果反向电压变得足够高,电场可以将耗尽区中偶然出现的电荷载流子加速到一定程度,使其撞击出其他电子进入导带,产生雪崩效应。这些由动能产生的丰富载流子使得结意外地再次导电。
大多数二极管被设计成使其反向击穿电压远超器件的预期工作范围。而一个特殊的元件类别,称为齐纳二极管——则被设计为在较低的、经过仔细校准的电压下发生反向击穿。无论哪种方式,一旦超过阈值,反向偏置的二极管就会开始良好导电:

1N4148 二极管处于反向偏置状态。
现在我们已经掌握了基本理论,可以看一些二极管的常见用途了。
电路保护
二极管最简单的应用之一就是电路保护。让我们从左侧所示的布置开始:

几种基于二极管的电路保护方案。
在第一个电路中,一个齐纳二极管反向偏置接在受保护线路和地之间。在正常工作条件下,该二极管保持不导电,但当输入电压超过安全极限时,它会发生电气击穿,从而暂时开始导电。实际上,该二极管起到了“撬棍”的作用,耗散能量并保护下游更精密的元件。专为此目的设计的二极管通常作为瞬态电压抑制器 (TVS) 销售,对于保护半导体免受静电放电损害尤为重要。另一个应用是抑制当我们突然切断供给电机和其他感性负载的电流时产生的电压尖峰。
单个二极管只能用于保护输入信号具有确定极性的输入,即其中一条线总是比另一条线更正。为了给极性交替的交流信号提供过压保护,我们转而依赖上图右侧所示的双二极管布置。这种元件组合也以双向 TVS 的单封装形式提供。
在后一个电路中,无论施加电压的极性如何,“撬棍”路径总是由一个正向偏置的二极管与一个反向偏置的二极管串联而成。因此,正向和负向的导通阈值是相同的:它们等于二极管的反向偏置击穿电压,再加上大约 600 mV。
最下方的图显示了另一种保护技术。一个具有高反向击穿电压的普通正向偏置二极管与电源串联;这种布置可以防止在电源极性意外接反(例如电池装反)时损坏敏感元件。其代价是 p-n 结上不可避免的电压降,以及如果电流很高时的阻性发热,因此通常首选基于晶体管的解决方案,尤其是在低压电路中。
用二极管作电压基准
如前所述,大多数二极管被设计为能承受非常高的反向偏置电压,通常超过 -100 V;尽管如此,一个特殊的产品类别:齐纳二极管,被设计为在此之前就开始导电。
当正向偏置时,这种二极管的行为与其常规对应物相同,在 600 mV 左右变得明显导电。当反向偏置时,它会在制造商选择的更高电压下开始导电,常见选项范围从 1.8 V 到 30 V。
本文前面显示的 V-I 图告诉我们,一旦反向击穿开始,施加电压的微小变化就可以在流过的电流中产生相对较大的摆幅。我们也可以从另一个角度来看:如果通过二极管的电流以某种方式受到限制,那么该电流的波动对二极管两端产生的电压影响相对较小。
这一观察结果使得二极管可用作电压基准。我们使用一个未稳压的电源,例如电池,在最简单的变体中,使用一个电阻来大致限制流过二极管的电流。根据你想要的电压,你可以使用一个或多个正向偏置的二极管、一个反向偏置的齐纳二极管,或它们的某种组合。

一个简单的基于二极管的电压基准。
根据欧姆定律,电阻允许的电流将随电源电压线性变化 (I = V/R),但这些电流波动对二极管电压的影响要小得多。这是一个用 1N4733 二极管和 100 Ω 电阻构建的电路的实验图:

使用 1N4733 二极管的电压基准特性。
输出电压的摆幅不到输入信号波动的 5%:45 mV 对 1 V。这个数字听起来可能不那么令人印象深刻,但该电路可以级联:一个电阻-二极管电压基准的输出可以用作第二个电压基准的电源电压。效果是叠加的:5% 的 5% 等于 0.25%。

一个级联电压基准。
当然,第一个二极管的齐纳电压应该高于第二个。此外,为了使级联布局正常工作,我们需要确保第二级吸收的电流远低于流经预期电阻-二极管路径的电流。确保这一特性的一种方法是选择 R1≪ R2。另一种解决方案是用一个晶体管电路来隔离这两个阶段,该电路镜像第一级的输出电压供第二级使用;这种电压跟随器电路在这里讨论。
如今,对于精密应用,人们更青睐带有温度补偿的、更复杂的基于晶体管的电路。尽管如此,齐纳二极管在紧要关头仍然提供了一个可行的解决方案。
整流器与包络跟随器
让我们考虑下面所示的电路:

一个简单的整流器。
这个电路称为半波整流器。如果我们以标记为 B 的底部输出支路作为所有电路电压的参考点,然后分别评估输入交流波形的正半周期和负半周期,分析是最简单的:

半波整流器的简化分析(不考虑二极管压降)。
在正弦波的正半周期,当电源的上部端子为正时,二极管最初是正向偏置的。假设信号源阻抗较低,这允许电容器充电到等于输入信号峰值幅度减去某个二极管压降的电压。
当信号极性反转时,使上部电源端子为负,二极管变为反向偏置且不导电,因此电容器保持电荷。以下是该过程的离散时间仿真;我在输出端子上添加了一个适度的阻性负载,以便在每个正峰值之间轻微地对电容器放电:

半波整流器的仿真。
如果负载电阻成为电路的永久部分,并且其选择使得电容器放电足够快,以跟上传输波的幅度调制,我们就得到了一个称为包络跟随器的电路。该电路是在 AM 广播电路中从载波信号中提取近似调制波形的简单方法:

包络跟随器的仿真。
如果我们想构建一个测量音频信号近似响度的电路,或者更一般地,想锁定任何复合波形中缓慢变化的成分,也可以使用相同的原理。
半波整流器的缺点是电容器仅由正弦波的正半周期充电;如果目标是最大化传递给负载的功率,这是浪费的。这个缺陷可以通过构建一个全波整流器来解决,如下所示:

全波整流器。
再次强调,如果我们考虑输出 B 为参考点,电路的分析是最简单的:

全波整流器的简化分析(不考虑二极管压降)。
在正半周期,二极管 D1 和 D2 最初是正向偏置的;这允许电容器充电到交流峰值电压(减去两个二极管的压降总和)。在负半周期,二极管 D3 和 D4 变为正向偏置,这将输出 B 连接到上部电源端子。同时,当前处于更高电压的底部电源端子连接到 A 点。这允许电容器继续以与之前相同的极性充电。
该过程的仿真如下所示:

全波整流器的行为。
倍压器
上一节中概述的整流器电路使用二极管作为电压控制开关。相同原理的另一个应用是称为倍压器的电路。
倍压器有多种形式,但一种特别简洁的设计如下所示。该电路输出的直流电压等于以零为中心的输入波形峰值幅度的两倍,减去通常的二极管压降。这与前面讨论的整流器电路形成对比,后者仅产生接近峰值幅度的直流电压:

倍压器分析(忽略二极管压降)。
这次,让我们使用两个电容器之间的中点作为电压测量的参考点。在交流信号的正半周期(左侧面板),上方的二极管 (D1) 可以导通,为顶部电容器充电。这使输出端子 A 相对于中点处于正电压。
接下来,让我们看看负半周期(右侧)。在这种情况下,顶部二极管始终是反向偏置的,因此它不导电;C1 保持电荷。同时,下方的二极管 D2 可以导通,它为 C2 充电,使得输出端子 B 相对于中点最终处于负电压。实际上,我们将输入波形的正峰值电压存储在 C1 中,将负最大值存储在 C2 中。B 和 A 之间的总电压是 V(peak) *2(再次强调,减去预期的二极管压降)。
这种用开关电容器倍增电压的方法至今仍在使用,尽管现代电路通常使用数字控制的晶体管代替二极管;这避免了电压降,并且不需要交流电压源。如果你对此类电路感兴趣,我这里有另一篇文章。
直流恢复器
大多数时候,以零伏为中心的交变波形处理起来很不方便;特别是,构建那些依靠单电压供电,但又能辨别、放大或产生低于负电源轨的信号的电路更具挑战性。
这给我们带来了一种有点绕的替代方法。该电路称为钳位器,或者,更不那么隐晦地说,直流恢复器。它获取一个交流波形并将其平移,使得负峰值大致在零伏,而对信号幅度没有明显影响:

钳位电路。
暂时,让我们忽略可选的电阻。我们从输入正弦波的第一个正半周期开始(左上):

钳位电路分析(忽略二极管压降)。
最初,电容器未充电 (V(cap) = 0 V);此外,没有通过二极管的电流路径,因此无法充电。详细说明:为了使能量存储在电容器中,流入和流出极板的电荷运动必须对称。这样,由此产生的静电场,一个极板上越来越正,另一个极板上越来越负,在很大程度上相互抵消,允许借助适度的电压移动不可忽略的电荷。
如果电容器的一个引脚悬空,该器件就不能充电或放电;相反,其先前的充电状态会以电压的形式持续存在于其端子上。如果我们拿一个充电到 1 V 的电容器,将其一个引脚连接到 10 V 电源,另一个引脚相对于地将读到 11 V。如果将其连接到 -5 V 电源,我们将得到 -4 V 的读数。这与将电池与另一个电压源串联没有区别。在我们的电路中,初始 V(cap) = 0 V,所以在正半周期,电容器不增加任何东西,输出引脚 A 上的电压只是跟随输入波形。
在随后的负半周期中,一旦 A 点的电压达到约 -600 mV,二极管开始导通(右上)。这将 A 点的电压钳位,同时允许电容器充电,使其左侧端子相对于右侧端子变为负。如果我们从左到右测量 V(cap),得到的电压是正的,等于电源信号的峰值幅度(减去二极管压降)。
在接下来的正周期中,二极管再次变为反向偏置,因此电容器必须保持其先前的电荷;这意味着 V(cap) 保持不变,并且 A 点的电压必然从输入波形偏移了该量。如果输入波形在 -V(peak) 到 +V(peak) 之间运行,则输出现在将从大约 -600 mV 移动到 V(peak)*2 – 600 mV。
可选负载电阻的作用是,它控制电路响应信号幅度逐渐变化的能力。没有它,电路理论上会永远卡在由遇到的最大单周期输入波形摆幅决定的电压偏移上。有了电阻,电容器可以随时间放电,因此如果波形的包络以某种方式发生变化,偏移量也可以改变。
在实践中,二极管的漏电流和电容器的自放电率通常足以使电路在没有输出电阻的情况下也能合理工作。如果你想尝试这种布局,我建议使用 10-100 µF 的电容器,并且要么省略电阻,要么使用一个大电阻 (1 MΩ)。
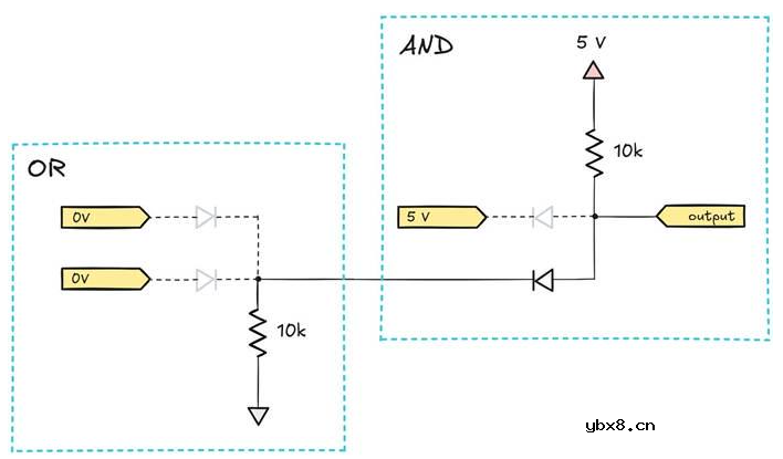
基于二极管的逻辑
或门 (OR gate) 是一种具有两个或多个输入的电路,当任何输入为正电压时,它会产生正电压。相反,与门 (AND gate) 仅在所有输入均为正时才输出正信号。许多读者可能熟悉这个概念在计算中的应用,但更简单地说:或门的一个实际应用可能是一个电路,在任何门或窗传感器被触发时发出警报。与门的一个应用可能是一个系统,在所有停车位都被占用时点亮“车位已满”的标志。
有简单的方法可以用二极管实现这种逻辑:

用二极管构建的逻辑“伪”门。
在或门电路(左)的情况下,如果正电源轨连接到任何输入端子,这将使相应的二极管正向偏置,并导致电流流过电阻。因为正向偏置二极管的阻抗远低于 10 kΩ 电阻的阻抗,所以输出电压会飙升到非常接近上电源轨。
与门电路(右)的工作方式基本相反:如果任何输入连接到地,这会将输出电压拉近 0 V,因此只有当两个输入都为高电平(或悬空)时,输出才为正。
我在插图中给“门”加上所谓的引号,是因为这些电路不容易组合以实现更复杂的数字逻辑;每个门都需要电流流过输入端子,但它不一定能在其输出引脚上传递这样的电流。一个特别麻烦的情况如下所示:

尝试级联基于二极管的门电路。
在图示的输入信号下,四个二极管中有三个是反向偏置的;唯一的电流路径是正电源轨和地之间的串联电阻-二极管-电阻连接。该电路本质上是一个基于电阻的分压器;它没有提供二元输出,而是产生了一个模糊的中间电压。
换句话说,该解决方案适用于单步逻辑;要构建真正的计算机,我们需要那些能够提供比它们作为上游门输入所需求的电流更高的输出电流的门。
本文转载自 lcamtuf 的 blog:
https://open.substack.com/pub/lcamtuf/p/things-you-can-do-with-diodes,经翻译及修订。
5v太阳能路灯电路图大全(四款5v太阳能路灯...
时间:2026-03-07
双向可控硅调光电路图大全(四款模拟电路设...
时间:2026-03-07
太阳能路灯电路设计与仿真
时间:2026-03-07
30w太阳能路灯设计方案汇总(六款太阳能路灯...
时间:2026-03-07
ne555调光电路图大全(五款模拟电路设计原理...
时间:2026-03-07
60w太阳能路灯设计方案汇总(四款模拟电路设...
时间:2026-03-07
220v双向可控硅电路图大全(八款模拟电路设...
时间:2026-03-07
单向可控硅光控电路图大全(四款模拟电路设...
时间:2026-03-07
可控硅调压器电路图大全(八款模拟电路设计...
时间:2026-03-07
单向可控硅最筒单电路图大全(四款模拟电路...
时间:2026-03-07
玻璃釉电容器的结构与特点
时间:2026-03-05
电容器入门教程
时间:2026-03-05
关于STM32WL LSE 添加反馈电阻后无法起振的...
时间:2026-03-05
暑期买元器件下单立减还送华为P30pro
时间:2026-03-05
电阻的标称阻值和允许偏差
时间:2026-03-05
使用过滤器电容器和诱导器来抑制受辐射的EM...
时间:2026-03-05
LED固晶机龙头直面“寒冬”
时间:2026-03-05
浅谈高压贴片电容分类与性能参数
时间:2026-03-05
聚四氟乙烯电容器的结构与特点
时间:2026-03-05
漆膜电容器的结构与特点
时间:2026-03-05