USB Type-C连接器于2014年底面世,一经推出便得到广泛应用,并已成为连接各类电子设备与外围设备的行业标准。除对称结构带来的明显优势外,相较于早期USB接口,它还具备其他优点,包括能够实现非常高的数据传输速率(高达80 Gbps Tx和80 Gbps Rx),并可通过单个端口提供高达240 W的功率。在本白皮书中,Nexperia探讨了在交流耦合超高速数据线中,将高电压ESD保护二极管置于位置A,或将低电压ESD保护二极管置于位置B,哪种布局可提供更有效的短路保护。

△ 图1 USB Type-C接口的引脚分配
尽管USB PD规范包含多种安全机制1,但USB设计人员仍面临一个关键问题:如何在VBUS电源线因使用不合规连接器或系统而与数据线发生电接触时,确保接口得到有效保护。最新USB 4标准规定超高速线对必须采用交流耦合方式,增加了提供充分保护的设计复杂性。图1所示为USB Type-C连接器的引脚排列。
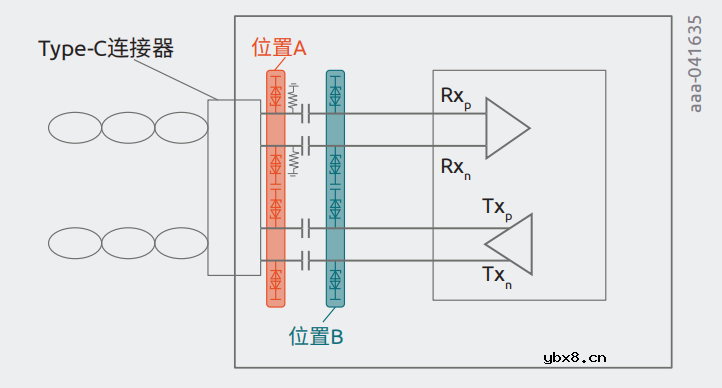
图2显示了在交流耦合的超高速线路中,ESD保护二极管的两种放置位置:一种靠近连接器端(位置A),另一种位于交流耦合电容与受保护收发器IC之间(位置B)。

△ 图2 超高速数据线中ESD保护二极管的两种放置选项
研究ESD应力对交流耦合电容的影响
初步研究主要分析ESD应力对交流耦合电容的影响,因为在位置B放置保护二极管会导致这些电容在ESD事件中失去保护。
Nexperia设计中常用的多种0402’’交流耦合电容2在承受持续时间为100 ns、上升时间为1 ns (1/100 ns)的传输线脉冲(TLP)测试时,均展现出良好的ESD鲁棒性。测试结果显示,330 nF电容器在高达约60 A的TLP冲击下未出现损坏迹象,而220 nF电容器在高达约55 A TLP下也未出现损坏(分别相当于IEC 61000-4-2标准约30 kV和27 kV的脉冲水平)。
同时,还测试了两家制造商提供的25 V额定电压、220 nF 0201’’交流耦合电容。测试结果如图4所示。首先,在对新器件进行五次1/100 ns TLP脉冲测试(最高22 A,低于其鲁棒性阈值)之前,先测定了其鲁棒性极限(蓝色曲线)。此器件在这些测试过程中未显示出任何退化。同样,对于来自第二家制造商的鲁棒性更强的电容器(图4),在五次高达25 A的1/100 ns TLP脉冲下,也未观察到任何器件退化迹象。

△ 图3 鲁棒性较低的0201’’耦合电容的测试结果

△ 图4 鲁棒性较高的0201’’耦合电容的测试结果
随后,采用持续时间为5 ns、上升时间为600 ps (0.6/5 ns)且电流高达120 A的超快TLP (vfTLP)对两家制造商提供的电容器样品进行了进一步测试(图5),结果同样未发现任何器件退化迹象。

△ 图5 采用0.6/5 ns且电流高达120 A的超快TLP对两个额定电压为25 V的220 nF 0201’’ 电容进行测试
研究表明,交流耦合电容在高达120 A、0.6/5 ns的超快TLP下仍具有良好的鲁棒性,因此可以推断:ESD脉冲引发的退化现象的 根源在于能量水平,而非峰值电压。这使得22 A 1/100 ns的TLP 测试等同于11 kV的IEC 61000-4-2脉冲测试。换言之,所有被研究的交流耦合电容的鲁棒性均超越了IEC 61000-4-2接触放电的4级标准。
测试期间,通过使用下拉电阻,避免了可能出现的电荷积聚。
研究ESD应力对受保护IC的影响
Nexperia对若干用于超高速数据线的收发器IC(重定时器和重驱动器器件)展开了研究,发现它们的TLP特性与一个串联着电阻的正向偏置二极管极为相似(图6)。这表明这些IC的芯片内部ESD保护电路在极低电压(1 V至1.5 V之间)下就会导通。因此,所采用的外部ESD保护二极管必须具备较低的触发电压,以便在受保护IC受损前限制流入的ESD电流。

△ 图6 典型USB超高速IC的1/100 TLP结果显示,芯片内部ESD保护电路在约1 V时会导通

△ 图7 通过漏电流测量评估芯片内部ESD保护电路是否受损
综上所述,对多款超高速收发器IC的测试结果表明:
• 芯片内部ESD保护电路通常在约1 V时导通
• 以上示例的芯片内部ESD保护电路在2 A 1/100 ns TLP下受损
• 该IC的芯片内部ESD保护电路在约5 A 0.6/5 ns vf-TLP脉冲下受损
导致损坏的vfTLP电流水平提高,这表明该IC对脉冲能量的敏感度高于对峰值钳位电压的敏感度。
上述IC对ESD保护后的残余钳位电压仍较为敏感。Nexperia也对可承受高达6 A TLP的系统进行了测试。但这些系统仍会在约1 V 电压下开始导通,并对瞬变电流进行分流。为了评估此类系统在不同ESD保护策略下的表现,Nexperia采用高效的系统级ESD 设计(SEED)模拟结合测试板测量的方法,使用如下所示的测试装置3,对比了将高电压保护二极管置于位置A与将低电压二极管置于位置B的效果。

△ 图8 交流耦合超高速数据线的测试接口,从左到右依次为:连接器(未显示)、位置A的ESD保护元件位置、下拉电阻、交流耦合电容、位置B的ESD保护元件位置、IC替代电路(电阻加二极管)

△ 图9 额定电压为1 V的ESD保护二极管(1-4)的TLP曲线比较(A)和峰值钳位电压比较(B)
四个额定电压为1 V的不同ESD保护器件(1-4)放置在位置B处,两个额定电压为18-24 V的ESD保护器件(5-6)放置在位置A处。图9为测试结果。虚线表示IC ESD保护模型的曲线。

△ 图10 收发器IC所经受的TLP电流(A)和峰值电压(B)
器件5或许可以保护在器件触发前能承受超过4 A TLP电流的收发器,但图6和图7中所示的IC则无法承受这种类型的脉冲。无论何种情况,与位置A相比,位置B处的所有四个保护器件对IC施加的总体瞬变电流应力都要低得多。
这些结果表明,在位置B处使用低电压保护二极管可实现更出色的系统级ESD保护,因为保护器件在流经IC的瞬变电流较低时便开始对收发器实施保护。
交流耦合电容能否防范短路?
简而言之,交流耦合电容不能有效防范VBUS与超高速数据线之间发生短路带来的风险。详细研究发现,在发生(或解除)短路时,瞬变电流能够穿过交流耦合电容,使IC暴露于微秒级的浪涌脉冲之下。为开展评估4,使用了一块测试板,上面配备了如上述ESD测试中所描述的IC等效电路。

△ 图11 (A)使用超高速线路元件和测试点的测试PCB。(B)在位置A处设有高压ESD或没有ESD保护的测量设置
短路是通过一个驱动MOSFET的信号发生器来引发的,其上升持续时间约为50 ns(图12)。

△ 图12 短路驱动电路
如图13所示,施加此类短路会产生不同的波形。输入端(U_input)信号上升至20 V,上升时间为数十纳秒,而交流耦合电容 (U_ck)上的压降上升时间则取决于电容值,符合预期。IC替代电路(U_IC)上的压降持续时间同样取决于电容值,两者共同产生了一个持续时间约为1 µs的浪涌脉冲。

△ 图13 施加在带有220 nF或330 nF电容的交流耦合超高速线路上的20 V短路电压波形
图14显示了当超高速收发器IC在ESD保护二极管的保护下,受到此类短路影响时流入IC的电流随时间的变化。

△ 图14 对交流耦合电容施加20 V短路时,通过超高速IC替代电路的浪涌电流
结论
研究显示,超高速USB接口中使用的交流耦合电容的ESD鲁棒性超过了IEC61000-4-2 4级标准接触放电的要求,表明它们不太会成为系统级保护中的薄弱环节。相比之下,受保护收发器IC更可能因不理想的ESD保护策略导致的高钳位电压而失效。
对比不同的保护策略发现,在位置A(距离IC较远的位置)放置高压ESD二极管(>20 V)时,会在短路事件中产生较大且持续时间较长的浪涌电流(例如,在20 V VBUS下约为7 A,持续 1 µs)。即便ESD保护器件本身未受损,但这种级别的应力超过了多数IC能够承受的范围。
而在位置B(即位于交流耦合电容与收发器IC之间)使用低压ESD二极管(约1 V),则能显著降低因VBUS短路至交流耦合数据线所引发的浪涌事件电流的强度和持续时间。在我们的研究中,该方案在ESD和短路事件中均表现出更出色的保护性能。通过加入一个小的串联电阻,可以进一步降低瞬变电流,但需考虑其对射频性能的潜在影响。
这种放置方式虽与传统做法相冲突(传统做法是通过增加IC与ESD器件的间距,利用走线寄生电感实现保护),但优势显著,在位置B采用低压器件的好处,远胜于位置A使用高压保护器件时,依靠较长走线所带来的传统优势。
我们建议,在可能发生VBUS短路的系统中,应优先在位置B使用低压ESD二极管,以实现更可靠的保护。
随着USB供电EPR支持高达48 V的VBUS电压,确保有效的低压保护变得愈发重要。
本文作者
Steffen Holland,Nils Duchow,Stefan Seider
Nexperia (安世半导体)
Nexperia(安世半导体)总部位于荷兰,是一家在欧洲拥有丰富悠久发展历史的全球性半导体公司,目前在欧洲、亚洲和美国共有12,500多名员工。作为基础半导体器件开发和生产的领跑者,Nexperia(安世半导体)的器件被广泛应用于汽车、工业、移动和消费等多个应用领域,几乎为世界上所有电子设计的基本功能提供支持。
Nexperia(安世半导体)为全球客户提供服务,每年的产品出货量超过1,000亿件。这些产品在效率(如工艺、尺寸、功率及性能)方面成为行业基准,获得广泛认可。Nexperia(安世半导体)拥有丰富的IP产品组合和持续扩充的产品范围,并获得了IATF 16949、ISO 9001、ISO 14001和ISO 45001标准认证,充分体现了公司对于创新、高效、可持续发展和满足行业严苛要求的坚定承诺。
Nexperia:效率致胜。
直流和交流固态继电器电路原理图
时间:2026-03-07
电动机可逆运行控制电路的调试
时间:2026-03-07
速度继电器结构_速度继电器制动电路图
时间:2026-03-07
直流电机驱动电路图及设计思路
时间:2026-03-07
12v直流电机驱动电路图
时间:2026-03-07
几种小型直流电机驱动电路
时间:2026-03-07
调速开关原理_调速开关电路
时间:2026-03-07
直流调速器工作原理
时间:2026-03-07
直流调速器维修常见检测方法
时间:2026-03-07
直流调速器的应用特点
时间:2026-03-07
玻璃釉电容器的结构与特点
时间:2026-03-05
电容器入门教程
时间:2026-03-05
关于STM32WL LSE 添加反馈电阻后无法起振的...
时间:2026-03-05
暑期买元器件下单立减还送华为P30pro
时间:2026-03-05
电阻的标称阻值和允许偏差
时间:2026-03-05
使用过滤器电容器和诱导器来抑制受辐射的EM...
时间:2026-03-05
LED固晶机龙头直面“寒冬”
时间:2026-03-05
浅谈高压贴片电容分类与性能参数
时间:2026-03-05
聚四氟乙烯电容器的结构与特点
时间:2026-03-05
漆膜电容器的结构与特点
时间:2026-03-05