泄漏电流是指在没有故障施加电压的情况下,电气设备中相互绝缘的金属零件之间,或带电零件与接地零件之间,通过其周围介质或绝缘表面所形成的电流。也包括当人触及电器设备时,由设备经过人体到达大地的电流或由设备经人体又回到设备的电流。它是衡量电器绝缘性好坏的重要标志之一,也是产品安全性能的主要指标。泄漏电流测试系统内部应当根据不同的标准,或者说最符合人体实际阻抗情况,具备一组或者几组由特定阻抗值和满足一定功率要求的电阻和电容组成的电路来模拟人体触电。通过将人体阻抗网络连接人体可能触电的待测仪器部件,测量流过人体阻抗网络的电流。
系统硬件设计
测控系统由PC机、DSP芯片TMS320F2812控制系统以及外围扩展功能电路、泄漏电流采集信号调理电路、DSP与PC通信接口电路构成,采集、计算、显示和存储进而分析被测仪器泄漏电流特征值。
高度放大与线性隔离电路的设计
按照对泄漏电流测试的最新标准要求,要求对50Hz~1 MHz的泄漏电流进行检测。所以对放大器的频带范围要求很高,本文选用低噪声精密运算放大器HA7-5127-5,其通频带宽达8.5 MHz,满足大于1 MHz的要求。前级电压跟随电路以及放大电路如图3所示。

图中,被测设备泄漏电流经过单一模拟人体阻抗网络,将电流信号转换成电压信号,钳形二极管电路起保护作用,防止正负电压过高。后加跟随放大器U1匹配阻抗和使信号稳定,放大器U2对微弱泄漏电流信号进行放大,通过RP1调整电路的放大增益,以便于观察和采集。
在泄漏电流隔离数据采集电路中,需要隔离的信号有ADC控制信号(直流电平)、ADC工作时钟信号(几兆甚至更高频率的信号),在这样的应用条件下,如果用普通的光耦隔离器件,只能隔离直流或者低频信号,所以采用光耦技术很难满足对泄漏电流隔离的需求。而磁耦隔离器件不能传输低频信号以及直流信号,且磁耦隔离对数字信号的传输性能较好,即使传输模拟信号,也会引起信号的失真,解决方法就是可以对需要传输的模拟信号进行电平抬高,使得模拟信号的最小电流值可以驱动隔离器件工作,才会保证被传输信号的不失真。另外一个解决的方法就是如果将需要传输的低频信号调制到高频载波上,再用磁耦合隔离电路隔离传输,在接收端再用解调电路提取出低频信号,可以实现用磁耦合隔离电路传输低频信号的目的。本文设计的新型磁耦合隔离电路不用调制和解调电路就可以实现低频和直流信号的磁耦合隔离传输,而且电路结构简单、功耗小,信号传输延迟很小。
本文采用模拟隔离放大器进行隔离,实现测试系统与被测对象电气上的隔离,选用高线性度模拟光电耦合器HCNR201,其主要参数介绍如下:具有±5%的传输增益误差和±0.05%的线性误差;具有大于1 MHz的频带带宽;输入电压范围为0~15 V。电路如图5所示。

电路说明:光耦U2用于正极性信号的隔离,光耦U3用于负极性信号的隔离。在隔离电路中,R2调节初级运放U1输入偏置电流的大小,C3起反馈作用,同时滤除了电路中的毛刺信号,避免HCNR201的铝砷化镓发光二极管LED受到意外冲击。R1可以控制LED的发光强度,从而对通道增益起一定的控制作用。HC-NR201是电流驱动,其工作电流要求为1~20 mA。由于是隔离双极性信号,因此采用双电源供电的HA7-5127-5运算放大器,其输出电流可达25 mA。R3是采样电阻,将光耦输出电流转变为电压信号,与运放U1组成电压跟随电路,实现输入输出电路的阻抗匹配。在图5线性光耦电路中,隔离电路的隔离电压增益,该隔离电路的隔离增益只与电阻值R3,R2有关,与光耦的电流传输特性无关,从而实现了电压隔离。
电平抬高电路的设计
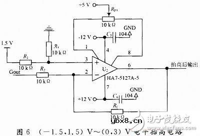
由于TMS320F2812内部集成的A/D采样范围为0~3 V,在采集信号进行光耦隔离之前,可以调节放大器的增益,使被采集的电压信号落到-1.5~+1.5 V范围之内,然后设计一个+1.5 V的基准电压源将被采集信号进行电平抬高,这样就可以保证采样信号在0~3 V的范围内,电路如图6所示。

实现了电平抬高的目的,Ui的取值范围是-1.5~+1.5 V,Uo的取值范围是0~3 V。此时被采集信号在0~3 V输入电压范围之内,满足要求。
相关热词:
直流和交流固态继电器电路原理图
时间:2026-03-07
电动机可逆运行控制电路的调试
时间:2026-03-07
速度继电器结构_速度继电器制动电路图
时间:2026-03-07
直流电机驱动电路图及设计思路
时间:2026-03-07
12v直流电机驱动电路图
时间:2026-03-07
几种小型直流电机驱动电路
时间:2026-03-07
调速开关原理_调速开关电路
时间:2026-03-07
直流调速器工作原理
时间:2026-03-07
直流调速器维修常见检测方法
时间:2026-03-07
直流调速器的应用特点
时间:2026-03-07
彩灯电路
时间:2026-03-05
三相异步电动机原理
时间:2026-03-04
三相异步电动机的七种调速方式
时间:2026-03-04
转角测量电路
时间:2026-03-05
经典的正弦波发生电路
时间:2026-03-05
电动机单线远程正反转控制电路图
时间:2026-03-04
三相异步电动机的拆装详讲
时间:2026-03-04
USB转232电路图
时间:2026-03-04
电度表的工作原理
时间:2026-03-04
电风扇红外遥控器2
时间:2026-03-04