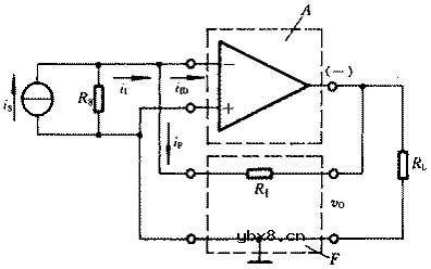
电压并联负反馈放大器,电压并联负反馈放大器原理图
反馈的基本概念
1. 开环放大器或基本放大器

图是一个放大器电路,它具有单向性的特点,信号只有从输入到输出一条通路,不存在其它的通路, 特别是没有从输出到输入的通路。这种放大器叫做开环放大器或基本放大器。
2、闭环放大器
为了改善基本放大器的性能, 从基本放大器的输出端到输入端引入一条反向的信号通路,构成这条通路的网络叫做反馈网络,这个反向传输的信号叫做反馈信号。由基本放大器和反馈网络构成的放大器叫做闭环放大器或反馈放大器。 所谓"反馈",就是通过一定的电路形式(反馈网络), 把放大电路输出信号的一部分或全部按一定的方式送回到放大电路的输入端, 并影响放大电路的输入信号。这样,电路输入端的实际信号不仅有信号源直接提供的信号, 还有输出端反馈回输入端的反馈信号。
3、反馈放大器一般模型

任何反馈放大器都可以抽象为一个模型来分析, 其基本放大器和反馈网络都具有单向性。上图中各函数之间的关系为:



4、反馈的类型
(1)正反馈与负反馈(2)内部反馈与外部反馈(3)交流反馈、直流反馈和交直流反馈(4)电压反馈与电流反馈(5)并联反馈与串联反馈
四种类型的负反馈组态
(1)电压串联负反馈(2)电压并联负反馈(3)电流串联负反馈(4)电流并联负反馈
1、电压并联负反馈

① 输出电压趋向于维持恒定 ② 因为

判断方法在下面的类型中提供。
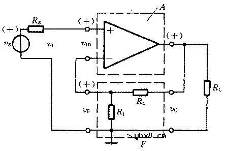
2. 电压串联负反馈
(1)反馈极性的判别方法:

电路如上图所示,基本放大电路就是一只集成运放, 用A表示;反馈网络是由R1和R2组成的分压器,用F表示。 下面用瞬时极性法判别电路的反馈极性,方法如下:
①断开反馈通路,给定原输入信号一个极性;
②根据该极性,逐步推断基本放大器中有关信号的相应极性;
③确定反馈信号vF的极性;
④根据vI与vF的极性,确定净输入信号vID与vI、vF之间的数值关系:

(2)电压反馈与电流反馈的判别方法:
①先区分基本放大器A和反馈网络F;
②判别F的输入端与A的输出端的连接方式:并联的称为电压反馈 ;串联的称为电流反馈。
(3)并联反馈与串联反馈的判别方法:
① 先区分基本放大器A和反馈网络F;
② 判别F的输出端与A的输入端的连接方式: 并联的称为并联反馈;串联的称为串联反馈。
(4)电压串联负反馈的特点:
① 反馈电压与输出电压成比例
② 稳定输出电压,降低输出电阻
③ Vid=Vi-Vf要求RS小,反馈效果明显
④ AVF指的是输出电压与输入电压之比

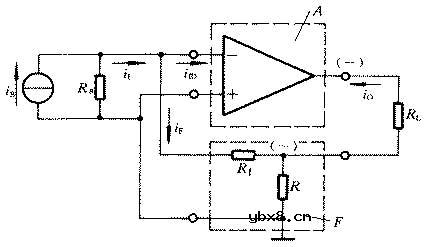
2. 电流并联负反馈
电路如下图所示


(2)判别是电压反馈还是电流反馈:
因为F的输入端与A的输出端串联,所以为电流反馈。
(3) 判别是并联反馈还是串联反馈: 因为F的输出端与A的输入端并联,所以为并联反馈。所以该电路反馈形式为电流并联负反馈。
(4)电流并联负反馈特点:

4、电流串联负反馈

电路如上图所示,该电路的反馈极性和反馈组态的判断与上述方法一样,下面只介绍该类型电路的特点:
多业务广域网解决方案
时间:2026-03-05
无线网络新技术_无线MESH网络是什么
时间:2026-03-05
简单无线mesh网络搭建
时间:2026-03-05
无线mesh网络特点
时间:2026-03-05
无线接入方式有哪些
时间:2026-03-05
无线接入器是什么
时间:2026-03-05
无线中继器安装操作步骤
时间:2026-03-05
无线中继器怎么设置_怎样用中继器增强wifi无...
时间:2026-03-05
tplink无线中继器设置
时间:2026-03-05
无线怎么防止别人蹭网
时间:2026-03-05
瞬间抑制二极管(TVS)/瞬间抑制二极管(TVS)是...
时间:2026-03-04
什么是霍尔传感器
时间:2026-03-05
半导体材料的主要种类有哪些?
时间:2026-03-04
高级封装,高级封装是什么意思
时间:2026-03-04
数字比较器,数字比较器是什么意思
时间:2026-03-04
常用整流二极管型号大全
时间:2026-03-04
S/HS固态继电器原理简介
时间:2026-03-04
稳压二极管的选用和代换
时间:2026-03-04
TVS器件的电特性有哪些
时间:2026-03-04
TVS二极管的分类/应用,TVS二极管的特点/选用...
时间:2026-03-04