家庭总线系统(Home Bus System,HBS)是由日系企业:日立、三菱、松下、东芝等联合提出的概念,由日本电子工业联合会/无线工程电子协会HBS标准委员会制定。HBS以双绞线或同轴电缆为通讯介质,控制通道最多可以有64个节点,家用电器经HBS总线互联,组成一个完整的家庭网络。协议主要用于电器开关量以及简单模拟量的控制,采用专用总线,具有抗干扰强,安全性高等优点。HBS协议对国际标准化组织(ISO)提出的开放系统互连(OSI)七层模型作了精简,引用了其中的1,2,7层,由三层结构组成,分为物理层、数据链路层和应用层。
主机模块电路设计
主机模块的电路图如图3所示。

控制芯片选用一般的AT89C51单片机。AT89C51是一种带4 KB闪烁可编程可擦除只读存储器的低电压、高性能CMOS8位微处理器。该器件采用ATMEL高密度非易失存储器制造技术制造,与工业标准的MCS -51指令集和输出管脚相兼容。由于将多功能8位CPU和闪烁存储器组合在单个芯片中,ATMEL的AT89C51是一种高效微控制器,为很多嵌入式控制系统提供了一种灵活性高且价廉的方案。通信芯片选用MM1192,是日本MITSUMI公司专门为HBS总线设计开发的适配器芯片,其本身自带编解码电路,可应用于智能家居系统的电信、安全监控、影音设备、空调设备等,具有成本低,可靠性高和外围电路简单等优点。通过MM1192 可将单片机发出的控制信号进行编码,并附加到HBS总线上进行传输,在接收端,同样利用MM1192将信号进行还原,其控制时序及传输延时。
采用MM1192收发模块,可直接与单片机连接,但是,考虑到一些干扰和失真,在单片机和收发模块之间加入了整形电路74HC00,有效降低了误码率。液晶用于显示设备的运行状态和执行按键操作命令。
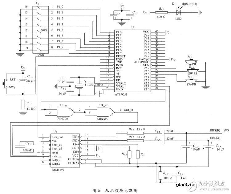
从机模块电路设计
从机模块中的地址即该从机模块的编号使用拨码开关进行设定,其电路如图5所示。

当主机模块出现故障时,从机模块也可以依靠自己的控制系统使设备正常运行,避免了当主机模块出现故障时,致使整个系统瘫痪。
灯光调节模块电路设计
驱动模块以灯光调节为例,如图6所示。由于可控硅具有导通和关断两种工作状态,所以灯光调节可采用可控硅移相触发方式。可控硅是一种新型的半导体器件,它具有体积小,质量轻,效率高,寿命长,动作快等优点,可广泛应用于工业、交通、家用电器等领域,实现交流调压、电机调速、交流开关、灯光调节等功能。

随着人们生活水平的提高和计算机技术、通讯技术、网络技术的普及化,人们对于自身的居住环境,以及生活的舒适性、安全性,也有了更高的要求。智能家居系统是一个开放的、使用了多项高新技术的智能化、人本化的集成型家居系统,智能化和网络化将是未来家居发展的必然趋势。
相关热词:#单片机
无线遥控器电路图制作
时间:2026-03-07
无线电遥控门铃电路原理图
时间:2026-03-07
NE555过流保护检测器电路图
时间:2026-03-07
串联谐振升压原理
时间:2026-03-07
谐振回路的工作原理
时间:2026-03-07
电容降压电路原理
时间:2026-03-07
实用的电容降压电路
时间:2026-03-07
低成本的阻容降压电路原理图分析
时间:2026-03-07
阻容降压原理及电路
时间:2026-03-07
阻容降压电路的误区
时间:2026-03-07
彩灯电路
时间:2026-03-05
三相异步电动机原理
时间:2026-03-04
三相异步电动机的七种调速方式
时间:2026-03-04
转角测量电路
时间:2026-03-05
经典的正弦波发生电路
时间:2026-03-05
电动机单线远程正反转控制电路图
时间:2026-03-04
三相异步电动机的拆装详讲
时间:2026-03-04
USB转232电路图
时间:2026-03-04
电度表的工作原理
时间:2026-03-04
电风扇红外遥控器2
时间:2026-03-04