在电子电路中,限幅电路扮演者至关重要的角色,它们确保信号不会超出既定的电压范围,从而保护敏感组件并维持系统的稳定运行。二极管限幅电路利用其单向导电特性,实现了对信号幅度的限制。本文将深入讨论三种主要的二极管限幅电路:正向偏置二极管限幅电路、负向偏置二极管限幅电路以及正负周期偏置限幅电路。
正向偏置二极管限幅电路:
正向偏置二极管限幅电路是最基本的限幅电路之一。在这种电路中,二极管的阳极接地,阴极则连接到输入信号。当输入信号为正且大于二极管的开启电压(一般为0.6至0.7伏特)时,二极管导通,输出电压被限制在开启电压附近。对于输入信号的负半周,二极管处于截止状态,因此输出电压跟随输入信号降低。这种电路主要用于限制正电压峰值,保护后续电路不被过高的正电压损坏。
在下图中,显示了一个 正偏置二极管限幅器电路 。该电路限制任何高于 +0.7+V BIAS的电压。

正向偏置二极管限幅电路
负向偏置二极管限幅电路
负向偏置二极管限幅电路与正向偏置电路相反。在这种电路中,二极管的阳极连接到输入信号,阴极则连接到地。当输入信号为负且低于二极管的开启电压时,二极管导通,输出电压被限制在开启电压附近。对于输入信号的正半周,二极管截止,输出电压随之上升。这种电路常用于限制负电压峰值,确保电路元件不受过低电压的影响。
与正偏置二极管限幅电路类似,添加了一个与二极管串联的偏置电压,但极性相反 。偏置有助于二极管的反向偏置,与未偏置的二极管相比,正向偏置二极管需要增加的电压。这种电路将任何电压限制在 -0.7-VBIAS以下。

负向偏置二极管限幅电路
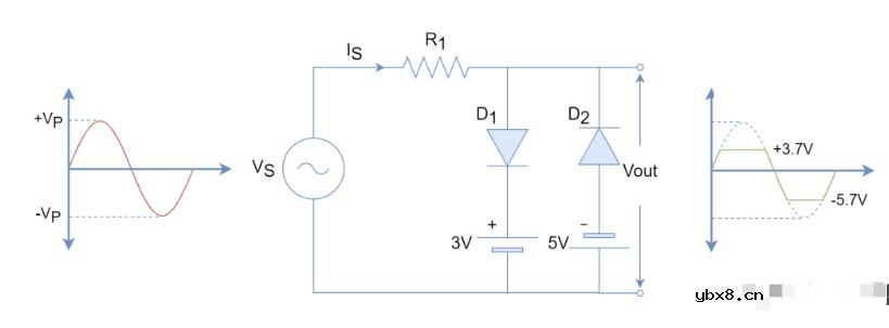
正负周期偏置限幅电路
正负周期偏置限幅电路结合了正向和负向偏置二极管限幅电路的特点,能够在一个电路中同时限制正负电压峰值。这种电路通常由一对二极管组成,一个用于限制正电压峰值,另一个用于限制负电压峰值。两个二极管的公共连接点作为输出,这样无论输入信号是正是负,总有一个二极管处于导通状态以限制输出电压。
为了夹住正负周期, 正负偏置二极管组合在一起 。根据限幅电路的要求或应用,每个支路的偏置电压可以相同或不同。此外,可以通过使用可变电压源来制作可变电压限幅电路。

正负周期偏置限幅电路
在上图中,使用不同的偏置电压来说明正负循环期间的工作。对于正周期和负周期,削波分别发生在 +0.7+3=3.7V 和 -0.7-5=-5.7V。
非常低幅度信号的输出波形在很大程度上被削波,导致方波。类似地,高幅度信号在很小的范围内被削波,并在输出端产生方波。二极管电路的应用是消除输入信号中的噪声、波动和尖峰。
无线遥控器电路图制作
时间:2026-03-07
无线电遥控门铃电路原理图
时间:2026-03-07
NE555过流保护检测器电路图
时间:2026-03-07
串联谐振升压原理
时间:2026-03-07
谐振回路的工作原理
时间:2026-03-07
电容降压电路原理
时间:2026-03-07
实用的电容降压电路
时间:2026-03-07
低成本的阻容降压电路原理图分析
时间:2026-03-07
阻容降压原理及电路
时间:2026-03-07
阻容降压电路的误区
时间:2026-03-07
玻璃釉电容器的结构与特点
时间:2026-03-05
电容器入门教程
时间:2026-03-05
关于STM32WL LSE 添加反馈电阻后无法起振的...
时间:2026-03-05
暑期买元器件下单立减还送华为P30pro
时间:2026-03-05
电阻的标称阻值和允许偏差
时间:2026-03-05
使用过滤器电容器和诱导器来抑制受辐射的EM...
时间:2026-03-05
LED固晶机龙头直面“寒冬”
时间:2026-03-05
浅谈高压贴片电容分类与性能参数
时间:2026-03-05
聚四氟乙烯电容器的结构与特点
时间:2026-03-05
漆膜电容器的结构与特点
时间:2026-03-05