主要介绍基于现场可编程门阵列及EDA方法学的永磁无刷直流电机控制系统的电子电路设计。FPGA是一种高密度可编程逻辑器件,其逻辑功能的实现是通过把设计生成的数据文件配置进芯片内部的静态配置数据存储器来完成的,具有可重复编程性,可以灵活实现各种逻辑功能。
与ASIC不同的是,PCA本身只是标准的单元阵列,没有一般IC所具有的功能,但用户可以根据需要,通过专门的布局布线工具对其内部进行重新编程,在最短的时间内设计出自己专用的集成电路,从而大大提高了产品的竞争力。由于它以纯硬件的方式进行并行处理,而且不占用CPU资源,所以可以使系统达到很高的性能。这种新的设计方法可以把A/D接口、驱动器接口、通信接口集成在一块芯片上,同时在算法上完成位置、速度甚至电流算法,从而实现真正的片上可编程系统(SoPC)。这将成为下一代高性能伺服控制器集成化设计的一个趋势。
下面针对永磁无刷直流电机模块化设计的思想,介绍基于FPGA的控制系统的电子电路设计方法,其控制系统结构如图1所示。
图1 控制系统结构图

电路由电源模块,电压转化模块,FPCA模块,驱动电路模块,斩波电流、电压检测模块,绕组电流检测模块,A/D模块,通信模块,外扩存储器模块等部分组成。
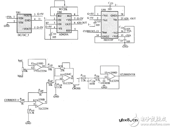
图2 斩波器电感电流检测电路

永磁无刷直流电机电枢电流检测信号调理电路和DC/DC BUCk变换器输出电压检测信号调理电路参见图3-16c和d,其功率电路如图3所示。

首先,由FPGA产生5路PWM波,其中3路用于永磁无刷直流电机换相,1路用于斩波,另1路用于再生能耗调节制动电流。三相换相PWM经驱动电路控制电机的换相,这3路PWM只用于换相不进行调制,由斩波环节进行调制。电机绕组电流经求偏、放大、滤波通过A/D(ADS7864)转换进人FPGA(XC3S200),经PID调节器控制电流环;同样,斩波电压电流经滤波通过A/D转换也进人FPGA。图2所示为FPCA的最小系统电路,XCF02S为FPGA XC3S200的配置芯片,TPS767D325是电源芯片,将+5V电源电压转换为+2.5V和+3.3V供给FPGA,电源芯片LM317将+5V电源电压转换为+1.2V供给FPGA;FPGA的时钟选为50MHz,晶体振荡器为50MHz有源晶振,输出的时钟信号电压的高电平为+3.3V。
相关热词:#fpga
无线遥控器电路图制作
时间:2026-03-07
无线电遥控门铃电路原理图
时间:2026-03-07
NE555过流保护检测器电路图
时间:2026-03-07
串联谐振升压原理
时间:2026-03-07
谐振回路的工作原理
时间:2026-03-07
电容降压电路原理
时间:2026-03-07
实用的电容降压电路
时间:2026-03-07
低成本的阻容降压电路原理图分析
时间:2026-03-07
阻容降压原理及电路
时间:2026-03-07
阻容降压电路的误区
时间:2026-03-07
彩灯电路
时间:2026-03-05
三相异步电动机原理
时间:2026-03-04
三相异步电动机的七种调速方式
时间:2026-03-04
转角测量电路
时间:2026-03-05
经典的正弦波发生电路
时间:2026-03-05
电动机单线远程正反转控制电路图
时间:2026-03-04
三相异步电动机的拆装详讲
时间:2026-03-04
USB转232电路图
时间:2026-03-04
电度表的工作原理
时间:2026-03-04
电风扇红外遥控器2
时间:2026-03-04