电动机采用星三角启动,星形接法时的启动电流是三角形接法时启动电流的1/3,很多人理解为1/V3,说明如下:当星形接法时线电流=相电流,举例为: 100A,这时电机每相绕组承受的电压为: 220V,当三角形接法时;电机每相绕组承受的电压为: 380V ,这时相电流就变成了原来的v3倍即173A (电机绕组两端电压升高电流也变大了且成比例),但同时也请注意,现在的173A为相电流,而接法为三角形接法,如此换算过来,线电流=相电流*v/3=173A*1.73=300A,前后对比一下,结论是:星形接法时的启动电流的确是三角形接法时启动电流的1/3。

1、 电机铭牌上所标额定电流指的是线电流。
2、电机铭牌上的额定功率指的是在规定接法的条件下的功率。
3、采用星三角启动的电机,转换后两个在工作的接触器只承受0.58倍的线电流。
4、 规定采用三角形接法的电机,改成星形接法时电机功率会大幅下降。此时线电流也下降到原来的0.58倍。110kW电机正常三角运行时,接触器流过的是线电流209A,如图1线电流被2个接触器分流了, 流过接触器的才104.5A ,若图2的接法就不行。
见图1 ,由于国产接触器质量一般,考虑电源的功率因数和电机的起动冲击电流等因素取不小于1.5倍,也就是 KM1和KM2取额定电流一半(并联)再乘以1.5。KM3取额定电流的根号3分之一 再乘以1.5 ,如是硬负荷可稍加大一点。
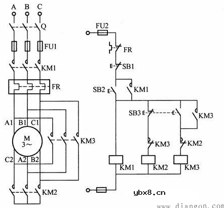
如下图为一款按钮操作远距离控制星三角( Y-4 )降压启动电路图。其中KM1为三相电源接触器, KM2为Y形控制接触器, KM3为4形控制接触器。
当合上电源开关Q ,按下起动按钮SB2时, KM1线国得电,主触点闭合,接通三相电源,辅助触点闭合自锁。同时KM2线圈得电,其主触点将电动机三相绕组接成Y形起动。等到转速接近稳定时,再按下运转按钮SB3, KM2线圈断电,切断Y形电路,同时KM3线国得电吸台并自锁,其主触点将电动机三相绕组接成A形运转。按下停止按钮SB1 ,控制电路断电,电动机停转。

相关链接
电动机星三角降压启动电路
星三角降压起动控制电路
星三角启动电路图
相关热词:#电路
无线遥控器电路图制作
时间:2026-03-07
无线电遥控门铃电路原理图
时间:2026-03-07
NE555过流保护检测器电路图
时间:2026-03-07
串联谐振升压原理
时间:2026-03-07
谐振回路的工作原理
时间:2026-03-07
电容降压电路原理
时间:2026-03-07
实用的电容降压电路
时间:2026-03-07
低成本的阻容降压电路原理图分析
时间:2026-03-07
阻容降压原理及电路
时间:2026-03-07
阻容降压电路的误区
时间:2026-03-07
彩灯电路
时间:2026-03-05
三相异步电动机原理
时间:2026-03-04
三相异步电动机的七种调速方式
时间:2026-03-04
转角测量电路
时间:2026-03-05
经典的正弦波发生电路
时间:2026-03-05
电动机单线远程正反转控制电路图
时间:2026-03-04
三相异步电动机的拆装详讲
时间:2026-03-04
USB转232电路图
时间:2026-03-04
电度表的工作原理
时间:2026-03-04
电风扇红外遥控器2
时间:2026-03-04